压力补偿流量控制-阀前 vs 阀后(转自电液爱好者)
更新于2021年2月22日 09:26负载敏感液压系统中有阀前压力补偿和阀后压力补偿两种流量控制方式。丹佛斯PVG16/PVG32/PVG128/PVG256负载敏感多路阀采用了阀前压力补偿的流量控制方式,PVG100负载敏感多路阀则具有阀后压力补偿的流量控制方式。通过过渡块,可以将两种不同压力补偿方式的阀组组合到一起进行使用。
01
—
阀前压力补偿流量控制
负载敏感液压系统中,为了保证负载敏感多路阀主阀节流口前后的压差保持不变,使通过节流口的流量不受负载变化的影响,通常在可变节流口上游侧,设置一个可以保持节流口前后压差恒定的压力补偿器,通常把这种压力补偿流量控制的方式叫做阀前压力补偿(Pre-Compensation)。
阀前压力补偿负载敏感系统示意,补偿器弹簧的设定值是7bar:
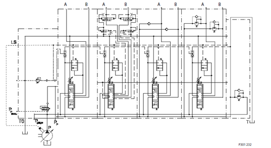
PVG 32 采用了阀前压力补偿流量控制的方式,是一种旨在提供最大灵活性的负载敏感液压阀,能够实现负载独立流量控制,和定量泵配合使用时,组成阀控负载敏感液压回路,可以有效地改善阀芯移动时对流量的操控性能。PVG32和定量泵配合使用时的系统示意:
PVG32和变量泵配合使用时,组成“泵控”负载敏感液压回路,可以使泵提供的压力、流量和负载紧密匹配,具有良好的“功率跟随”能力,极大的减少了能量损耗。PVG32和变量泵配合使用的系统示意:
PVG32单个工作模块结构示意:
PVG32额定工作压力350bar,进油流量140L/min,采用中间进油联可以达到230L/min。PVG32技术数据示意:
PVG32采用模块化设计,重量轻,紧凑的外形尺寸,安装方便,具有多种电控模块,可以精确地满足客户需要。PVG32八联阀组示意:
02
—
阀后压力补偿流量控制
在负载敏感液压系统中将压力补偿器放在主阀芯节流口的下游侧对经过主阀芯的流量进行控制叫做阀后压力补偿流量控制(Post-Compensation)。
阀后压力补偿负载敏感系统示意,补偿器弹簧的设定值是2bar:
在阀前补偿负载敏感回路中,有时候会遇到泵流量饱和的问题,此时较高负载的压力补偿器的压力调节作用将失效,在某些情况下会导致负载压力高的执行器出现速度降低甚至停止的现象。
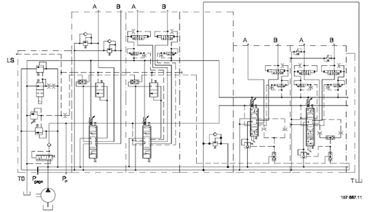
PVG100负载敏感多路阀采用了阀后压力补偿的流量控制方式,运用流量共享的技术,在流量饱和的情况下,可以按照比例降低各个负载所需的流量,有效地解决泵流量饱和的问题。PVG100的主阀先导油路有自己单独回油口-T0口,T0口单独接回油箱可以避免回油背压过高对先导控制的影响。PVG100和变量泵配合使用的系统示意:
PVG100单个工作模块结构示意:
PVG100的额定工作压力是350bar,进油流量250L/min,采用中间进油联时额定流量可以达到400L/min,单个进油联额定流量180L/min,配合大流量阀芯,单个进油联的流量可以达到240L/min,可以满足大流量负载的要求。PVG100技术参数示意:
PVG100四联阀组示意:
03
—
对比总结
阀前压力补偿流量控制,主阀阀口的压差由主阀各自单独的补偿器确定,可以更准确的控制负载的速度,系统的调速性能更好。
阀后压力补偿流量控制,可以确保控制每个负载的主阀芯前后的压差相等,在泵流量饱和的情况下可以按比例降低进入各个负载的流量,解决复合动作时单个动作无力的问题。
PVG32和PVG100补偿方式对比示意:
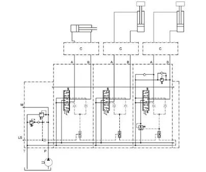
PVG32和PVG100都可以做成简单的负载敏感换向阀,还可以做成负载独立的电液比例控制阀。两种阀组还可以组合使用,组合使用时,PVG100可以满足单个负载大流量的需求,PVG32 可以满足单个负载调速性能的要求(此时PVG32的工作片需要用带T0口的工作片),还可以在A/B口可以集成零泄露模块,保持负载位置稳定,这种组合方式在某些工程机械上已经得到了验证。PVG32和PVG100配合使用的系统示意:
PVG32和PVG100组合使用示意:
阀前和阀后补偿的负载敏感控制技术适用于单泵、多泵的定量和变量泵液压系统,丹佛斯将电子技术和负载敏感技术相结合,开发出了PVED总线控制模块,采用总线控制的方式,可以大大提高负载敏感阀的控制性能和控制精度,同时,还可以实现阀前补偿电子流量分享,使PVG32阀组兼顾调速性能和抗流量饱和两种特点,在工程机械中有很大的发展前景。
工程师必备
- 项目客服
- 培训客服
- 平台客服
TOP




















