液压桥路分析(转自伺服阀及电液伺服系统)
2021年2月20日 23:42浏览:4283 收藏:2
A型半桥的负载流量为:
B型半桥的负载流量为:
C型半桥的负载流量方程为:
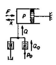
D型半桥
D型半桥的特点是两个液阻均为固定液阻。原理图如下:
为了便于比较分析,将四种桥路的特性曲线汇集如下图所示:
从图中可以看出,A型半桥的特性曲线,其压力增益较大,B型和C型半桥的压力增益较为平缓。而D型半桥压力为恒定值。
为了进一步理解 半桥的含义,举例如下:
A型半桥:
A型半桥最典型的应用为滑阀结构,一个凸肩对应两条节流边,阀芯移动时即为两个可变节流口。两个A型半桥构成全桥,就是一个四通滑阀结构。
B型半桥
B型半桥在液压元件,尤其是液压阀中,应用最为广泛。
一个B型半桥——单喷嘴挡板阀
两个B型半桥——双喷嘴挡板阀
盖板式插装溢流阀:外控油经过x口,再经过节流孔到达插装阀上端容腔,上端容腔和溢流阀并联。溢流阀相当于可变节流口。插装阀上端容腔即为负载腔。
C型半桥
伺服阀单腔使用,手动可调节流阀与负载腔并联,节流阀出口回油。对负载进行控制之前,通过调节手动节流阀,可对回油液阻进行调节,进而对负载压力特性曲线的起始点和斜率进行调节。当压力特性曲线的起始点和斜率调节完毕,节流阀便不再动,使其开口保持不变;此时通过调节伺服阀指令信号,来改变伺服阀开度,进而对负载进行压力控制。
实测曲线如下:
D型半桥
D型半桥用得不多,暂时未到实例。
技术邻APP
工程师必备
工程师必备
- 项目客服
- 培训客服
- 平台客服
TOP
2




















