MATLAB基于工况的simulink整车仿真建模
2021年5月25日 21:25浏览:5313 评论:1 收藏:5
基于上一篇我们已经能够将整车仿真工况采用自己定义的方法,导入到simulink的Drive cycle source模块中,我们继续延伸,采用simulink进行整车仿真模型的搭建,模型比较简单,如下图所示,并检验仿真结果。
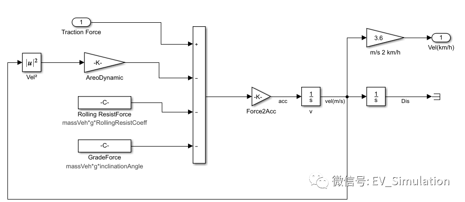
首先是基于上一篇的应用,我们将NEDC的工况数据,导入到Drive Cycle Source中;然后我们分别搭建Driver和Vehicle的Sub System;其中的vehicle子系统构建如下;其中每个模块的表达式都已经显示出来,方便小伙伴们自己参考演练;
参考的动力性仿真计算公式如上图所示,分别是驱动力、空气阻力和坡道阻力;
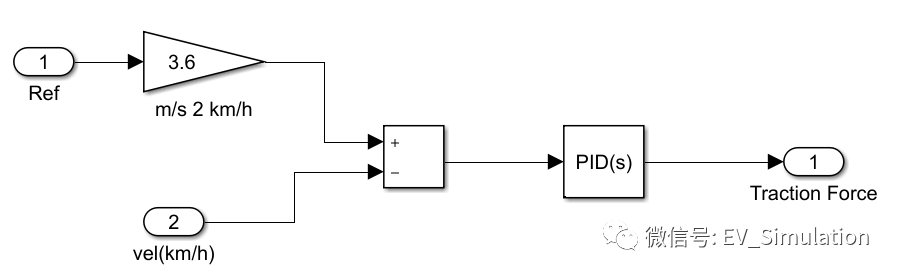
Driver子系统的构建比较简单,如下图所示;主要是根据工况的输入车速
其中的整车输入参数通过m文件编写载入:
最后可以通过模块的mask功能,给子系统配上好看的封面图片,验证仿真结果:可以看到,实际车速能够很好的跟随参考工况的车速曲线。
通过一个简单的simulink整车模型搭建案例,可以清楚的了解搭建的过程及计算原理,图示话的结果,也可以增加小伙伴们在学习过程中的兴趣。
技术邻APP
工程师必备
工程师必备
- 项目客服
- 培训客服
- 平台客服
TOP
6
1
5




















