整流类型及制动单元
2021年8月31日 11:39整流器把三相交流电源的电压变成直流电压,该直流电压由直流母线电容器平滑滤波。整流器是变频器不可或缺的组成部分,也可以作为模块化驱动系统(多传动)的独立组件。在西门子S120多传动系统中,整流单元分为二象限运行的基本整流模块(BLM)和四象限运行的回馈整流模块(SLM)&有源整流模块(ALM)。
1 基本整流进线 Basic Infeed
西门子基本整流进线是一种稳定的、不受控的二象限运行整流器(即能量总是从电源到直流母线)。基本整流进线不能从直流母线反馈能量给电源。如果在制动过程中变频器产生短时的反馈能量,必须通过连接在直流母线上的制动单元和制动电阻一起转换成热能。
基本整流进线由一个带有晶闸管或二极管的6脉冲线路换向三相整流电路组成。一般会在进线端配置相对短路电压为2%的进线电抗器。
S120基本整流进线包含一个基本整流模块和一个Vk=2%的进线电抗器
基本整流是G130和G150(2150kW以内用晶闸管,更大功率采用二极管整流)变频器不可缺少的集成组件,也是S120(900kW/400V,1500kW/500-690V以内用晶闸管,更大功率采用二极管整流)多传动系统中的独立的整流器。
基本整流是把三相线进线电压VLine转化为一个依赖负载的、不可控的直流母线电压VDCLink的线路换向整流器。在空载情况下,直流母线电压充电到峰值,此时VDCLink=1.41VLine,当连接负载时电压会下降,在部分负载情况下直流母线电压VDCLink≈1.35VLine,满载时VDCLink≈1.32VLine。由于直流母线电压不可控,线电压的波动将会引起直流母线电压波动。
直流母线预充电过程差别很大,取决于所使用的不同器件:
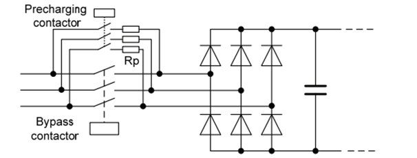
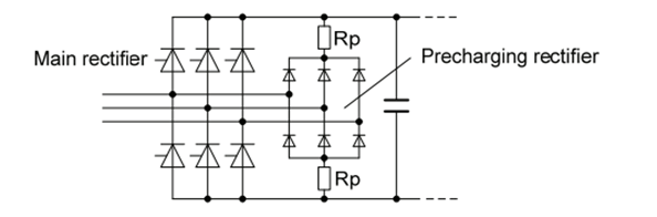
在G130和G150变频器中,基本整流是其功率单元不可缺少的集成组件,由二极管组成的预充电整流电路并联在由晶闸管(G150并行输出功率范围从1750kW到2700kW除外)组成的主整流器上,当这种配置应用于进线电压时,直流母线通过预充电整流电路和预充电电阻充电,这期间主整流器没有使能,一旦直流母线完成充电,主整流器的晶闸管会被第一时间触发。因此,晶闸管整流器在运行过程中的行为本质上与二极管整流器相同。由于主整流器的电阻远小于并联的预充电整流和预充电电阻,电流几乎完全从主整流器流过。
G130和G150变频器电带独立的预充电整流和预充电电阻
预充电的原理涉及到欧姆电阻的使用,因此会产生损耗。这意味着必须按照发热选择合适的预充电电阻以支持G130和G150的直流母线预充电而不过载。因此额外的直流母线电容不能被预充电,例如S120电机模块不能和G130、G150的直流母线相连。每三分钟只允许一次直流母线完全预充电。
在用晶闸管的S120基本整流模块中,通过改变晶闸管触发角(相角控制)为直流母线充电,在此过程中触发角在1秒内逐步增大到全角触发。这种预充电原理几乎不会产生任何损耗,这意味着可以预充很大的直流母线电容。然而所连接逆变器(S120电机模块)允许的直流母线电容必须受到限制,以免晶闸管在直流母线电压跌落恢复时承受过大的再充电电流。尽管如此,这种预充电形式所允许的直流母线电容极限相对较高。 不同S120基本整流模块BLM所允许的直流母线电容最大值在后面章节会讲述。
用晶闸管的S120基本整流模块的晶闸管相角控制预充电
在用二极管的S120基本整流模块中,通过电阻进行预充电,这会造成损耗。为了给直流母线做预充电,整流器通过预充电接触器和预充电电阻连接到电源,预充电结束后,旁路接触器关闭,预充电接触器又被打开。由于预充电期间电阻上的损耗,直流母线每三分钟只能进行一次完全预充电,且直流母线电容的最大限制值也比带晶闸管的基本整流模块低。不同S120基本整流模块BLM所允许的直流母线电容最大值在后面章节会讲述。
用二极管的S120基本整流模块的预充电
预充电回路由预充电接触器、预充电电阻及保护熔断器组成。
对于采用二极管的S120装置型基本整流,预充电回路及其熔断保护必须由用户提供。
对于采用二极管的S120柜式基本整流,预充电回路及其熔断保护始终位于基本整流模块BLM上游连接的线路连接模块LCM内。
旁路接触器是断路器。
对于采用二极管的S120装置型基本整流,旁路接触器(断路器)必须由用户提供。
对于采用二极管的S120柜式基本整流,旁路接触器(断路器)始终位于基本整流模块BLM上游连接的线路连接模块LCM内。
重要提示:
预充电接触器和旁路接触器必须由S120基本整流模块(采用二极管)的内部顺序进行控制(通过X9端子的5,6连接预充电接触器,通过X9段子的3,4连接旁路接触器)。重要的是断路器必须瞬时脱扣打开,因此只能使用具有欠压瞬时脱扣的断路器。
为了提高输出功率额定值,可以将4个S120基本整流模块并联(包括6脉冲和12脉冲配置)。
由于六脉冲三相桥式电路的工作原理,基本整流对供电系统造成了较高的谐波影响。线电流包含较高的谐波分量,次数为h = n * 6±1,其中n是整数1、2、3等。电流的总谐波失真度THD(I)通常是在从30%到45%不等。有关谐波特性的详细信息,请参阅前面“谐波对供电系统的影响”章节。进线谐波滤波器LHF可以安装在G130装置和G150变频柜的进线侧,以减少谐波对供电的影响, 将总谐波失真因数THD(I)降至7.5%以下。12脉冲电路也可以实现类似的谐波减少。
2 回馈整流进线Smart Infeed
回馈整流进线一个稳定的、是非受控的四象限运行的整流回馈单元,能量可以从供电系统到直流母线,也可以从直流母线到供电系统。样本中所列的电流值既可用于整流也可用于回馈运行。
回馈整流模块(SLM)包含一个IGBT逆变器,作为一个线路换向的6脉冲桥式整流/回馈单元在线路电源上工作。和有源整流(ALM)不同,IGBT没有按照脉宽调制方式触发,在整流运行中电流通过集成在IGBT模块中的二极管流入直流母线,所以电动运行时存在一个线路换向的6脉冲二极管桥式电路。在回馈运行时电流通过与电源频率同步的IGBT流动,因此回馈运行时存在一种线路换向的6脉冲IGBT桥式电路。
和晶闸管不同,IGBT可以在任何时候关闭,因此与装有晶闸管的整流器/回馈单元相比,它不会发生在回馈运行期间由供电系统故障引起的逆变器直通(逆变颠覆)。 在进线侧,回馈整流ALM通常配备一个相对短路电压为Vk=4%的进线电抗器。
在西门子S120装置型或柜式多传动系统中,回馈整流模块SLM作为一个独立的产品提供。
S120回馈整流进线包含一个SLM和一个Vk=4%的进线电抗器
回馈整流进线中用来回馈能量的 IGBT 始终在自然换相点触发导通,且在经过120º电角度处触发关断。整个过程与能量流动方向无关。因此代表能量流动方向的电流方向在某一时刻可能从直流侧流向电网,也可能从电网流向直流侧。电流方向仅由进线侧和直流母线的电压差来决定。在稳态电动运行期间,直流母线电压始终低于进线电网电压,因此电流从电网侧通过二极管桥流向直流母线。当稳态发电运行且在某相存在电流时,直流母线电压始终高于进线电网电压,因此电流从直流母线通过 IGBT 桥流向电网。此控制原理优势在于,回馈整流进线可以对负载波动做出快速响应,也可以在任意时刻根据能量流向改变电流方向。
然而上述控制原理的一个特点是,在空载运行谐波无功电流在线路一侧流动。这是由于电网电压按照正弦规律变化,而空载时直流侧电压几乎是完全平滑的。因此在 IGBT触发 后,会有短时的电流从直流母线流向电网,因为此时电网电压会略低于直流母线电压。随后当电网电压达到峰值时,电压比会反转,电流方向也随着反向。这种无功电流会随着回馈整流进线负载的增加而减小,在满载时完全消失。下图展示了回馈整流进线在空载、部分负载和满载下的线路电流。
空载运行时的无功电流大小取决于回馈整流进线所连接的直流母线电容容量。若接入 SLM 的电容值达到其直流母线允许的最大电容值,那么空载下无功电流幅值约为 15% ~ 20% 的回馈整流进线额定电流。因此,回馈整流进线系统相比同是线路换向的二象限基本整流进线在部分负载下,特别是在空载下的总功率因数 λ更小,而总谐波畸变率 THD更大。 可以通过参数设置采用禁止回馈功能的方法来抑制空载下无功电流。
当装置运行在电动状态时,如果满足下列一种或多种条件,也能有助于抑制回馈整流进线的回馈运行,以获得更大的运行稳定性:
● 回馈整流进线在线路电压频繁跌落的弱不稳定供电系统上运行。
● 回馈整流进线运行在很高的直流母线电容CDCLINK配置中。
● 回馈整流进线通过三绕组变压器进行12脉冲运行。
● 回馈整流进线和基本整流进线组合运行。
如果回馈运行发生的过程步骤在过程控制系统中有明确的定义,那么回馈运行也可以通过更高级别的自动化系统来抑制和启用。
因为回馈整流进线为线路换相,他从三相线电压 VLine 产生不受控的、依赖于负载的直流母线电压 VDCLink 。
在电动运行中,直流母线电压比基本整流进线电压下降幅度略大,因为回馈整流进线的4%电抗器电压降大于基本整流进线的2%电抗器的电压降。在部分负载电动运行时VDCLink≈1.32•VLine,而满载电动运行时VDCLink≈1.30• VLine(电动)。
回馈运行时的直流母线电压比电动运行时要高,因为电流的方向是反向的,从而通过4%电抗器上的电压降也是反向的。在部分负载回馈运行时VDCLink≈1.38•VLine,而满载回馈运行时VDCLink≈1.40•VLine(回馈)
因为直流母线电压是不受控的,电源电压的波动以及运行状态的改变(电动模式 / 回馈模式)均会引起直流电压的波动。
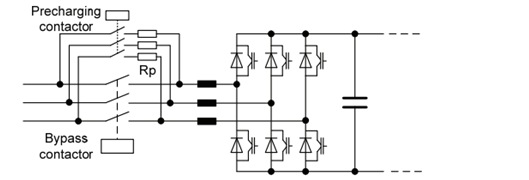
S120 回馈整流模块SLM通过预充电电阻对直流母线电容进行预充电,因此会产生损耗。SLM 使用连接到进线侧的预充电接触器和预充电电阻完成预充电过程。一旦预充电完成,旁路接触器就会闭合且预充电接触器会再次打开。预充电回路和主回路必须具有完全相同的相位,因为当两个接触器同时闭合时,在短暂的重叠期间,预充电电阻可能会因过载而产生不可修复地损坏。由于预充电过程中电阻会有功率损耗,直流母线完全预充电仅允许每 3 分钟进行一次,且接入的逆变器直流母线电容值必须限定到相对较低的值。此限制不仅源于功率损耗的要求,也为了保护 IGBT 中的二极管。防止当电压跌落后又恢复瞬间,过多的充电电流涌入直流侧电容。这对于 SLM 来说尤为重要,因为SLM 中 IGBT集成的二极管无法像BLM中的晶闸管或二极管那样具有承受较高的电流尖峰的鲁棒性。
通过预充电接触器和预充电电阻对SLM预充电
预充电电路包括预充电接触器和预充电电阻,是S120智能线路模块的组成部分。这意味着在S120智能线路模块之外要提供的唯一设备就是预充电电路的保护熔断器。
对于装置型SLM,必须由用户提供预充电电路的保护熔断器。对于柜式SLM,预充电电路始终由位于SLM上游连接的线路连接模块LCM中的熔断器保护。
旁路接触器,它可以是一个接触器或断路器取决于功率额定值,总是位于S120 SLM的外部。
对于装置型SLM,必须由用户提供旁路接触器。对于柜式SLM,旁路接触器(接触器或断路器取决于功率等级)始终在SLM上游连接的线路连接模块LCM中。
重要提示:
预充电接触器和旁路接触器必须由S120回馈整流模块的内部顺序进行控制(通过内部接线连接预充电接触器,通过X9段子的3,4连接旁路接触器)。重要的是,当使用断路器时,断路器必须瞬时脱扣打开。因此只能使用具有欠压瞬时脱扣的断路器。
为了提高输出功率额定值,可以将4个S120回馈整流模块并联(包括6脉冲和12脉冲配置)。
由于六脉冲三相桥式电路的工作原理,回馈整流对供电系统造成了较高的谐波影响。线电流包含较高的谐波分量,谐波次数为h = n * 6±1,其中n是整数1、2、3等。回馈整流进线在整流运行(电动运行)时产生的谐波电流与基本整流进线产生的谐波电流完全相同,具有相同的频谱分布。电流THD(I)的总谐波畸变率一般在30%~45%之间。 在回馈运行中,第5次谐波明显减小,但其他谐波均略有增加,使得总谐波失真系数THD(I)仅下降了几个百分点。由于电流谐波在整流(电动运行)和回馈运行中的频谱不同,回馈整流进线不允许使用进线谐波滤波器LHF来减小谐波影响,只能通过12脉冲配置才能将总谐波失真系数THD(I)降至约10%。
3 有源整流进线Active Infeed
有源整流进线一个主动脉冲、稳定、可调节的、用于四象限运行的整流/回馈单元,能量既可以从供电系统到直流母线,也可以从直流母线到供电系统。样本中所列的电流值既可用于整流也可用于回馈运行。
有源整流进线包括自换向IGBT逆变器(有源整流模块ALM),其通过有源接口模块AIM(AIM包含一个具有基本射频干扰抑制电抗器的电网净化滤波器)连接到电源系统上运行。有源整流模块ALM按照脉宽调制的方法工作,并从三相线电压VLine产生恒定的、可调节的直流母线电压V DCLINK。在有源整流模块ALM和供电系统之间安装的电网清洁滤波器,尽可能滤除来自有源整流模块脉宽调制电压VALM的谐波,从而确保线路侧的输入电流几乎为正弦,因此有源进线对供电系统的谐波影响最小。
有源整流进线是西门子SINAMICS最高级别的整流进线。它是S150变频柜的一个集成组件,也能以装置型或柜式作为S120模块驱动系统的一个独立进线单元。
S120有源进线包含一个有源接口模块和一个有源整流模块
有源整流进线是一种自换向整流/回馈单元,从三相线路电压VLine产生一个保持恒定、不受线路电压变化和电源电压下降的影响的直流母线电压VDCLink。它作为一个升压逆变器工作,即直流母线电压总是高于线电压的峰值(VDCLink > 1.41•VLine)。该值可以通过参数设置(从1.42到2.0),其工厂设置为VDCLink= 1.50 • VLine。
如果没有特别需要,不应更改此出厂设置。降低出厂设置值往往会损害控制质量,而增大出厂设置会不必要地增加了逆变器和电机绕组上的电压。如果电机绕组的允许电压足够高,直流母线电压可以从出厂设置值增加到表中规定的V DCmax值。这种方法允许在连接到有源整流进线的逆变器或电机模块的输出端获得高于进线电压的电压。从表中可以看出,逆变器输出电压的最大值是直流母线电压和矢量控制模式(空间矢量调制SVM没有过调制或脉冲边缘调制PEM)下使用的调制系统的函数。
有源整流进线最大连续允许的直流母线电压和可达到的输出电压
由于直流母线电压的大小可以参数化,直流母线电流依赖于该参数的设置,因此直流母线电流不适合作为有源整流进线的选型标准。因此变频器的功率平衡应该始终作为有源整流进线的选型基准。
首先要知道的是电机轴产生的机械功率Pmech。从这个轴功率值开始,通过将电机的功率损耗PL Mot,电机模块的功率损耗PL MoMo和有源整流进线的功率损耗P L AI 加到机械功率值Pmech上,就可以计算出电源系统的有功功率PLine。
PLine = Pmech + PL Mot + PL MoMo + PL AI .
此外也可以使用电机的效率ηMot,电机模块的效率ηMoMo,有源进线的效率ηAI来代替功率损耗值。
PLine = Pmech / (ηMot•ηMoMo• ηAI)
供电系统的有功功率PLine取决于线电压VLine,线电流ILine和线路侧功率因数cosφ Line所定义的关系:PLine = √3 • VLine • I Line • cosφ Line
这可以用于计算有源整流进线需要的线电流 I Line:
I Line=P Line /(√3 • V Line • cosφLine ) .
如果有源整流进线按照出厂设置运行,也就是说线路侧功率因数cosφ Line=1,那么它只从电源中获得纯有功功率。然后公式可以简化为:
I Line=P Line / (√3 • V Line).
有源整流进线选型时必须使其允许的线电流大于等于需要的线电流 I Line
在线路侧功率因数 cosφ Line=1的情况下,所得线电流通常低于电机电流。这是因为电机有一个典型的功率因数cosφMot≤0.9,因此需要一个相对较高的无功电流。然而,这是从直流母线电容获得而不是从供应系统,从而导致线电流低于电机电流。
由于有源整流进线作为升压逆变器工作,它甚至能在明显的线路电压变化和线路电压跌落中保持直流链路电压在一个恒定的水平。如果变频器必须在不跳闸的情况下承受超过15%的电源电压跌落,必须注意以下几点:
● 内部辅助电源必须由安全的外部电源供应230伏(例如通过不间断电源UPS供电)。
● 进线侧欠压跳闸值必须设置到相对较低的值。
● 有源整流进线必须能够提供电流储备,以通过增加电流补偿由于电压跌落而导致的整流/回馈模式下的功率下降。
S150变频器和S120有源整流进线所连接的直流母线通过有源接口模块AIM中的电阻进行预充电,从而会产生损耗。有源接口模块和相关的有源整流模块通过预充电接触器和预充电电阻连接到进线供电系统。一旦预充电完成,旁路接触器关闭,随后重新打开预充电接触器。 由于预充电接触器与旁路接触器有短暂的重叠(由于电网清洁滤波器的结构要求),预充电和主电路必须具有相同的相序,否则预充电电阻可能因过载而损坏。
有源整流进线通过预充电接触器和预充电电阻进行预充电
由于在预充电时在电阻上发生功率损耗,直流母线完整的预充电只允许每3分钟进行一次,且允许的所连接的逆变器的直流母线电容也被限制在较低的值。
有源整流模块IGBT中的二极管不能像基本整流模块BLM中的晶闸管或二极管一样承受同样高的电流峰值。然而由于以下原因,在电压跌落恢复时直流母线电容的充电电流仍保持在安全的水平:一方面有源整流单元自换向控制运行确保线路电流始终处于控制状态,另一方面,电网清洁滤波器的滤波电抗相对于回馈整流模块的进线电抗器有更高的电感。 即使在电源条件恶劣的情况下,有源整流进线被迫在短时间不受控运行,电抗器仍能将充电电流保持在安全限度内。与回馈整流模块相比,这种效果意味着对连接到有源整流模块的直流母线电容没有额外的限制。
在S120装置型有源整流模块中,外形尺寸规格为FI和GI的有源接口模块AIM集成了预充电回路(预充电接触器和预充电电阻)和旁路接触器,有源接口模块已经设计了短路保护,在这种情况下,用户不需要再为预充电电路提供熔断保护。
在S120装置型有源整流模块中,外形尺寸规格为HI和JI的有源接口模块AIM没有集成旁路接触器,这种情况下,旁路接触器(由功率等级决定是接触器还是断路器)和预充电回路的熔断保护必须由用户提供。
在S120有源整流模块中,柜式有源接口模块既不需要为预充电电路提供熔断器保护,也不需要通过连接在AIM上游的线路连接模块LCM内部的熔断器保护预充电电路。
重要提示:
预充接触器和旁路接触器必须由S120有源整流模块内部顺序控制(通过X9端子5、6连接预充接触器,通过X9端子3、4连接旁路接触器)。当断路器用作旁路接触器时,断路器的必须瞬时脱扣打开,因此必须使用具有瞬时欠压脱扣的断路器。
为了提高输出功率额定值,可以将4个S120有源整流模块与匹配的有源接口模块并行连接。
由于有源脉冲原理并结合进线电网清洁滤波器,使得有源整流进线对供电的谐波影响几乎不存在。线电流的谐波含量很小,这意味着线电压也很少有谐波。有源整流进线绝大多数的电流和电压谐波通常显著低于1%的额定电流或额定电压。电流和电压的总谐波失真系数THD一般在3%左右。当使用自换向的IGBT整流输入(S150、S120有源整流模块)时,系统符合标准IEEE 519(电力系统谐波控制的推荐规程和要求)规定的限值。
有源整流进线以功率因数cosφ<1运行
当在固件中可自由参数化线路侧无功电流的有源整流进线的功率因数为cosφ<1时,有源整流模块的功率损耗增大。因此线电流必须根据下面所示的限幅特性减小。
有源整流进线允许的线电流与进线功率因数的关系
用有源整流进线创建孤岛供电系统
标准版本的SINAMICS有源整流进线已经设计为SINAMICS驱动系统的一个进线组件,因此三相供电系统是其使用的基本前提。利用集成在有源接口模块AIM中的电压检测模块VSM检测到进线电压的幅值和相角,有源整流进线将自己与所连接的进线电压和频率同步,并在一个次级电流控制器的支持下,将直流母线电压调节到一个可参数化的常量。
有源整流进线的特殊版本适用于采用自换向进线变换器生成孤岛供电系统的应用。这类应用的例子有:
● 船舶轴带发电机通过有源整流进线生成船载供电系统。
● 太阳能发电装置通过有源整流进线生成本地孤岛供电系统。
为此目的所需要的有源整流进线的版本与标准版本相比已经修改了功率单元硬件(带有附加处理器的CIM模块),并且除了标准固件之外还需要补充固件模块(需要获得许可)。且这些特殊版本的额定功率范围是有限的。
有源整流进线的脉冲频率
与可在较宽范围内调整脉冲频率的S120电机/逆变模块相比,S120有源整流模块的脉冲频率基本上是预定义的,因为需要将其与相匹配的有源接口模块中的电网清洁滤波器的谐振频率以固定的比率设置。
4 不同SINAMICS整流器属性的比较
下表对不同整流器的属性进行了比较:
下图是不同整流之间进线电流ILine与相电压V1(V1=VLine /√3)的直接比较
5 S120进线系统用于多电机驱动时允许的电缆总长度
当S120进线模块通过直流母线为一个以上的S120电机模块供电时,不仅限制每个电机模块与其匹配电机之间的电缆长度,而且限制总电缆长度(即通过公共直流母线从公共进线模块取电的所有电机模块的电机电缆长度之和)。严格地说,在计算允许的电缆总长度时,也应该考虑直流母线的长度。然而,在实践中,直流母线的长度与多电机驱动中电机电缆的总长度相比可以忽略不计,因此直流母线的长度可以为这种特殊计算的目的而忽略。
电缆总长度必须受到限制,以确保由此产生的容性泄漏电流总和Σ I Leak(由单个电机模块产生的容性泄漏电流的总和)不会使进线模块过载,而漏取决于电机电缆总长度。 该电流通过进线滤波器或电源系统和进线模块本身流回直流母线。
多电机系统的总泄漏电流回流路径
如果总电缆长度和总泄漏电流没有充分地限制,则根据EN61800-3的类别C3集成的进线滤波器,进线模块的功率元件,以及进线模块中功率元件的缓冲电路可能由于过电流或dv/dt负载而过载。 允许的电缆总长度是与设备相关的,因此在相关样本中规定了电缆总长度。
6 SINAMICS制动单元
制动单元由一个制动模块(制动斩波器)和一个外部制动电阻器组成,对于由一个不能回馈运行(G130和G150变频器和带基本整流的S120变频器),但存在回馈工况(例如当变频器处于制动状态时偶尔产生回馈能量)的系统来说制动单元是必需的。
制动模块和配套的外部制动电阻器也可以用于能够回馈运行的四象限整流进线系统(S150变频器或带有回馈整流/有源整流的S120变频器),用于在电源故障时需要驱动器停止的应用(如1 类急停)。
制动模块包括功率器件及相应的控制单元。在运行中由位于控制柜之外的外部制动电阻将直流母线的能量转换为热损耗。制动模块与直流母线连接,并作为直流母线电压值的函数完全自动运行。它不以任何方式与整流或逆变器的闭环控制相互作用。
制动单元由一个制动模块和一个制动电阻器组成
SINAMICS在其功率范围内提供多种制动模块:
· 内置制动模块(响应时间1 - 2ms)
· 中央制动模块(响应时间1 - 2ms)
· 电机模块作为三相制动模块运行(响应时间4 - 5ms)
内置制动模块是为安装在SINAMICS风冷功率单元而设计的,可提供25kW和50kW的连续制动功率。它们可以安装在SINAMICS G130、G150和S150变频器的电源模块中,也可以安装在SINAMICS S120模块系统的风冷进线模块和电机模块中。
为了提高制动功率,可以在公共直流母线上运行多个内置制动模块。为了使功率分布均匀,每个直流母线的最大制动模块数量应该限制在4到6个之间。
中央制动模块是SINAMICS S120机柜模块系列中的独立机柜组件。它们的连续制动功率额定值为200kW至460kW。
因此,可以将一个或多个中央制动模块安装在S120变频柜,以替代多个内置制动模块。在这种情况下,最大数量应该限制在每个直流母线大约4个制动模块。 当一个以上的中央制动模块在一个公共的直流母线上工作时,每个中央制动模块都必须配置一个单独的制动电阻器。
S120电机模块
如果装置型或柜式S120电机模块连接的是三相制动电阻而不是电机,则可以作为制动模块(制动斩波器)使用,它们在400V下的持续制动功率可达1300 kW,在690V下可达1750 kW。
使用SINAMICS S120电机模块作为三相制动模块适用于要求极高制动能力,尤其是高连续制动能力的应用。来源于网络
工程师必备
- 项目客服
- 培训客服
- 平台客服
TOP




















