教你如何一分钟快速看图弄懂变频器接线?
2021年9月6日 11:39从上图可以看出,变频器的结构是,先把工频电源,整流成直流,逆变成可变电压和频率的电源来带动电机,任何变频器都一样,只要接对主回路和控制回路就好了。
主回路,就是输入输出而已
变频器有单相和三相之分,单相变频器一般是单相220伏供电的,因为国内民用都使用这种单相电压,所以这种单相变频器也迎合而生,理论上接入电源可以广泛点,很多民用的小设备可以使用这类变频器和电机来完成调速。
上图上半部就是主回路接线,非常简单,输入有个空气开关断路器之类的器件,给变频器L1和N线供电,变频器输出UVW接电机的UVW端,这样主回路的接线就已经完成了,主回路接线,主要是线比较粗,线头一般都要压上线耳,这样和变频器的端子接触电阻小,保证导电性能良好。需要注意的是,单相变频器带动的都是三相220伏的电机,而不是单相220伏电机哦。
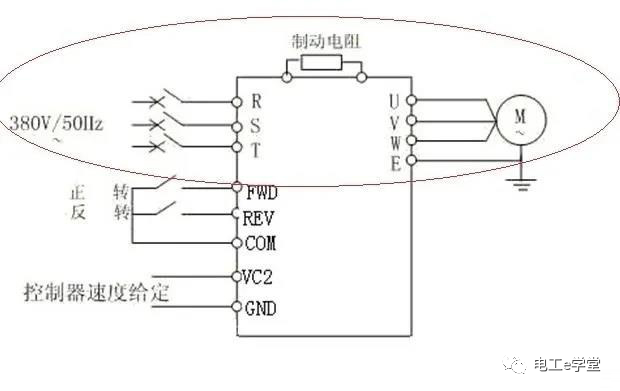
这是三相变频器的主回路接线图,因为工业用电都是三相380伏的,所以这种变频器是工业应用的主体变频器,主回路接线,也仅仅是比单相的多了一条线而已,输入端需要三相断路器,同样要注意保证接线电阻足够小,而且有些启动频繁的,需要外接制动电阻甚至还要外接制动单元,变频器的端子上有这些功能的,按照说明的方法对应接上电阻线就好,当然制动电阻要选对匹配的规格。
控制回路接线,需要根据功能来选择
变频器控制回路,不管单相还是三相变频器都大同小异,分为启动逻辑和转速信号给定两部分,启动逻辑是开关量,包括了停止逻辑,每款变频器上都有这类型的端子可以接上使用的,而且开关另外一边,不是共地就是共阳。
上图红色圈子是启停逻辑接法,左边蓝色是频率给定,一般是模拟量,通过外接一个电位器来抽头取样0-10伏电压给定,这样电位器调整阻值大小时候,变频器收到了一个连续可变的电压指令,对应会输出0-50HZ的频率,达到了调速的目的。有些还可以反过来给定的,下边的就是频率上升或者下降图。
而右边的绿色圈子,是通过开关I/O量给定不同速度段的频率值,三个端子一共有8种状态,去掉0速状态,就可以调出以下的7段速来,本质上和电位器调速并没有太多区别。
以上的接线方法,实际上是传统的I/O控制的接线方法,实际上现在还有网络给定的,比如通过485口,或者一些总线甚至RJ45这些来给定的,这种就一个插头,直接插上就好了。
还有一些是带编码器反馈的把变频器信号和电源正负接对就可以了,一些是带外部I/O连锁控制的,要看实际需要来接。
工程师必备
- 项目客服
- 培训客服
- 平台客服
TOP




















