【机械设计】直线导轨科普篇:安装方法、选型计算,一文全懂!
2021年10月15日 11:50定义
直线导轨又称线轨、滑轨、线性导轨、线性滑轨,用于直线往复运动场合,且可以承担一定的扭矩,可在高负载的情况下实现高精度的直线运动。在大陆称直线导轨,台湾一般称线性导轨,线性滑轨。
分类
分为方形滚珠直线导轨,双轴芯滚轮直线导轨,单轴芯直线导轨。
作用
直线导轨运动的作用是用来支撑和引导运动部件,按给定的方向做往复直线运动。依按摩擦性质而定,直线运动导轨可以分为滑动摩擦导轨、滚动摩擦导轨、弹性摩擦导轨、流体摩擦导轨等种类。 直线轴承主要用在自动化机械上比较多,像德国进口的机床,折弯机,激光焊接机等等,当然直线轴承和直线轴是配套用的。像直线导轨主要是用在精度要求比较高的机械结构上,直线导轨的移动元件和固定元件之间不用中间介质,而用滚动钢球。
自动调心能力
来自圆弧沟槽的DF(45-°45)°组合,在安装的时候,即由钢珠的弹性变形及接触点的转移,即使安装面多少有些偏差,也能被线轨滑块内部吸收,产生自动调心能力之效果而而得到高精度稳定的平滑运动。(我们推荐你关注“机械工程师”公众号,第一时间掌握干货知识、行业信息)
1、具有互换性
由于对生产制造精度严格管控,直线导轨尺寸能维持在一定的水准内,且滑块有保持器的设计以防止钢珠脱落,因此部份系列精度具可互换性,客户可依需要订购导轨或滑块,亦可分开储存导轨及滑块,以减少储存空间。
2、所有方向皆具有高刚性
运用四列式圆弧沟槽,配合四列钢珠等45度之接触角度,让钢珠达到理想的两点接触构造,能承受来自上下和左右方向的负荷;在必要时更可施加预压以提高刚性。
应用领域
①、直线导轨主要用在自动化机械上比较多,像德国进口的机床,折弯机,激光焊接机等等,当然直线导轨和直线轴是配套用的。
②、直线导轨主要是用在精度要求比较高的机械结构上,直线导轨的移动元件和固定元件之间不用中间介质,而用滚动钢球。因为滚动钢球适应于高速运动、摩擦系数小、灵敏度高,满足运动部件的工作要求,如机床的刀架,拖板等。如果作用在钢球上的作用力太大,钢球经受预加负荷时间过长,导致支架运动阻力增大。
使用注意
直线导轨属于精密零件,因而在使用时要求有相当地慎重态度,即便是使用了高性能的直线导轨,如果使用不当,也不能达到预期的性能效果,而且容易使直线导轨损坏。所以,使用直线导轨应注意以下事项:
1、防止锈蚀
直接用手拿取直线导轨时,要充分洗去手上的汗液,并涂以优质矿物油后再进行操作,在雨季和夏季尤其要注意防锈。
2、保持环境清洁
保持直线导轨及其周围环境的清洁即使是肉眼看不见的微小灰尘进入导轨,也会增加导轨的磨损,振动和噪声。
3、安装要认真仔细
直线导轨在使用安装时要认真仔细,不允许强力冲压,不允许用锤直接敲击导轨,不允许通过滚动体传递压力。
4、安装工具要合适
直线导轨使用合适、准确的安装工具尽量使用专用工具,极力避免使用布类和短纤维之类的东西。
安装方法
随着高精密的直线导轨在工业自动化中运用的广泛性,掌握一定的安装技巧是很有必要的,掌握好正确的安装直线导轨的方法,提高导轨的使用寿命与使用精度。
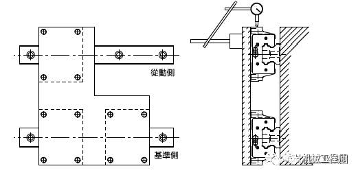
在无侧向定位装配面的安装中为确保从动侧滑轨与基准侧滑轨间的平行度。
一、使用安装基准面安装方法
先使用装配螺丝将直线导轨底部基准面大概固定于床台底部装配面,再用虎钳将滑轨侧边基准面逼紧床台侧边装配面,以确定滑轨位置后,使用扭力扳手,一定的扭力按顺序锁紧固定螺丝,将滑轨底部基准面逼紧床台底部装配面。
二、从动侧直线导轨的安装
1、直线块规法
将直线块规置于两支直线导轨间,使用千分量表校准直线块规,使之与基准侧滑轨之侧边基准面平行,再依直线块规校准从动侧滑轨,从动轨的一端开始校准并依序以特定的扭力锁紧装配螺丝。(我们推荐你关注“机械工程师”公众号,第一时间掌握干货知识、行业信息)
2、移动平台法
将基准侧两个滑块固定在一个测定平台上,而从动侧只装上一个滑块,滑轨和滑块都尚未固定于床台与平台,使用附于从动侧滑块顶面千分量表,量测从动侧滑块的侧基准面,从动直线导轨的一端开始校准并依序以特定的扭力锁紧装配螺丝。
3、效仿基准侧滑轨法
将基准侧直线导轨的两个滑块及从动侧导轨其中一个滑块固定于平台,再将从动侧的滑轨及其另一个滑轨约略分别固定于床台及平台,以基准侧滑轨为准移动平台,从滑轨一端开始,边确认从动侧直线导轨的滚动阻力,边依序以特定的扭力锁紧装配螺丝。
4、专用工具法
使用专业工具确定从动侧滑轨的位置,并依序以特定的扭力锁紧装配螺丝。
选型计算
今天给大家带来直线导轨选型计算,线导轨选型计算这是一门很有必要的章节没有极高参数计算水平和实际应用(维护)经验对设计人员来说,导轨丶丝杆等的凭空选择也是必须的,下面就给大家一一讲解。
滚动直线导轨副特点:
1、滚动体与圆弧沟槽相接触,与点接触相比承载能力大,刚性好。
2、摩擦因素小,一般为 0.002~0.005,仅为滑动导轨副的1/20~1/30 ,节省动力,可以承受上下左右四个方向的载荷。动、静摩擦差别很小。
3、磨损小,寿命长,安装、维护、润滑简便。运动灵活,无冲击,在低速微量进给时,能很好地控制位置尺寸,不会发生空转打滑,并能实现超微米级精度的进给。
直线导轨的选型步骤
滚动功能部件的主要失效形式是滚动元件与滚道的疲劳点蚀与塑性变形,其相应的计算准则为寿命(或动载荷)计算和静载荷计算。某些滚动功能部件还具有滚动体循环装置,循环装置的失效主要靠正确的制造、安装与使用维护来避免。
动载荷计算
C:基本额定动载荷 (N)
Pc:垂直于运动方向的载荷, P/4
fH :硬度系数,一般取值 1
fT:温度系数
fc:接触系数
fw :载荷系数
滚动体额定寿命:球体:50km ;滚子:100km
L:设计总寿命行程 (km)
l:工作行程,即轨道长度 (单位:m)
n:每分钟往返次数 (次/min)
Lh:设计总寿命时间 (参照下页图表 )
直线导轨在设备中的应用及安装方法
1、在安装直线导轨之前必须清除机械安装面的毛边、污物及表面伤痕。注意:直线滑轨在正式安装前均涂有防锈油,安装前请用清洗油类将基准面洗净后再安装,通常将防锈油清除后,基准面较容易生锈,所以建议涂抹上黏度较低的主轴用润滑油。
2、将主轨轻轻安置在床台上,使用侧向固定螺丝或其他固定治具使线轨与侧向安装面轻轻贴合。注意:安装使用前要确认螺丝孔是否吻合,假设底座加工孔不吻合又强行锁紧螺栓,会大大影响到组合精度与使用品质。(我们推荐你关注“机械工程师”公众号,第一时间掌握干货知识、行业信息)
3、由远端向近端按顺序将滑轨的定位螺丝稍微旋紧,使轨道与垂直安装面稍微贴合。垂直基准面稍微旋紧后,加强侧向基准面的锁紧力,使主轨可以确实贴合侧向基准面。
4、使用扭力扳手,依照各种材质锁紧扭矩将滑轨之定位螺丝慢慢旋紧。
5、螺栓锁紧扭矩
丝杆和线轨这种标准化的部件选型还是相对容易的,说穿了就是那么回事,但是其它相应结构的处理和设计才是考验一个设计者能力的地方,需要大量的实践经验和丰富的设计基础知识,这些地方也是没有什么捷径可走的,也行有别人的东西可以参考,但是具体的图纸要求是没有那么容易拿到别人的完整图纸的,所以很多东西还是要自己平时多积累。
免责声明:本文系网络转载,版权归原作者所有。如涉及版权,请联系删除!文中内容仅代表作者个人观点,转载不同于本平台认同或者持有相同观点。
工程师必备
- 项目客服
- 培训客服
- 平台客服
TOP




















