【专业知识】唠一唠常用标准件安装公差配合及应用参考,实用干货卷起来!
2022年3月30日 13:08浏览:3350
一、径向轴承配合公差参考
一般来说,标准轴承内圈孔的公差为H7,轴承外圈的公差为h6;轴承内圈与轴的配合为H7/h7或H7/js6(基孔制),轴承外圈与外壳孔的配合为H7/h6或JS7/h6(基轴制)。
如下图 B6703ZZ 轴承轴颈和外壳孔的标注:
二、直线轴承公差配合参考
直线轴承与导向轴的配合为H7/g6(基孔制),直线轴承衬套与安装孔的配合为H7/h7(基轴制)。注意定位基准不同时采用的配合公差略有不同。
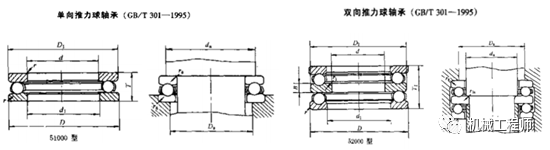
三、端面推力球轴承公差配合参考
按装配的实际配合要求选择,通常参考上述公差配合,精度到丝级,小数点后两位,第三位小数点通常结合经验一般按四舍五入取,特殊机构除外。
四.定位销/轴公差配合参考(优先采用基孔制,孔 IT7,轴 IT6)
五、联轴器与轴的配合公差参考
六.键公差配合参考(普通平键的公差 b1 b2)
一般情况参考上述设计,特殊要求时按实际需要设计。
七.卡簧的公差配合参考 (单位 mm)
八.电机安装卡位的配合公差参考
九.同步轮安装配合公差参考
十.气缸联接安装的配合公差参考
十一.常用线性导轨配置公差配合参考
十二.交叉滚子导轨安装公差配合参考
一般情况参考上述设计,特殊要求时按实际需要设计。
技术邻APP
工程师必备
工程师必备
- 项目客服
- 培训客服
- 平台客服
TOP




















