基于单脉冲试验的IGBT模型的电压应力测试分析
2022年4月15日 16:56关键词:IGBT,单脉冲,电压应力器
作者:田建平
IGBT(绝缘栅双极型晶体管)是由MOS(绝缘栅型场效应管)和BJT(双极型三极管)组成的复合全控型电压驱动式功率半导体器件,IGBT作为功率设备的核心器件,在电力电子设备中有着广泛的应用[1-2]。市场不仅追求着低成本和高功率密度,对性能和可靠性要求也更高[3-4]。IGBT的开关暂态特性限制着它的最大工作结温、最大开关频率、EMC性能、散热性能、优化电路系统等性能[5]。
为了进一步了解IGBT工作性能,笔者搭建了光伏3代IGBT采用T型三电平拓扑,额定输出线电压315V,电流230A,设计输入电压范围500~1000V。目前备选IGBT模块为英飞凌F3L400R12PT4_B26、西门康SKiM400TMLI12E4B、富士4MBI400VG-120R-50。英飞凌IGBT模块已经搭建了实验样机,初步的测试表明英飞凌IGBT模块的关断电压应力很大。因IGBT桥臂的耐压为1200V,关断时只承受一半的母线电压,电压应力不是问题。IGBT的钳位耐压值为650V( 英飞凌、西门康) 或600V( 富士),关断电压尖峰问题很严重[6]。
单脉冲测试原理
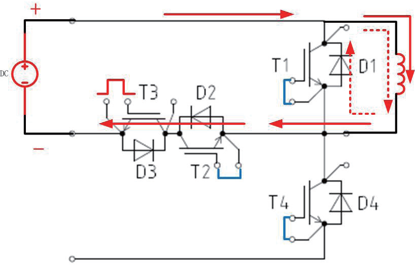
本文设计IGBT测试采用单脉冲测试,开通或关断状态都能测试。为方便起见,只对T3做单脉冲测试。单脉冲实验原理示意如图1和图2所示。
图1 英飞凌IGBT模块示意图
图2 富士IGBT模块示意图
图1为英飞凌IGBT示意图,对T2做单脉冲测试时,短路其他IGBT门极。电压施加于BUS+和BUS_N功率端子,电感器并联于BUS+和交流输出端子。当T2 IGBT开通时,母线电压通过T2反并二极管D2 T3施加于电感上,电感电流线性上升,如红色实线所示。当到达某时刻,T3关断,电感电流通过T1反并联二极管D1续流,如红色虚线所示。控制T3 IGBT导通时间,可以改变IGBT关断时的电流[7]。
图2为富士IGBT单脉冲测试示意图,选用的富士IGBT采用RB-IGBT。T3开通时,母线电压通过导通的T3施加于电感上,电感电流线性上升,如红色实线所示。当到达某时刻,T3关断,电感电流通过T1反并联二极管D1续流,如红色虚线所示。改变T3导通时间可以控制T3关断电流值的大小,如图3所示为测试波形图。
图3 单脉冲测试波形示意
一般来讲,IGBT模块DC母线侧都会并联高频Snubber电容。有母线Snubber电容情况下,IGBT关断电压过冲分为两部分,如图4所示。第一个尖峰宽度很窄,电压值最高,见图4中的ΔV1。这主要是IGBT内部寄生电感和Snubber电容寄生电感产生的。第一个尖峰之后为频率较低的衰减震荡,造成的电CE电压过冲为ΔV2。这主要是IGBT关断造成电流变化,导致寄生电感与Snubber电容发生谐振。ΔV2受到寄生电感及关断电流影响。
单脉冲( 或双脉冲) 测试时,可以在母线两端加Snubber电容,这样测试中产生的第一个电压过冲同实际情况基本相同,具有较大的参考价值。第二个电压过冲受测试系统的母线寄生电感影响,与实际情况差异较大[8]。
图4 IGBT关断电压应力示意图
RCD缓冲电路
对IGBT电压应力的影响
按照光伏2代设计,三电平逆变输出端子可以增加RCD(电容电阻二极管)缓冲电路来吸收电压尖峰。单脉冲测试时,也可以增加RCD缓冲电路。图5为富士IGBT模块T3管单脉冲测试时RCD缓冲工作示意图,英飞凌和西门康缓冲电路类似,不再赘述。
图5 T3管RCD缓冲示意图
T3关断时,电感电流一部分通过T1反并联二极管D1续流,一部分通过RCD缓冲电路Ds流向电容Cs,Cs电荷通过放电电阻Rs泻放。交流输出端子U电压可以通过电容Cs钳位,Cs电压一般维持在母线电压,因此T3关断电压应力得以降低。同时直流输入侧并联Snubber电容C_sn。
在图5所示的测试电路中,T3的关断电压应力主要受以下几个因素影响:
1)门极驱动电阻;
2)关断电流;
3)Snubber电容C_sn;
4)RCD缓冲电路。
关断电压应力不仅受驱动电阻的影响,母线Snubber电容,RCD缓冲电容也会影响电压应力。
英飞凌IGBT模块测试了三种外围缓冲电路下的关断电压应力:
母线Snubber电容0.68 μF,无RCD缓冲,电容采用的是厦门法拉的MKP82系列金膜电容,此系列电容0.56μF型号用于光伏2代IGBT吸收;
母线Snubber电容2.2μF,无RCD缓冲,电容采用的是厦门法拉的C82系列IGBT吸收专用电容,此系列用于UPS工频机IGBT吸收;
母线Snubber电容2.2μF,加RCD缓冲,RCD缓冲参数如下:C:0.1μF/630V×2,D:1200V/60A 二极管×2,R:51Ω。
测试关断电流分别选择了350A~400A(中电流) 和550A~600A(大电流) 两个电流范围,其中350A~400A 对应110%负载工作时的最大电流,550A~600A对应逐波限流电流。这两种电流范围是IGBT工作时两种考核工况。图6为英飞凌IGBT在不同驱动电阻下的电压应力的测试结果。
图6 英飞凌IGBT电压应力变化趋势
从实验结果可以看出,中等电流下,Snubber电容2.2μF电压应力明显低于0.68μF。但增加了RCD缓冲后,应力改善不明显,且只在驱动电阻较小时有效,驱动电阻增大后几乎无效果。大电流下,RCD缓冲反而起到了反作用,电压应力反而更高。这与英飞凌IGBT封装有关,其输入输出引脚距离很远,RCD缓冲路径太长,吸收效果很差。
对英飞凌IGBT模块,不建议增加RCD缓冲电路,通过选择高频特性更好的Snubber电容能有效降低关断电压应力[9]。
图7为英飞凌IGBT在不同电流下电压应力对比曲线。外围缓冲电路都采用了方案2。结果可以看出,中等电流和大电流下,英飞凌IGBT应力差异不大,驱动电阻较大时,差异更小。因此对英飞凌IGBT来讲,逐波限流时电压应力同正常工作时差异不大。也就是说,通过减小逐波限流电流的方法减小电压应力,效果不明显。
图7 不同电流下英飞凌IGBT电压应力对比
英飞凌IGBT模块T3关断典型波形如图8。测试条件为:母线电压300V,驱动电阻10Ω,关断电流约370A,结温约25℃,外围缓冲电路为方案2。因英飞凌IGBT模块寄生电感较大,因此关断电压尖而高。英飞凌模块在驱动电阻较小时比较敏感,当驱动电阻增加到一定程度,电压应力下降变缓慢。
图8 英飞凌IGBT模块T3关断典型波形
电压应力解决方案
从实验结果来看,解决钳位IGBT应力过高问题主要有以下两种思路。
1)增大驱动关断电阻;英飞凌和西门康IGBT需要增大关断电阻到33Ω才能将电压过冲控制到150V以内;富士钳位IGBT耐压600V,需要将电压过冲控制在100V以内,即使将驱动电阻增加到100Ω也无法满足降额要求。
2)采用有源钳位驱动,关断电压应力过高时,通过CG极之间的TVS反馈,降低关断就电压应力。经分析,以上两种方案都存在一些弊端。
对方案1)增大驱动电阻,存在如下几个弊端。
A. 驱动电阻加大导致驱动延时增加,西门康模块采用33Ω驱动电阻时,驱动关断延时高达2.8μs,17Ω也有约2μs,预计死区时间必须达到4~5μs才能满足要求。
B. 限制桥臂IGBT开通速度。桥臂IGBT开通太快时,钳位IGBT的CE之间电压上升速率太快,通过CG之间的密勒电容形成位移电流,抬高钳位IGBT的G极电压,导致漏电流加大。关断电阻越大,这个效应越明显。光伏2代逆变器上内管IGBT的实验波形如图9所示。应对此问题有如下两种方法。
方法一是关断钳位IGBT时采用两段驱动电阻,阀值电压以上采用较大的驱动电阻以降低关断电压应力,阀值电压以下采用较小的驱动电阻,防止门极电压被冲高。方法二,钳位IGBT的GE之间并联电容,压制门极电压上冲,但这种方法反过来会加大IGBT关断延时。
图9 光伏2代内管IGBT驱动波形
探头设置为:黄线为逆变电感电流;蓝线为内管Vce电压红线:内管Vge电压,开关损耗增加,导致结温不满足降额要求。以西门康IGBT为例,开关损耗驱动电阻都按5Ω驱动电阻计算。
若桥臂IGBT开通电阻由5Ω变为10Ω,单次开通损耗由21mJ增加到47mJ,T1/T4开关损耗由105W增加到162W( 输入电压750V,输出电流252A,功率因数1),总损耗由2152W增加到2493W,增加15.6%。
若钳位IGBT关断电阻由5Ω变为10Ω,单次关断损耗由27mJ增加到45mJ,低压穿越时( 输入电压800V,输出电流252A,功率因数0),T2/T3开关损耗由49.6W增加到70.4W,T2/T3总损耗由203.4W增加到224W,增加12%,进一步增加了低压穿越时的热应力。
若钳位IGBT关断电阻由5Ω变为10Ω,单次关断损耗由27mJ增加到45mJ,调无功时( 输入电压750V,输出电流252A,功率因数0.8),T2/T3开关损耗由10.2W 增加到14.5W,T2/T3总损耗由96.2W增加到100.5W,增加4.4%。
对方案2),采用有源钳位驱动,存在如下风险:
1) 有源钳位驱动我司无人采用,无调试经验;
2) 钳位反馈用的TVS要求很高,选型较困难,且损耗较大;
3) 单边母线过压,如果超过有源钳位电压,可能导致IGBT进入线性工作区,导致过热烧毁。
结 论
从单脉冲测试结果来看,西门康IGBT模块关断电压应力最低,在关断电阻33Ω时能满足电压降额要求。如果进一步改进母线Snubber电容,采用用17Ω驱动电阻,关断延时较大。
富士模IGBT模块采用的RB-IGBT特性较特殊,驱动电阻很大。在驱动电阻100Ω、采用RCD缓冲情况下电压过冲控制在160V左右。做到1000V输入电压工作几乎不可能,如输入电压降低为900V,适当改进也可能满足要求。
英飞凌IGBT模块电压应力较差,采用33Ω较大驱动电阻,电压过冲也可以控制在150V左右。
工程师必备
- 项目客服
- 培训客服
- 平台客服
TOP




















