比亚迪高电压快充原理

知识星球到期的会员朋友,续费请使用80元优惠券、新人50优惠券发送中!
漫画是前奏,硬菜在后,一定要看完,分享不易,点个关注!
比亚迪高电压快充原理的图1
解决用户单次充电时间长,缓解用户充电和里程焦虑问题,发展大功率充电技术得到国内外行业参与者的普遍共识,其中以欧美的知识星球到期的会员朋友,续费请使用80元优惠券、新人50优惠券发送中!保时捷、特斯拉为代表的车企走在了前列,并已实现商业应用。
充电功率=充电电流×电池电压,因此要提升充电功率务必要提升电池电压或者充电电流,同时形成了两个技术特点,其中保时捷Taycan第一个将800V高压充电应用到实车。

比亚迪高电压快充原理的图2
不同充电功率的充电时间
比亚迪高电压快充原理的图3
我们再来看一下Taycan和Model 的快充曲线对比。我们会发现Taycan(蓝色)可以达到更高的充电功率。
比亚迪高电压快充原理的图4 Taycan和Model 的电平台对

比亚迪高电压快充原理的图5


Taycan升压原理
2019年底一豪华纯电品牌推出了其电动车型,将高压电气电压平台直接由传统400V提升到了800V,第一款800V高电压电气架构横空出世,他就是保时捷的Taycan。

比亚迪高电压快充原理的图6

其高压电气架构图如下:
比亚迪高电压快充原理的图7
Taycan的电气架构中,直流充电存在两路充电回路,一路直接连接800V动力电池,此回路可在其专用高压充电桩使用,另外一路是连接400V转800V的直流车载充电机,在普通充电桩使用。
下图显示在使用400V充电桩时,Taycan的最高充电功率可达到150KW。
比亚迪高电压快充原理的图8
不惜在车上增加如此复杂的电压转换设备,保时捷Taycan最主要的目的就是要缩短用户在充电上付出的时间成本。而在其他高压部件以及电池快充能力取得进步之后,保时捷Taycan及其后续车型还有望在350kW充电功率的基础上,进一步发掘出800V电压平台的潜力。

比亚迪高电压快充原理的图9
                               400V升800V的升压充电机

比亚迪高电压快充原理的图10


保时捷Taycan采用了电荷泵升压的原理,特点是不需要线圈,直接告诉外部的直流充电站1/2的实际需求电压,然后通过电荷泵进行拉升电压。采用60Hz的控制频率,先让电路总为C1和C2充电,然后通过C1和电压源串联,提升充电电压。
下方为电荷泵升压原理。
比亚迪升压快充原理

升压的意义

想要认识升压充电的价值,就必须先解释一下为何要升压充电?简单概括两点:
现有快充网络的充电桩最高输出电压多数为500V。
如果电池包电压高于500V,例如额定600V,想要给电池包充进电能,则需要将充电桩的500V电压在车内升高至600V之上。(人往高处走,电往低处流)
之前的解决方案,是使用独立的升压电路。从下面这张PPT上可以看出,独立的升压电路包括两个IGBT半导体开关(含续流二极管)和一个电感及电容,这些器件独立于电驱(或电控)三合一,分开安装
比亚迪高电压快充原理的图11
后来的汉EV使用了“驱动复用升压充电”方案
比亚迪高电压快充原理的图12
以下是比亚迪汉得充配电原理图,可以看出直流充电经过了电机总成然后进入动力电池,其充电回路为:
直流充电桩(500V)——车上直流充电口——充配电——驱动电机——驱动电机控制器——充配电——高压动力电池包
比亚迪高电压快充原理的图13
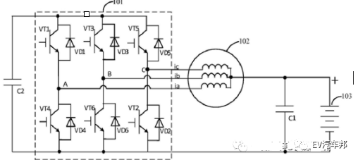
驱动复用的含义正是如此。比亚迪的充电回路设计的很巧妙,没有将充电桩直流输入的电源DC+和DC-直接接到电池包两根直流母线上,而是利用了IGBT逆变桥及电机定子绕组,搭出了一个Boost升压电路(见下图蓝色线路部分)。图中接触器断开时,这就是一个普通的电机驱动回路;接触器闭合时,这就是一个充电回路。这种设计的好处是,三相IGBT、续流二极管和电机绕组都可以并联在一起使用,功率足够大(前电机163kW),并且不需要额外的散热回路和安装空间。
比亚迪高电压快充原理的图14

比亚迪高电压快充原理的图15
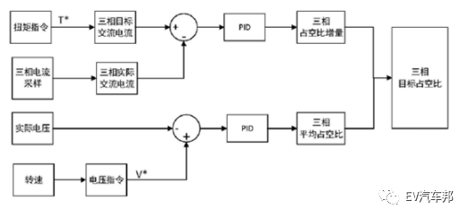
下面这个图就是比亚迪的专利里面展现的框图,103是外部的电压源,可以理解为充电桩,通过电机的线圈和IGBT模块组成三个并联的boost电路,通过调整三相不同IGBT开关的占空比和频率,来实现对充电桩电压的升压操作。C2就是车上的动力电池,通过这个系统升压在C2上得到一个高电压。
比亚迪高电压快充原理的图16
比亚迪高电压快充原理的图17
比亚迪高电压快充原理的图18
比亚迪高电压快充原理的图19
比亚迪汉得升压boost电路原理见视频

比亚迪高电压快充原理的图20

知识星球到期的会员朋友,续费请使用80元优惠券、新人50优惠券发送中!

比亚迪高电压快充原理的图21  800V专区  比亚迪高电压快充原理的图22

 往期精彩回顾


比亚迪高电压快充原理的图23 Tesla专区  比亚迪高电压快充原理的图24


 往期精彩回顾





比亚迪高电压快充原理的图25   电子电气专区比亚迪高电压快充原理的图26

 往期精彩回顾





比亚迪高电压快充原理的图27
登录后免费查看全文
立即登录
App下载
技术邻APP
工程师必备
  • 项目客服
  • 培训客服
  • 平台客服

TOP

1
2