工业液压阀的结构原理基础讲解

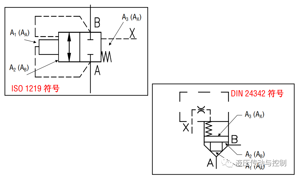
滑阀式方向阀原理及特性

工业液压阀的结构原理基础讲解的图1

NG6通径电磁阀拆解图

工业液压阀的结构原理基础讲解的图2

工业液压阀的结构原理基础讲解的图3

工业液压阀的结构原理基础讲解的图4

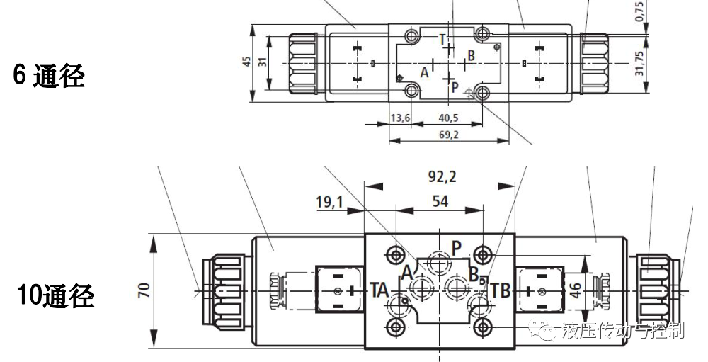
油口布置

工业液压阀的结构原理基础讲解的图5

工业液压阀的结构原理基础讲解的图6

工业液压阀的结构原理基础讲解的图7

工业液压阀的结构原理基础讲解的图8

工业液压阀的结构原理基础讲解的图9

工业液压阀的结构原理基础讲解的图10

工业液压阀的结构原理基础讲解的图11

工业液压阀的结构原理基础讲解的图12

工业液压阀的结构原理基础讲解的图13

工业液压阀的结构原理基础讲解的图14

单向阀原理及特性

工业液压阀的结构原理基础讲解的图15

工业液压阀的结构原理基础讲解的图16

工业液压阀的结构原理基础讲解的图17

工业液压阀的结构原理基础讲解的图18

压力控制阀原理及特性

工业液压阀的结构原理基础讲解的图19

工业液压阀的结构原理基础讲解的图20

工业液压阀的结构原理基础讲解的图21

工业液压阀的结构原理基础讲解的图22

工业液压阀的结构原理基础讲解的图23

工业液压阀的结构原理基础讲解的图24

工业液压阀的结构原理基础讲解的图25

工业液压阀的结构原理基础讲解的图26

工业液压阀的结构原理基础讲解的图27

工业液压阀的结构原理基础讲解的图28

工业液压阀的结构原理基础讲解的图29

减压阀原理及特性

工业液压阀的结构原理基础讲解的图30

工业液压阀的结构原理基础讲解的图31

工业液压阀的结构原理基础讲解的图32

工业液压阀的结构原理基础讲解的图33

工业液压阀的结构原理基础讲解的图34

工业液压阀的结构原理基础讲解的图35

流量阀原理及特性

工业液压阀的结构原理基础讲解的图36

工业液压阀的结构原理基础讲解的图37

工业液压阀的结构原理基础讲解的图38

工业液压阀的结构原理基础讲解的图39

工业液压阀的结构原理基础讲解的图40

工业液压阀的结构原理基础讲解的图41

工业液压阀的结构原理基础讲解的图42

插装阀的原理特性及正常使用

工业液压阀的结构原理基础讲解的图43

工业液压阀的结构原理基础讲解的图44

工业液压阀的结构原理基础讲解的图45

工业液压阀的结构原理基础讲解的图46

工业液压阀的结构原理基础讲解的图47

工业液压阀的结构原理基础讲解的图48

工业液压阀的结构原理基础讲解的图49

工业液压阀的结构原理基础讲解的图50

工业液压阀的结构原理基础讲解的图51

工业液压阀的结构原理基础讲解的图52

工业液压阀的结构原理基础讲解的图53

工业液压阀的结构原理基础讲解的图54

- END -
工业液压阀的结构原理基础讲解的图55

登录后免费查看全文
立即登录
App下载
技术邻APP
工程师必备
  • 项目客服
  • 培训客服
  • 平台客服

TOP

3