无人机电调、电机的工作原理
2021年4月1日 16:23电机目前有两种类型:有刷和无刷。现在市场上多数流行用无刷。
一是因为动力足,
二是因为寿命长,
三是因为效率高,
四是因为也并不贵。
无刷是目前的主流,所以这里重点讲讲无刷电机。无刷电机有三根线。没有像有刷那样的一对电刷,故称无刷。有刷电机有一对电刷,使用到一定次数,电刷就被磨损殆尽,于是得更换电刷。无刷电机没有电刷,这是它寿命远大于有刷电机的主要原因。无刷效率比有刷高,注意不是指无刷一定比有刷提供的动力强劲。效率高指耗费同样的电力无刷比有刷能提供更大的动力。
有刷转动时可以不用电调设备,但无刷电机要工作,就必须配有电调,关于电调,下面会讲到。
大小尺寸:5208,前两位数字代表的是定子线圈的直径。后两位是定子的高度。
KV值:意思是转速/V。同等大小的电机规格下,KV值越小,扭矩越大 。
大KV配小桨,小KV配大桨
定子粗的,力气大。
整机重量,应该小于电机最大动力的2/5
电子调速器ESC(英文:电子,速度,控制器)习惯上称为电调。其作用是根据飞控的控制信号,将电池的直流输入转变一定频率的交流输出,用于控制电机转速。
因为电机的电流是很大的,一般小一点的多旋翼正常工作时平均都会有5到10A左右的电流,如果没有电调,飞控是很难承受这么大的电流,而且飞控是没有驱动电机的能力。现在市面上使用的电调主要分为两种,一种是带BEC的一种是带BEC的电调,简单理解为带BEC的可以将电池的电压变为5V给飞控供电,不带的就没有5V的电。
电调上一般会标上多少A,如20A,这个数字就是电调能够承受的最大的瞬时电流,再大的电流可能会烧坏电调,一般选取飞行器悬停时电流的4倍到五倍规格的电调,这样有足够的余量。如电机的悬停电流是5A,我们就要选取20安以上的电调,因为飞机在悬停的时候要抗风等其他外界因素,这个时候电流就会增大。
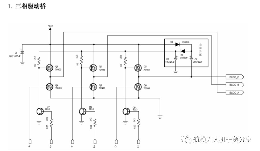
下图为无刷电机的三相全桥驶动电路,使用六个N沟道的MOSFET管(QI〜Q6)做功率 输出元件,工作时输出电流可达数I安。为便于描述,该电路有以下默认约定:Q1/Q2/Q3 称做驱动桥的“上臂”,Q4/Q5/Q6称做“下臂”
用比较器检测过零点的基木电路接法,电机的相线(A/B/C)接比较器的同相输入端, 比较器的负端接相线A/B/C的虚拟地电位。虚拟地电位由A/B/C相经过电阻隔离形成,详细原理可参考相关资料。相线上产生的反电动势电压以虚拟地为参考点,做正负周期性的变化。在每次比较器输出状态翻转时,说明检测到了过零点,接下来需要做换相动作了。A/B/C 三相分别需要一个过零点检测电路,也可用电了开关电路进行实时切换,A/B/C相共用一个过零检测电路,这通常在集成了模拟外设的MCU内实现。
线圈的换相顺序。应用中需要调换电机的转动方向,只需要把电机的任意两根相线对调即可。
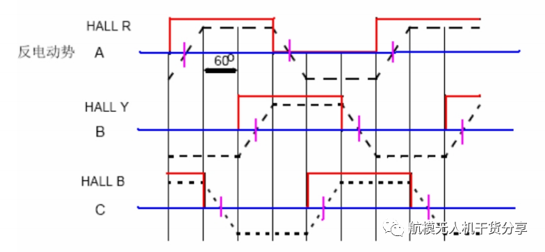
理想的反电动势波形和霍尔传感器输出波形对比图,从图中可看出,反电动势的过零点和霍尔传感器的波形翻转同步,如果用此反电动势过零信号进行程序换相会获得和何感无刷电机一样的运转性能。
实际的反电动势波形和霍尔波形对比图如上所示,红线为霍尔的输出波形,黑色虚 线是反电动势,紫色竖线为反电动势的过零点,时间轴的方向为从左往右,可以得知反电动势的过零点比霍尔传感器的输出波形提前了半个电节拍,即30度电角度。为了能够在正确 的时刻才换相,需要在检测到反电动势过零点后延迟30度电角度之后,才进行换相。究竟延迟多长时间才够30度时间呢?需要对相邻两个过零点之间的时间进行计时,因为无刷电 机的转速是会变化的,相应的电周期也会变化。用定时器得到计时值后除以2就是当前电机 转速下的30度电角度延迟时间值,把此时冋值装入一-个定时器,并打开该定时器中断,等延时完毕进中断即可完成电机换相。
本文部分资料、图片来自网络,若有侵权联系删除.
工程师必备
- 项目客服
- 培训客服
- 平台客服
TOP




















