三起所谓漏电保护器的“误动作”的案例分析,原来都是错误接线造成的!
2021年5月17日 15:40在供电线路中安装漏电保护器,不仅能预防用电事故发生、保护人民生命财产安全,而且是防止漏电引起火灾事故的重要措施。漏电保护开关以漏电电流小、动作灵敏、抗干扰性好、性能稳定、保护功能多、安装使用简便,成为低压电网中必不可少的安全保护装置。本人就这几年来在电气安全检查中发现的漏电开关接线错误进行剖析,供广大电工朋友们在实际中引起重视。
案例一:负载侧零-地不分造成误动作
如图1所示:由于漏电开关之后零线重复接地,当三相用电不平衡、或单相负载工作时,零线上有电流I流过,正常的工作电流经接地点分流后,分流电流I2入地,造成漏电开关误动作。当工作零线N和保护零线PE分开后,正常工作电流经工作零线流回,漏电开关正常工作。
案例二、 三相四线制电路使用三极漏电开关造成误动作
2009年3月市建公司财政大楼工地,工地塔吊时常停电。现场安全员经过多次调查,发现是漏电开关动作造成塔吊停电。当时以为是漏电开关问题,叫电工换了一个新的100A的漏电开关。送上电后塔吊工作,过几天塔吊又老出问题。当我到现场工地后,在安全员的帮助下,认真地检查线路,发现使用的是三极漏电开关,开关后临时接了一根照明线路。如图2所示:
三极漏电开关用于三相四线电路中,由于零线上的正常工作电流不经过零序电流互感器,因此只要一启动单相负载,漏电断路器就会动作。经过分析,我叫现场电工小刘合上照明灯开关,刚合上灯一闪就停电,发现漏电开关动作。反复几次后,我再叫电工小刘将临时照明线路接在漏电开关进线端,再合上开关K,灯亮并且塔吊正常工作,问题就处理好了。
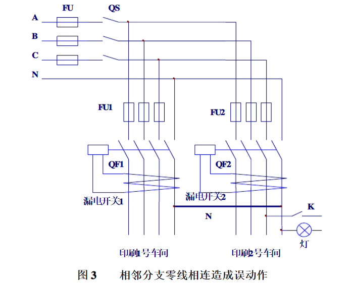
案例三、相邻分支零线相连造成误动作
2009年6月我到市印刷公司上电工安全技术培训课,课后电工班长吴海亮提了一个问题,说一号印刷车间漏电开关时常误动作。组织电工经多次检查车间线路,未发现问题,并且漏电开关换了好几个。问题一直没有处理好。换下的开关接在其他线路能正常工作。就这个问题我和电工们一起到现场检查线路,发现车间电缆很好。没有漏电情况,那么漏电开关为何误动作呢?我当时想是不是特殊设备工作,造成电网干扰。可单位都是普通设备,没有强磁场。最后我认真地检查总开关箱,并且画出电路图问题终于找到了。两路漏电开关后零线又连在了一起,造成了漏电开关误动作。当即叫电工把两路零线断开,开关误动作再也没出现了。现分析如下:开关箱电路如图3所示
QF1漏电开关灵敏度为30mAS,QF2漏电开关灵敏度为50mAS。由于通过漏电开关后两零线错误连在一起,当印刷2号车间三相用电不平衡或单相用电时,零线电流会分两路分别经过两漏电开关,由于1号灵敏度高先动作,1号车间停电,而2号车间正常工作。因此:在安装漏电开关线路中,相邻分支线路的零线不能再相连,否则会造成误动作。
前期更新的电工实操训练教程已上传网盘,
分享下方二维码或公众号文章至100人以上电工群,
截图私聊给小编,
即可获取!
工程师必备
- 项目客服
- 培训客服
- 平台客服
TOP




















