CT的二次接线及更换知识
2021年5月19日 11:38首先,先来几张触目惊心的CT故障烧毁的图片
为尽快恢复送电首要任务就是要更换CT,那么更换CT需要保护班的同学们做哪些工作呢?更换CT包括拆、换CT和相应的试验测试两个步骤,拆CT时务必记下CT一次及二次侧的接线位置,更换完CT后要确保所换CT接线的正确性、CT极性的正确性、CT变比的正确性。
更换CT的基本步骤如下:
首先要拆除与旧CT相连的一次接线与二次接线,拆除前应记录好一次与二次接线的位置。由于涉及的CT二次接线比较多,所以在拆除CT的二次绕组接线前,务必要检查记录好CT二次绕组的接线位置,采取拍照加手工记录的方式。
拆除旧CT,对试验合格的新互感器眼距进行测量后对比原支架眼距,若眼距不同则需根据现场具体情况进行改造,以满足安装要求。
-
安装新的CT,注意CT的安装方向及位置。 -
恢复CT的一次及二次接线,按照前面记录的接线位置,复原接线,并压紧螺丝,严防松动开路。 -
进行CT极性试验,验证CT极性是否正确。 -
进行CT变比试验,验证CT变比是否和规定的一致。 -
进行完更换CT及相应的测试试验后,如果更换前后的CT变比不一致还需进行修改定值的工作。
图二是主变ABC三相母排,通过套管穿墙进入35kV高压室,然后与图三的三个CT(分别是A、B、C三相)的P2端分别相连,从P1端离开CT与图四的线路侧静触头相连,经断路器手车与母线静触头相连。看到这里大家是不是对CT在整个回路中的位置以及CT的一次接线有了一个清晰的了解呢。
下面再了解一下CT的二次接线。
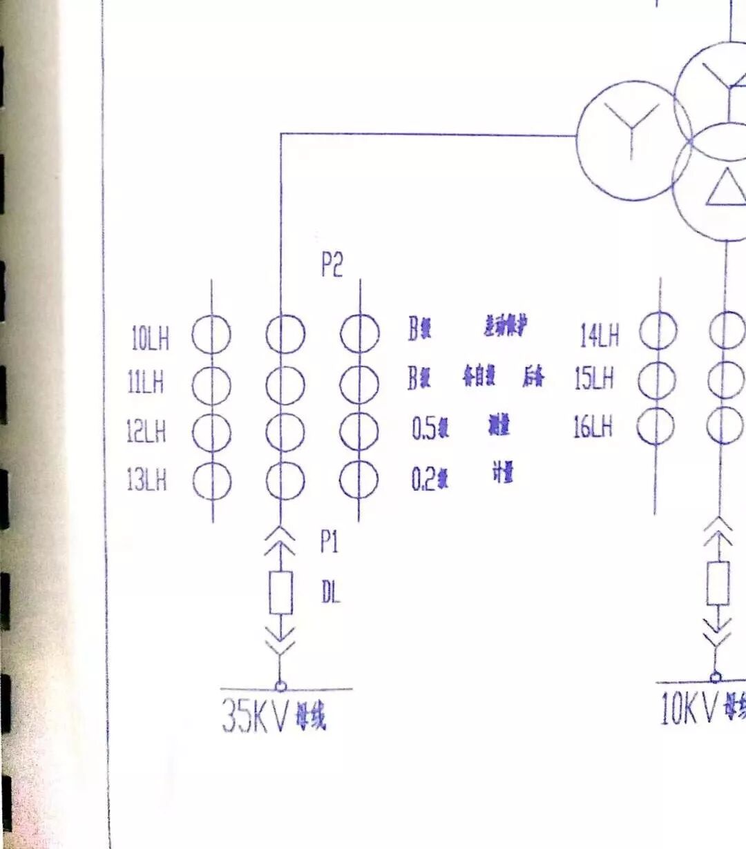
电流互感器(CT)是电力系统重要的电气设备,它承担着高、低压系统之间的隔离及高压量向低压量转换的职能。其接线的正确与否,对系统的保护、测量、计量等设备的正常工作有极其重要的意义。
结合现场CT的铭牌以及图纸可知具体的CT二次侧接线为1S1-1S2为计量使用,2S1-2S2为测量使用,3S1-3S2为备自投和后备保护使用,4S1-4S2为主变中压侧差动保护使用。具体的二次侧电流回路走向及主变中压侧开关柜端子排图如下图所示:
以A相CT的二次侧绕组为例,A相CT有四个绕组,分别接线到开关柜端子排X4,再从端子排经过连片接线到相应的装置,其中1S1-1S2连接到端子排的X4-2,X4-1,经连片后连接到电能表;2S1-2S2连接到端子排的X4-9,X4-8,经连片后连接到测控装置;3S1-3S2连接到端子排的X4-16,X4-15,经连片后连接到备投;4S1-4S2连接到端子排的X4-23,X4-22,经连片后连接到差动保护;
完整的计量回路、测量回路、备投、后备保护、主变中压侧差动保护电流回路图如下所示:
计量回路
测量回路
备投、后备保护电流回路图
主变中压侧差动保护电流回路图
在安装完CT后需要进行CT极性及变比的测量。关于CT极性的知识,前几期的公众号中都有涉及此处不再赘述,只介绍一下用仪器法测量极性及变比的方法。
采用互感器变比极性测试仪来测定CT的极性以及变比,其内部采用恒压源,测量范围广,便于携带,不仅可以直观的显示CT极性、变比值,还可以测量CT的直阻和励磁特性等,简单直观,目前广为采用。
试验过程中有两点需要注意:
1.分相测试时,进行某相的测试,要观察非测试相应无变化。
2.多绕组CT,应将每一个绕组分别测试,不得有遗漏。
感谢您对电力讲坛的关注
更多电力知识,请返回公众号点击文章回顾查阅!
工程师必备
- 项目客服
- 培训客服
- 平台客服
TOP




















