你把三相电机正反转自锁互锁弄清楚,就能轻松接线了!
2021年9月3日 11:47三相电机正反转电路是电工必学的基础知识,在实际生活以及工作当中我们也需要使用这个知识,那么三相电机正反转涵盖了哪些知识点呢?
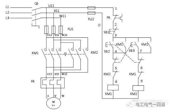
电机要实现正反转控制,将其电源的相序中任意两相对调即可(我们称为换相),通常是V相不变,将U相与W相对调,为了保证两个接触器动作时能够可靠调换电动机的相序,接线时应使接触器的上口接线保持一致,在接触器的下口调相。由于将两相相序对调,故须确保二个KM线圈不能同时得电,否则会发生严重的相间短路故障,因此必须采取联锁。
所以想要三相电机正反转,核心就是换相、自锁、互锁。
三相换相的方法,主电路的构成
想要换相以及控制三相电机,那就离不开交流接触器,准备两个交流接触器,三相L1,L2,L3分别进入两个交流接触器上端,然后在反转交流接触器下端出现的时候,更换其中两相的相序,一般是L2相序不动,L1与L3互调,然后与正转交流接触器出线端一同接入电动机。
主电路中除了交流接触器以外,还需要增加热继电器,热继电器在电路中可以起到过载保护,在选择热继电器的时候要注意选型,选择好合适的电流值。
三相电机自锁的方法,控制电路构成
主电路连接完成,我们就要开始连接控制电路,控制电路中第一个连接要点就是自锁,自锁是保证电动机能够稳定、持续运行的方法,其中在PLC编程中也是需要编写起保停,方法很简单。
控制回路要选择好交流接触器的电压,如果是380V可以直接从三根相线中抽出两根控制,如果是220V电压的交流接触器,那就需要另外一根零线,因为是正反转电路,所以需要使用两个交流接触器,一根相线进入热继电器的常闭触点以后,然后再连接停止按钮,分别进入两个启动按钮,两个启动按钮上并联各个交流接触器的常开触点,然后回到交流接触器线圈,回到另外一根相线(零线),这就是自锁电路。
三相电机互锁的方法,电气互锁
在互锁的知识点中,我们分为电气互锁、机械互锁、按钮互锁,因为电动机的正反转控制操作中,如果错误地使正转用交流接触器和反转用交流接触器同时动作,形成一个闭合电路后三相电源的L1相和L3相的线间电压,通过反转交流接触器的主触头,形成了完全短路的状态,所以会有大的短路电流流过,烧坏电路。所以,为了防止两相电源短路事故,接触器KM1和KM2的主触头决不允许同时闭合。
有了这个要求,我们就要采取互锁(联锁)的方法进行限制,首先介绍电气互锁,电气互锁是把反转电路的交流接触器常闭触点接入正转电路中,把正转电路的交流接触器常闭触点接入反转电路中,这样在任何情况下,电路中只能有一个交流接触器得电,机械互锁是通过机械部件实现互锁,可以通过机械杠杆,使得一个开关合上时,另一个开关被机械卡住无法合上,限制两个交流接触器同时得电。
三相电机互锁的方法,按钮互锁
在三相电机互锁中还有一种互锁方法就是按钮互锁,按钮互锁的目的有两个,第一个,防止两个交流接触器同时得电,第二个,可以不用停止直接切换正反转。
防止两个交流接触器同时得电:在正转控制电路中串联反转启动按钮联合的停止按钮,在反转控制电路中串联正转启动按钮联合的停止按钮,这样我们在按下正转启动按钮的同时,切断反转控制电路,反转交流交流接触器不可能得电,相反按下反转启动按钮,正转交流接触器也不可能得电。
直接切换正反转:因为我们加入了按钮互锁,所以在按下正转、反转启动按钮的时候,电路会切断相反状态下的控制回路,也就可以不用按下停止按钮直接切换正反转状态,如果不加入按钮互锁,就需要按下停止按钮以后,再启动。
按钮互锁有好处也有坏处,我们需要根据工作需求来连接按钮互锁,尤其是电机功率过大、不适合直接切换旋转状态、有工人现场操作的情况下,我们还是需要先按下停止按钮,再切换状态最为安全。
工程师必备
- 项目客服
- 培训客服
- 平台客服
TOP




















