齿轮的基本参数及其设计说明
2021年9月29日 10:01浏览:4318 评论:3 收藏:9
本文主要回答2个问题:
-
齿轮的基本参数有哪些? -
设计齿轮时我们怎么对齿轮进行评价?
齿数,代号Z,只齿轮整个圆周上齿的总数。
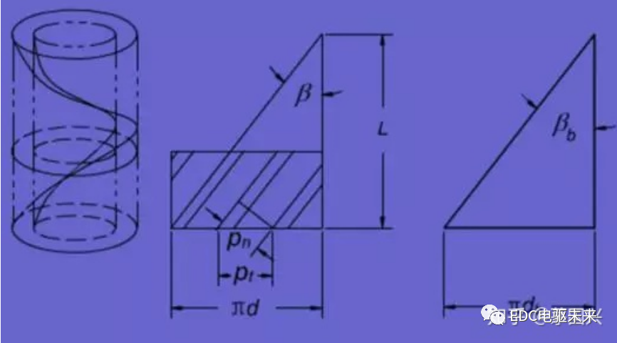
法向模数,代号mn,除了法向模数还有端面模数,代号mt。在直齿中法向模数和端面模数相等,而斜齿轮中他们的关系为:
法向模数指加工齿轮的刀具的模数,其所在平面与螺旋角母线垂直。端面模数指齿轮的端面平行的平面上齿轮的模数。
模数m本身没有物理意义,它的作用是替代齿轮节距P:
定了模数m基本确定了齿轮的单个齿的厚度,结合齿数Z一个齿轮的大小也就基本确定了。模数m影响齿轮强度,折断,磨损都可以通过增大模数来改善。
法向压力角,代号αn。压力角是渐开线运动方向与受力方向的夹角,渐开线上每个点的压力角是不同的,离基圆越远,压力角越大。基圆处压力角为0°,在世界上绝大部分国家分度圆处的压力角为20°。
这里有个概念大家要清楚,齿轮上不同点处压力角不一样,所以有些人说改变压力角可以改变重合度改变强度等等都是对的。但是原理是通过调整渐开线的形状来优化齿轮传动的。一般情况下我们可以使用调整变位系数的方法实现同样的效果。调整压力角需要更换刀具,而变位系数只需调整刀具位置即可实现,所以正常情况下我们能通过调整变位系数实现齿轮优化的调整变位系数来实现,无法通过变位系数调整的才来调整压力角。因为压力角改变必须要重新订刀,周期长,价格也高。
螺旋角,代号β,斜齿轮分度圆柱螺旋线的切线与其轴线所夹的锐角称为分度圆柱螺旋角,简称分度圆螺旋角或螺旋角。
齿宽,代号b,齿轮的有齿部位沿分度圆柱面的直母线方向量度的宽度。
齿宽的大小影响斜齿轮的重合度,同时由于影响接触面积的大小,所以对齿轮的强度也有影响。理想状态下齿宽越长那么提升强度越大,但是事实上由于存在加工误差,所以齿宽越长,误差量会越大,造成齿轮的啮合冲击加剧从而造成齿轮强度下降。所以选取合适的齿宽是非常必要的,齿宽越长强度越好是错误的观念。
齿顶圆,代号da,过齿轮各轮齿顶端的圆,直径用da表示,半径用ra表示。齿顶圆在齿轮参数里面非常重要,其值影响重合度,滑动率,齿顶厚等,甚至取值不当会引起齿轮啮合干涉。
齿根圆,代号df,与齿轮各轮齿齿槽底部相切的圆,其直径用df,半径用rf表示。齿根圆影响齿轮的顶隙。影响齿根处应力集中位置,对于薄壁齿轮该值对齿轮的弯曲强度影响非常明显。有很多人认为这个值可以不标注,但是我们强烈推荐在图纸上进行标示,出问题查起来方便。不过齿根圆的加工控制不必严格,因为齿根圆由刀具和公法线决定。第一次加工正确后面加工出错的概率很小。但是如果忽视这个值一旦出问题你和厂家责任不好确定。
跨齿数,代号k。公法线,代号wk。跨齿数和公法线其实是一个物理量。公法线指与两个异侧齿面相切的两平行平面间的距离。也可以理解为用公法线千分尺测量的跨k各齿的距离。下图所为为跨3齿的公法线距离W。
最后一个参数是中心距,代号a’。中心距指两个齿轮轴线之间距离,也就是齿轮轴线间的安装距离。对于齿轮新手来说,往往用使用标准中心距a作为实际中心距a’。但是在工程上,我们都对齿轮进行角变位,多采用正变位,就是说实际中心距a’都是大于标准中心距a的。中心距选择的不同会影响单个齿轮变位系数的选择,同时影响齿轮的重合度,滑动率,干涉情况等等。中心距并不影响单个齿轮,但是对齿轮啮合的平稳性和强度具有非常大的影响。
上面介绍的这些就是齿轮图纸上必须要标注的项,否则你的齿轮参数就是不完整的,不完整的齿轮参数有各种可能,如果交付给对齿轮不是很了解的齿轮工厂加工,那么您的齿轮很容易出现问题,甚至可能都无法装配起来。
上面是告诉大家齿轮的基本参数,他们被标注了那么齿轮参数完整的。下面我们介绍下齿轮设计过程中,我们查看哪些指标。
根切判断,指在用范成法加工渐开线齿轮的过程中,有时刀具齿顶会把被加工齿轮根部的渐开线齿廓切去一部分的现象。根切的坏处将削弱齿根强度,甚至可能降低传动的重合度,影响传动质量。虽然根切有不利影响,但是现在也有企业利用根切来抵消渐开线干涉现象。有根切时利用软件计算的齿根弯曲强度值会比实际情况大,此时就需要工程师自己判断了。特别注意的是根切并不意味的绝对不允许存在,要看实际情况。
齿顶厚,代号sa,指齿轮顶部处的圆弧长。该值的目的是为了保证齿轮齿形的完整度。怎么理解呢?当变位系数增大时,齿轮的齿顶会变得越来越尖。如果不校核该值,工程师会将其忽略掉,造成齿轮的顶部无法加工出来,也就是齿顶圆无法加工到需要的尺寸,那么我们计算的重合度,滑动率等就是不正确的。同时齿顶变尖会造成由于齿轮啮合冲击存在而出现崩顶,一旦这些颗粒进入齿面那么齿轮会非常快磨损。所以齿顶厚的计算很重要。一般要求 Sa ≥0.25mn,对于表面淬火的齿轮,要求Sa >0.4 mn。
重合度,代号ε,重合度的大小表明同时参与啮合的轮齿对数的多少。如ε=1表示,齿轮传动的过程中始终只有一对齿啮合。若ε=1.3 的情况如图所示,在实际啮合线的B2A1和A2B1(长度各为0.3Pb)段有两对轮齿同时在啮合,称为双齿啮合区;而在节点P附近A1A2段(长度为0.7Pb),只有一对轮齿在啮合,称为单齿啮合区。
重合度一般是越大越好的,所以我们在设计时为了保证齿轮的连续平稳转动,如果计算过程带入了齿轮公差,那么最小重合度应该大于1.05,如果不带入公差进行计算,那么重合度至少要大于1.2。
滑动率,代号η,滑动率是两个齿轮啮合时两个啮合点之间的速度差。他的大小影响的是齿轮的磨损和发热量。设计时我们计算的是最大滑动率,最大滑动率出现在齿轮的齿顶与对应齿轮啮合的位置。齿数越少滑动率容易越大,我们建议滑动率不要超过3,最大也不要超过5。高速齿轮滑动率非常重要,线速度不高是还能再适当放宽。
侧隙,代号jn,齿轮啮合传动时,为了在啮合齿廓之间形成润滑油膜,避免因轮齿摩檫发热膨胀而卡死,齿廓之间必须留有间隙,此间隙称为齿侧间隙,简称侧隙。但是,齿侧间隙的存在会产生齿间冲击,影响齿轮传动的平稳性。因此,这个间隙只能很小,通常由齿轮公差来保证。齿轮和壳体精度越高的齿轮侧隙允许做的越小,否则一定要保留适当的侧隙。所以在设计过程中我们有个参数叫最小侧隙,最小侧隙是当一个齿轮的齿以最大允许实效齿厚与一个也具有最大允许实效齿厚的相配齿在最紧的允许中心距相啮合时,在静态条件下允许侧隙。特别注意的是最小侧隙是带公差计算的结果,不是按理论值计算的。在一般工程应用中最小侧隙的推荐值按下面的公式计算。
顶隙,代号c,顶隙是一对齿轮啮合时,一个齿轮的齿顶与另一个齿轮的齿根之间的间隙。它主要由顶隙系数控制。设计时要注意,齿顶不能过小,否则中心距变化时会冲击。同时顶隙还有储油的作用,所以保留合适的顶隙是很必要的。一般按照0.25mn控制顶隙即可。
渐开线干涉判断:当一齿轮的齿顶与另一齿轮根部的过渡曲线接触时,不能保证其传动比为常数,此情况称为过渡曲线干涉。当所选的变位系数的绝对值过大时,可能发生这种干涉。齿轮齿数较少时非常容易出现这种现象,一旦出现这种现象我们可以看到小轮的根部大轮的顶部出现明显磨损。如果继续运转就会转化为整个齿面磨损。设计时渐开线干涉是一定要消除的,有部分工程师认为将小轮做根切就能消除渐开线干涉也是不完全正确的。需要仔细计算才能确定是否消除了渐开线干涉。
技术邻APP
工程师必备
工程师必备
- 项目客服
- 培训客服
- 平台客服
TOP
5
3
9




















