弱电工程机柜安装标准细则工艺方案
2021年9月29日 13:48前言
大家好,我是薛哥。弱电项目中经常用到机柜,机柜这个设备如何安装呢?是否也需要安装方案?今天分享一套这样的施工方案,可以参考一下。
此套方案已经更新到VIP会员群,会员可以自行下载。
终将渡过成长的海
01
正文
机柜安装步骤及注意事项
机柜在安装时应注意以下几点:
1、有了机柜相关尺寸,再检查设备的外形,确保和选择的支架搭配。一个坚固的机柜可承重达250公斤,所有安装螺丝不得有松动,保护橡皮垫应安装牢固,所以检查一下用来拿出设备用的工具,比如,提门或手推车。好的机柜下面装有轮子,所以你只需把该装的设备装进去,再把机柜推到合适的地方即可。
2、测量一下房间的大小和机柜经过的天花板、门和电梯高度。再有,考虑到机柜里的多类设备,确保把机柜放在距离电源、网线插口、通讯插口近的地方。
3、检查打开和关闭机柜时柜门打开的角度及,标准机柜门在右边打开,门轴在左边,当然不排除相反的情况。所有的门和侧板都应很容易打开,以便于维护。 安放应竖直,柜面保持水平,垂直偏差小于等于百分之一,水平偏差小于等于3mm,机柜之间缝隙小于等于1mm,机柜表面要完整,无损伤,螺丝要坚固,每平方米表面凹凸度应小于1mm。
4、当你要将设备机柜安装入一个已经存在的机柜组时,你可以把机柜挨着排成一排,这样安全、整齐。有些机柜组由于种种原因,不能再增加了,或者只能增加几种附件。最好的机柜组模型应具有充分的可扩充性,并带有所有必要的硬件,可把机柜侧板拿掉,用螺钉将机柜相互连接,排成一排。
机柜安装时步骤:
机房设备是必不可少的,而机柜又是其中的主要设备之一。常用的19英寸(标准600mm) 至于高度 分别为:42U 。37U。32U 。27U. 深度为 1000 mm 900cm 800mm 600mm 下面就机柜的安装举例如下:
1、机柜安装
房设备是必不可少的,而机柜又是其中的主要设备之一。常用的19英寸(标准600mm) 至于高度 分别为:42U 。37U。32U 。27U. 深度为 1000 mm 900cm 800mm 600mm 下面就机柜的安装举例如下:
机柜安装,如图C-1所示。
机柜的外型尺寸为:
高×宽×深=2055mm×600mm×800mm。
图机柜外形图
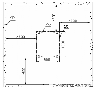
2 机柜安装规划
在安装机柜之前首先对可用空间进行规划,为了便于散热和设备维护,建议机柜前后与墙面或其它设备的距离不应小于1米,机房的净高不能小于2.5米。
图C-2为机柜的空间规划图。
(1) 内墙或参考体 |
(2) 机柜背面 |
(3) 机柜轮廓 |
图C-2 单柜空间规划图(图中单位为mm)
3 安装前的准备工作
安装前,场地底座要准确无误,否则会导致返工。
按照拆箱指导拆开机柜及机柜附件包装木箱。
图C-3 在底座上安装机柜的流程
4 安装机柜
4.1 安装流程
如果机柜安装底座上,机柜固定后,则可以直接进行机柜配件的安装。安装机柜的流程如图C-3所示。
4.2 机柜就位
将机柜安放到规划好的位置,确定机柜的前后面,并使机柜的地脚对准相应的地脚定位标记。
机柜前后面识别方法:有走线盒的一方为机柜的后面。
4.3 机柜水平调整
在机柜顶部平面两个相互垂直的方向放置水平尺,检查机柜的水平度。用扳手旋动地脚上的螺杆调整机柜的高度,使机柜达到水平状态,然后锁紧机柜地脚上的锁紧螺母,使锁紧螺母紧贴在机柜的底平面。图C-4所示为机柜地脚锁紧示意图。
(1)机柜下围框(2)机柜锁紧螺母(3)机柜地脚(4)压板锁紧螺母
图C-4 机柜地脚锁紧示意图
4.4 安装机柜配件
1. 机柜配件安装流程
机柜配件安装包括机柜门、机柜铭牌和机柜门接地线的安装,流程如图C-5所示。
2. 安装前确认
机柜已经固定; 设备已经在机柜上安装完毕; 电缆已经安装完毕。

3 安装机柜门
机柜前后门相同,都是由左门和右门组成的双开门结构。如图C-6所示。
(1) 机柜 |
(2) 机柜前门 |
(3) 机柜后门 |
图C-6 机柜前后门示意图
机柜门可以作为机柜内设备的电磁屏蔽层,保护设备免受电磁干扰。另一方面,机柜门可以避免设备暴露外界,防止设备受到破坏。机柜前后门的安装示意图如图C-7所示,安装步骤如下:
(1) 将门的底部轴销与机柜下围框的轴销孔对准,将门的底部装上。
(2) 用手拉下门的顶部轴销,将轴销的通孔与机柜上门楣的轴销孔对齐。
(3) 松开手,在弹簧作用下轴销往上复位,使门的上部轴销插入机柜上门楣的对应孔位,从而将门安装在机柜上。
(4) 按照上面步骤,完成其它机柜门的安装。
(1) 安装门的顶部轴销放大示意图 |
(2) 顶部轴销 |
(3) 机柜上门楣 |
(4) 安装门的底部轴销放大示意图 |
(5) 底部轴销 |
图C-7 前后门安装示意图 |
活动轴销在出厂前已安装在门板上,在现场安装的时候不用再装。
机柜同侧左右两扇门完成安装后,它们与门楣的之间的缝隙可能不均匀,这时需要调整两者之间的间隙。调解方法:在图C-7中机柜的下围框轴销孔和机柜门下端轴销之间增加垫片(机柜门包装中自带)。
4. 安装机柜铭牌
(1) 取出机柜铭牌。
(2)撕去铭牌背面的贴纸,将铭牌粘贴在机柜前门左侧门上部的长方形凹块位置,如图C-9所示。
(1) 铭牌粘贴位置 |
(2)前门左侧门放大示意图 |
图C-9 铭牌粘贴位置示意图
5. 安装机柜门接地线
机柜前后门安装完成后,需要在其下端轴销的位置附近安装门接地线,使机柜前后门可靠接地。门接地线连接门接地点和机柜下围框上的接地螺钉,如图C-10所示。
(1) 机柜侧门 |
(2) 机柜侧门接地线 |
(3) 侧门接地点 |
(4) 门接地线 |
(5) 机柜下围框 |
(6) 机柜下围框接地点 |
(7) 下围框接地线 |
(8) 机柜接地条 |
图C-10 机柜门接地线安装前示意图
(1)安装门接地线前,先确认机柜前后门已经完成安装。
(2) 旋开机柜某一扇门下部接地螺柱上的螺母。
(3)将相邻的门接地线(一端与机柜下围框连接,一端悬空)的自由端套在该门的接地螺柱上。
(4) 装上螺母,然后拧紧,如图C-11所示,完成一条门接地线的安装。
(5) 按照上面步骤的顺序,完成另外3扇门接地线的安装。
(1) 机柜前/后门 |
(2) 侧门接地线 |
(3) 侧门接地点 |
(4) 前/后门接地点 |
(5) 门接地线 |
(6) 机柜下围框 |
(7)下围框接地点 |
(8)下围框接地线 |
(9) 机柜接地条 |
(10) 机柜侧门 |
图C-11 机柜门接地线安装后示意图
对于自购机柜,机柜到机房接地的接地线要求采用标称截面积不小于6mm2的黄绿双色多股软线,长度不能超过30m。
4.5 机柜安装检查
远程嘉和机柜安装完成后,请按照表C-1中的项目进行检查,要求所列项目状况正常。
表C-1 机柜安装检查表
检查要素 |
检查结果 |
备注 |
|||
编号 |
项目 |
是 |
否 |
免 |
|
1 |
正确确认机柜的前后方向 |
|
|
|
|
2 |
机柜前方留0.8m的开阔空间,机柜后方留0.8m的开阔空间 |
|
|
|
|
3 |
机柜调整水平 |
|
|
|
|
表C-1
工程师必备
- 项目客服
- 培训客服
- 平台客服
TOP




















