比亚迪秦EV300系列课程之高压电控总成比亚迪秦EV300系列课程之高压电控总成
2021年10月18日 09:401. 高压电控总成概述
高压电控总成内部集成:
--双向交流逆变式电机控制器(VTOG);
--高压配电和漏电传感器;
--双向车载充电器;
--DC-DC变换器
高压电控总成主要功能:
1、控制高压交/直流电双向逆变,驱动电机运转,实现充、放电功能(VTOG、车载充电器);
2、实现高压直流电转化低压直流电为整车低压电器系统供电(DC-DC);
3、实现整车高压回路配电功能以及高压漏电检测功能(高压配电箱&漏电传感器模块);
4、直流充电升压功能;
5、另外还包括CAN通讯、故障处理记录、在线CAN烧写以及自检等功能。
高压电控总成内部模块布局
2. 高压配电箱及漏电传感器
高压配电箱
高压配电箱:结构组成:铜排连接片、接触器、霍尔电流传感器、预充电阻,动力电池包正、负极输入;接触器由电池管理器控制,控制充放电。
漏电传感器
含有CAN通讯功能,秦EV车型通过监测与动力电池输出相连接的正母线与车身底盘之间的绝缘电阻判定高压系统是否存在漏电,漏电传感器将漏电数据信息通过CAN信号发送给电池管理器、VTOG,采取相应保护措施。
漏电数据判定
漏电传感器电器原理图
漏电传感器针脚定义
3. 电机控制器VTOG
双向交流逆变式电机控制器(VTOG)主要功能:
1、驱动控制(放电):
采集油门、制动、档位、旋变信号等控制电机正向、反向驱动,正、反转发电功能;
具有高压输出电压和电流控制限制功能,具有电压跌落、过流、过温、IPM过温、IGBT过温保护、功率限制、扭矩控制限制等功能。
同时具备电控系统防盗、能量回馈控制、主动泄放、被动泄放控制。
2、充电控制:
交、直流转换,双向充、放电控制功能;
自动是识别单相、三相相序并根据充电电流控制充电方式,根据充电设备识别充电功率,控制充电方式;根据车辆或其他设备请求信号控制车辆对外放电;
断电重启功能:在电网断电又供电时,可继续充电
VTOG驱动系统控制原理图
OK灯点亮条件--电池管理器BMS收到VTOG反馈的预充满信号
启动车辆时,为缓解对高压系统的冲击,电池管理器先吸合预充接触器,电池包的高压电经过预充接触器并联的限流电阻后加载到VTOG母线上,VTOG检测到母线上的电压与电池包电压相差在50V以内时,通过CAN通道向电池管理器反馈一个预充满信号,电池管理器收到预充满信号后控制主接触器吸合,断开预充接触器。
4. 高压电控总成插接件
高压电控总成(前端)
高压电控总成(右侧)
--32A空调保险,给电动压缩机模块和PTC水加热模块供电。
DC低压输出端与低压电池并联给整车低压系统提供13.8V电源。
高压电控总成低压接插件B28(B):33pin 接口定义
--DC、接触器双路电+霍尔电流信号+高压互锁信号+接触器控制信号+CAN通讯(DC、漏电传感器)
高压电控总成(左侧)
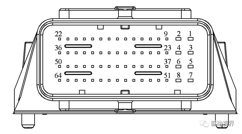
高压电控总成低压接插件(64pin)接口定义
--VTOG双路电;VTOG低压控制信号输入、输出,采集信号输入,CAN通讯(VTOG)。
高压互锁原理连接图
数字代表控制模块互锁针脚号
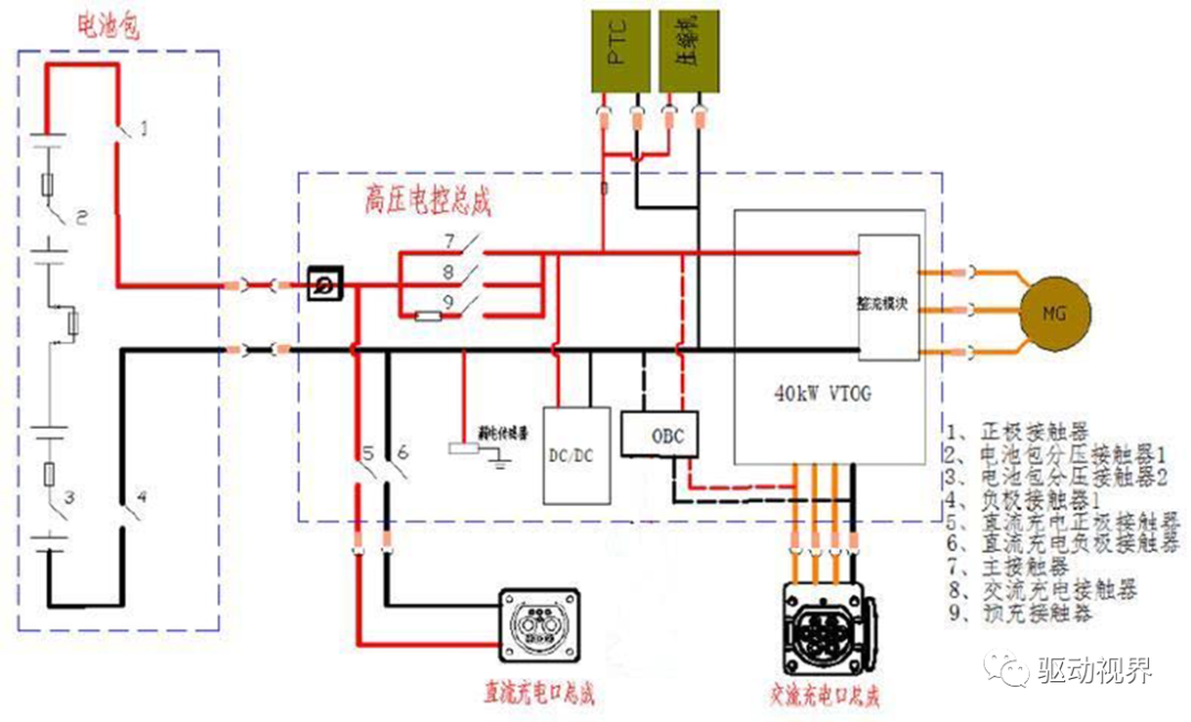
5. 高压电控总成电路原理图
高压电控总成充、放电原理
高压电控总成原理图
高压电控总成原理图
怎样获取本报告的PDF版本资料?
请百度“无锡胜鼎”,进入官网-技术文档,注册后即可免费下载。
(上传有时会有几天延迟,请耐心等待)
以下内容为付费内容,请购买后观看
比亚迪秦EV300系列课程之高压电控总成
工程师必备
- 项目客服
- 培训客服
- 平台客服
TOP




















