高压隔离开关、断路器、负荷开关的作用与区别!图文详解!
2021年11月29日 13:55高压隔离开关用途:
隔离开关主要用来将高压配电装置中需要停电的部分与带电部分可靠地隔离,以保证检修工作的安全。
隔离开关的触头全部敞露在空气中,具有明显的断开点,隔离开关没有灭弧装置,因此不能用来切断负荷电流或短路电流,否则在高压作用下,断开点将产生强烈电弧,并很难自行熄灭。甚至可能造成飞弧(相对地或相间短路),烧损设备,危及人身安全,这就是所谓“带负荷拉隔离开关”的严重事故。隔离开关还可以用来进行某些电路的切换操作,以改变系统的运行方式。
例如:
在双母线电路中,可以用隔离开关将运行中的电路从一条母线切换到另一条母线上。同时,也可以用来操作一些小电流的电路。
(1)分闸后,建立可靠的绝缘间隙,将需要检修的设备或线路与电源用一个明显断开点隔开,以保证检修人员和设备的安全。
(2)根据运行需要,换接线路。
(高压隔离开关型号)
(高压隔离开关结构)
(GW7F-220户外隔离开关)
(GW16-252型)
(GW6-220户外隔离开关)
(GW19-10系列隔离开关)
(GW5-110D系列隔离开关)
开关由底座、棒式支柱绝缘子、导电闸刀、左右触头和传动部分等组成,也称为V型隔离开关。根据需要该隔离开关可配装接地闸刀,广泛用于35~110kV电压等级中。
(GW5 系列双柱水平开启式隔离开关 现场)
高压负荷开关的作用:
(1)用途
高压负荷开关是一种功能介于高压断路器和高压隔离开关之间的电器,高压负荷开关常与高压熔断器串联配合使用;用于控制电力变压器。高压负荷开关具有简单的灭弧装置,因为能通断一定的负荷电流和过负荷电流。但是它不能断开短路电流,所以它一般与高压熔断器串联使用,借助熔断器来进行短路保护。
(2)特点
可以隔离电源,有版明显的断开点,多用于固定式高压设备。没有灭弧装置,在合闸状态下可以通过正常工作电流和短路电路。严禁带负荷接通和断开电路,常与高压断路器串连使用。
(3)作用
作为开断负荷电流及关合短路电流之用,用于分合负荷电流,闭环电流,空载变压器和电缆充电电流,关合短路电流。配装接地开关的负荷开关,可以承受短路电流。带有脱扣装置配高分断能力熔断器的负荷开关―熔断器组合电器,权有断相跳闸功能,可切断短路电流,作保护设备用。
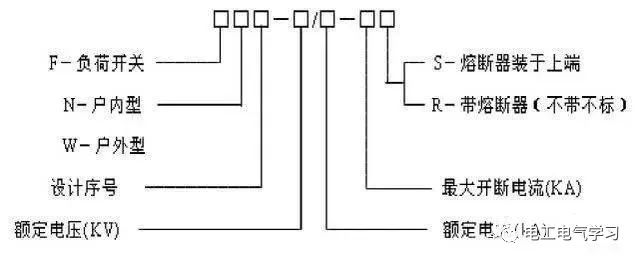
(高压负荷开关型号)
从使用环境上分,有户内式、户外式;
从灭弧形式和灭弧介质上分,有油、压气式、产气式、真空式、SF6式等;
(FN5-12型产气式负荷开关)
产气式负荷开关的灭弧室有管式和板式两种结构 。
SF6式负荷开关:
使用SF6(六氟化硫)气体作为绝缘和灭弧介质的负荷开关称为SF6负荷开关,它可以作为关合和开断负载电流及过载电流用,亦可以作为关合和开断空载线路、空载变压器及电容器组等。与熔断器串联使用能断开短路电流,灭弧能力强,适用于大型商场、工矿企业,城市居民小区配电、开闭所、机场、地铁、体育场、医院、小型二次变电站等场所。
(FL(R)N44-12型高压SF6负荷开关)
SF6式负荷开关优点:
(1)集合闸、分闸、接地功能于一体封装在充满SF6气体的环氧树脂壳体内,三位置互锁,机 构紧凑。
(2)安全可靠性高。
(3)带无电源的继电保护装置,弥补了熔断器在变压器过流部分无保护的缺陷。
(4)体积小、重量轻、维护简便、操作方便安全。
高压断路器:
断路器即高压开关,它不仅可以切断或闭合高压电路中的空载电流和负荷电流,而且当系统发生故障时,通过继电器保护装置的作用,切断过负荷电流和短路电流。
(1)断路器的作用与功能
高压断路器是电力系统中最重要的设备之一,用来在正常情况下接通和断开电路、在故障情况下能迅速开断故障电流的开关设备。包括:
● 切断或闭合高压线路的空载电流;
● 切断或闭合高压线路的负荷电流;
● 切断或闭合高压线路的故障电流。
(2)断路器分类及特点
高压断路器主要分为多油断路器、少油断路器、六氟化硫断路器、真空断路器、压缩空气断路器等。它们的特点如下:
1)多油断路器
实现简单、价格便宜,但由于用油量大、体积大、检修工作量大且易发生爆炸和火灾现象。
多油式断路器是以绝缘油为灭弧介质及主要绝缘介质的高压断路器,其结构简单,工艺要求低,但体积大,用钢材和绝缘油都比较多。https://www.diangon.com/thread-47338-1-1.html
2)少油断路器
用油少,油箱结构小而坚固,具有节省材料、防爆防火等特点。少油断路器使用安全,使配电装置大大简化,体积小,便于运输。
少油断路器结构简单,使用历史长,运行经验丰富,目前在电力系统中仍处于主导地位,我国生产的20kV以下的少油断路器为屋内式,35kV及以上为屋外式。
3)SF6断路器
电气性能好,断口电压较高。设备的操作维护和检修都很方便,检修周期长,且开断性能好,占地面积小,特别是SF6全封闭组合电器可大大减少变电所的占地面积。
(高压断路器内部结构)
一般来说,由于SF6绝缘介质本身的优良性能,使得SF6断路器获得众多优良特性。
● 断口电压高。220kV SF6断路器只需要单个断口,因而结构简单,制造、安装、调试、运行方便;
● 允许断路次数多,检修周期长;
● 开断性能良好,SF6断路器开断电流大,灭弧时间短,无严重的截流现象,而且开断容性电流时不产生重燃;
● 不易着火,运行更安全;
● 占地少;
● 价格高。
4)真空断路器
以真空作为绝缘和灭弧介质,体积小,重量轻,但对于灭弧室工艺和材料的要求高可连续多次操作,开断性能好,动作时间短,且运行维护简单,可靠性高,适用于配电系统操作多的特点,在35kV及以下系统得到广泛应用。
5)空气断路器
空气断路器也叫压缩空气断路器。利用预先储存的压缩空气来灭弧。压缩空气不仅作为灭弧和绝缘介质,而且还作为传动的动力。
空气断路器短路能力大,动作时间快,尺寸小,重量轻,无火灾危险,但结构复杂,价格贵,需要装设压缩空气系统等,主要用于110kV及以上对电气参数和断路时间有较高要求的系统中,以及大型发电机出口需要很大额定电流与开断电路的场合。在我国,通常用于110kV及以上的大容量电力系统中,目前已基本上被SF6断路器取代。https://www.diangon.com/thread-47338-1-1.html
6)SF6全封闭组合电器(简称GIS)
它是将变电站中除变压器以外的一次设备,包括断路器、隔离开关、接地开关、电流互感器、电压互感器、避雷器、母线、进出线套管或电缆终端,按系统布置进行优化设计并有机地组合成一整体。
其主要优点是占地面积小,占用空间少,运行可靠性高,检修周期长,不受外界环境条件的影响,抗震能力强等。主要缺点是价格昂贵。目前已得到越来越多的应用,主要用于110~500kV系统。
(3)断路器的主要参数
1)额定电压
额定电压是断路器长期工作的标准电压,由于电力系统工作电压允许有一定的波动,因此断路器还规定了最高工作电压。
表1 断路器额定电压与最高工作电压
选择断路器时,应首先选择其额定电压。
2)额定电流
额定电流是指断路器允许的长期工作电流。我国规定的额定电流为200A、400A、630A、1000A、1600A、2000A、3150A、4000A、5000A、6300A、8000A、12500A、16000A、20000A。
3)额定开断电流 IbrN
额定电压下断路器能够开断的最大电路电流,称为额定开断电流。
我国规定的额定开断电流为1.6kA、3.15kA、6.3kA、8kA、10kA、12.5kA、16kA、20kA、25kA、31.5kA、40kA、50kA、63kA、80kA、100kA。
4)额定开断容量SbrN
额定开断容量,用于表征断路器的开断能力。
5)额定关合电流Imc
额定关合电流表征断路器关合能力,其大小为:
断路器、负荷开关、隔离开关三者的区别
(1)隔离开关
只能开断和接通zd系统空载电流,并且作为主接线系统明显断开点,在检修过程中作为系统明显断开点。
(2)负荷开关
可以开断和接通系统正常负载电流,但不能分断版系统故障电流。
(3)断路器
除了可以开断和接通系统的正常负载电流,还可以开断和接通系统的故障和短路电流。
工程师必备
- 项目客服
- 培训客服
- 平台客服
TOP




















