几何公差干货全集,速收藏!
2022年2月17日 20:44浏览:3384 评论:2 收藏:1
彻底理解几何公差的符号及管控意义,并正确理解尺寸公差的概念,是一件非常困难的事情。
本文聚焦几何公差的“读取”与“测量”,以最通俗易懂的语言进行细致解说。
什么是几何公差?
几何公差图纸与符号
什么是基准(datum)
形体控制框
几何公差的种类
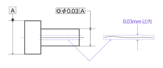
标注示例
图纸解读
标注示例
图纸解读
标注示例
图纸解读
标注示例
图纸解读
标注示例
图纸解读
标注示例
图纸解读
标注示例
图纸解读
标注示例
图纸解读
标注示例
图纸解读
标注示例
图纸解读
标注示例
图纸解读
标注示例
图纸解读
标注示例
图纸解读
标注示例
图纸解读
标注示例
图纸解读
标注示例
技术邻APP
工程师必备
工程师必备
- 项目客服
- 培训客服
- 平台客服
TOP
2
2
1




















