粘弹性材料本构模型
2022年2月23日 20:04浏览:4880 评论:6 收藏:34
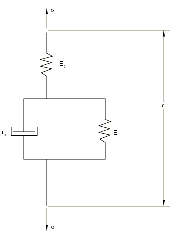
粘弹性(viscoelasticity)材料模型是一种率相关的材料本构模型,所谓率相关,指的是其材料性质与真实时间相关,即在不同的加载速度下,材料性质有所不同。与之相反的是率无关模型。现实世界中许多材料,如沥青,聚合物,混凝土徐变,金属在受高温均表现出率相关的性质。与率相关相反的是率无关本构,其指的是材料性质与真实加载时间无关,常见的金属经典塑性,就属于率无关本构。力学上通常用不同的“简化单元”如弹簧单元(用于描述弹性),阻尼单元(用于描述粘性)和摩擦单元(用于描述塑性)结合起来描述这些率相关或者率无关的材料本构模型。
【完】
欢迎关注公众号 有限元术
技术邻APP
工程师必备
工程师必备
- 项目客服
- 培训客服
- 平台客服
TOP
18
6
34




















