工地钢筋怎么绑扎?如何控制?
2022年3月21日 10:03建筑工程中,钢筋在所有专业及材料中所占比重最大,可达约30%左右,因此,钢筋优化至关重要,直接关系项目效益。然而,当前的钢筋工程普遍还是粗放式管理,缺乏统一策划,措施钢筋、连接方式、锚固节点、长短结合等不提前考虑,导致钢筋下料废料量大,利用率低。那么,建筑工程中钢筋该如何优化?下面就以中建八局项目实例,来看一看建筑工地如何合理省钢筋?
一
剪力墙篇
1、暗柱非角筋在筏板中锚固
常规做法:暗柱钢筋全部下插到筏板底。
优化做法:除角筋到底,其余下插一个锚固LaE即可。
2、内墙立筋直锚
常规做法:全部下插到筏板底。
优化做法:满足直锚长度即可,节约直锚以外和弯头长度。
3、墙竖向钢筋可以在楼板面100%搭接。根据图集16G101-1P73页规定,一二级抗震等级剪力墙非底部加强部位或三四级抗震等级剪力墙竖向钢筋可在同一部位100%搭接,搭接长度=1,2LaE。
现场实际主楼墙竖向钢筋100%搭接(1.2LaE效果图)
4、墙立筋起步一个间距
常规做法:按50mm起步。
优化做法:按一个墙立筋间距S起步。
5、暗柱立筋搭接处箍筋节约
常规做法:100mm和5d取大值。
优化做法:按100mm加密。
6、墙竖向钢筋起步筋距离暗柱边一个竖向间距。根据18G901-1第3-13页规定,S=一个墙竖向间距=墙竖向钢筋起步筋应该距离柱边一个竖向间距。
墙竖向钢筋起步筋距离暗柱边一个竖向间距
7、墙水平筋端头弯折放置柱子纵筋内侧。根据图集16G101-1P71页规定,墙水平筋应该紧贴柱子纵筋内侧弯折。
现场主楼、车库实际转角墙按水平筋钩内侧实施效果图
8、墙竖向钢筋封顶端部能直锚就直锚。根据16G101-1P74页规定,剪力墙竖向钢筋封顶端部如果是边框梁并且梁高度满足直锚要求时,可以采用直锚。
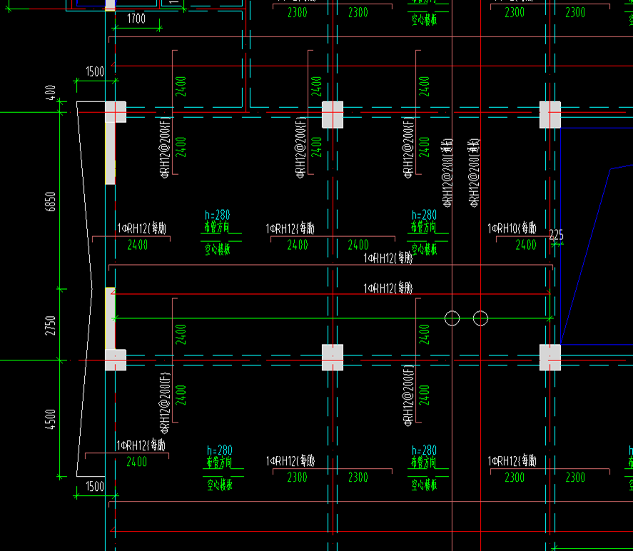
9、楼板上下筋起步间距
常规做法:按50mm起步。
优化做法:按1/2板筋间距起步。
10、车库顶板上下筋起步间距
常规做法:按50mm起步。
优化做法:按1/2板筋间距起步。
11、顶板梁箍筋与梁、墙交接处
常规做法:梁两端按加密做。
优化做法:除顺墙外,按非加密做。
二
基础篇
1、塔吊基础、升降机基础利用主体结构施工
本工程共设塔吊11部,所有塔吊基础均落于基础筏板内,筏板厚度分为1.6m跟0.6m两种情况,1.6m厚筏板区域筏板配筋与塔吊基础相同,均为HRB400 25@200双层双向,现场将筏板钢筋与塔吊基础钢筋共用,减少塔吊基础钢筋的浪费,0.6m厚筏板区域,考虑到塔吊基础增加配重的情况,经项目部与设计院沟通,设计院根据塔吊基础配重进行计算,每个塔吊基础可减少锚杆5根,即减少了现场的工期,又省去了塔吊基础的钢筋浪费,为项目部创造效益。
本工程共设升降机8部,项目部提前将升降机重量参数及布设位置提供设计院,设计院根据我方提供的升降机参数进行计算复核,在升降机布设相应位置进行梁板钢筋加强,并出具设计变更图纸,利用主体结构作为升降机基础。
2、地下空间绝大部分柱墩均为5*5*1.2米,钢筋25@120,每侧应为42根;现把@120优化成@123,即每侧绑扎41即可(每侧少绑扎1根7.14米长25的纵筋)效果:A、C两个坑合计496个柱墩。(将钢筋的直径计算在内)
3、降板与下柱墩重合节点,设计筏板钢筋按柱墩配设,柱墩钢筋比筏板钢筋规格大、间距小。优化后,筏板钢筋、柱墩钢筋各自配筋,交叉筏板处钢筋采用原筏板钢筋。
原设计节点
优化后节点
现场实施
4、马蹬上面架立筋(支撑上层钢筋网片)代替同方向筏板上筋。
现场实施
5、底板外墙根部优化,原设计底板底筋直通筏板边部,优化后出降板区满足锚固长度即可。
原设计节点
优化后节点
现场实施
6、下柱墩边坡水平筋属于构造钢筋,采用车库筏板直径主筋,经设计同意,由HRB400 22改为HRB400 14,减少大直径钢筋使用量。
7、抗浮锚杆代替马镫筋,需要注意标高控制问题。通过抗浮锚杆钢筋代替措施筋实现短料二次利用。
8、地下室、车库的墙柱竖筋一次到顶,减少直螺纹套筒的使用量,节省钢筋绑扎搭接长度。主楼墙柱钢筋亦采取同样做法。
9、柱墩高度大于1400mm,柱四角插筋插到底后弯折,其余纵筋锚固laE。
柱纵筋在基础中锚固
根本区别就是受拉钢筋是否屈服。
大偏心受压的破坏就是受拉破坏,小偏心就是受压破坏。
大小偏心受压破坏原因是,大偏心由于压力偏离构件轴心比小偏心要远,受压产生的弯矩比较大,构件就相当于是受弯破坏的。小偏心的偏心距比较小,距离轴心近(可以就理解为压力作用在轴心上),构件就是受压破坏的。大偏压破坏的破坏特征是受拉钢筋首先达到屈服,然后受压钢筋也能达到屈服,最后由于受压区混凝土压碎而导致构件破坏,这种破坏形态在破坏前有明显的预兆,属于塑性破坏,所以这种破坏也称受拉破坏。
小偏心受压破坏是由受压区混凝土的压碎所引起的。破坏时,压应力较大一侧的受压钢筋的压应力一般都能达到屈服强度,而另一侧的钢筋不论受拉还是受压,其应力一般都达不到屈服强度。构件在破坏之前变形不会急剧增长,但受压区垂直裂缝不断发展,破坏时没有明显预兆,属脆性破坏,也称受压破坏。
三
梁板柱篇
1、梁柱节点锚固长度计算:梁柱节点处,柱混凝土强度往往高于梁,锚固长度按柱混凝土强度计算。
2、板(楼梯)分布筋不弯钩。根据16G101-1P59页规定,受压钢筋不应采用末端弯钩。
3、主楼区域隔震支座柱墩锚固形式优化
隔震支座下支墩,钢筋过于密集,且属于悬臂柱。实施中将柱钢筋改为末端贴焊锚筋(废料钢筋)的锚固形式,从而节省原材钢筋,充分利用废料。
后台加工、现场绑扎成型
4、采用变径套筒
策划实施:能通则通、用变径套筒代替,算量采用互相锚固
5、柱子变截面能不插筋就不要插筋。根据16G101-1P68页规定,柱子在楼层变截面施工,可以采用在框架梁区域用缩尺箍筋变截面,既达到了成型效果又省去了柱子上下层的相互锚固。
6、洞口≤300不另设补强钢筋。根据16G101-1P110页规定,洞口≤300受力钢筋绕过孔洞,不另设补强钢筋。
7、方柱箍筋专项优化
施工蓝图上方柱箍筋做法为五肢箍套拉钩做法(如下图所示),项目部通过查阅“18G901-1图集”发现,五肢箍可以为小箍筋加拉钩做法,通过与设计沟通,现场改为图集所示的小箍筋加拉钩的做法,减少箍筋下料长度。
现场选取图集中箍筋“加”拉钩的形式
图纸中箍筋为大箍筋“套”拉钩
8、优化钢筋机械连接型号,规避搭接损耗
考虑到钢筋搭接损耗率过大,项目部经与设计沟通将图纸上原来受力钢筋直径≥22采用直螺纹搭接改为受力钢筋直径>16采用直螺纹连接,大大减少了钢筋搭接的损耗,且使用套筒效益更高。
9、空心板措施钢筋落于施工蓝图,变措施钢筋为工程钢筋
工程楼板均为大跨度空心楼盖结构,空心管定位抗浮是项目施工的重难点,项目沟通设计院,将空心管定位及抗浮措施钢筋绘入施工蓝图,将空心管定位钢筋由“措施钢筋”变为“结构钢筋”,增加结构钢筋量,使原本结算无法记取的措施费变为实体费用,且定位空心管的钢筋头全部用的现场钢筋废料,将现场废料再次利用,扭亏为赢。
措施钢筋注入施工蓝图
现场实施照片
10、附加筋尺寸按照钢筋原材模数尺寸调整
本工程为8.4m框架结构,对于楼板上层附加筋,图纸尺寸为4.84m、5.04m尺寸,与成品钢筋模数9m、12mm不匹配,废料多。
项目查阅施工管理手册,手册规定版附加钢筋长度每侧不短于1/4净跨要求(大于2.1m)。
根据钢筋模数,将附加筋下料长度全部改为4.5m,扣除两侧各有12cm弯锚,保证附加筋从梁中伸入俩侧楼边每边2.13m,经设计院验算,满足受力要求。
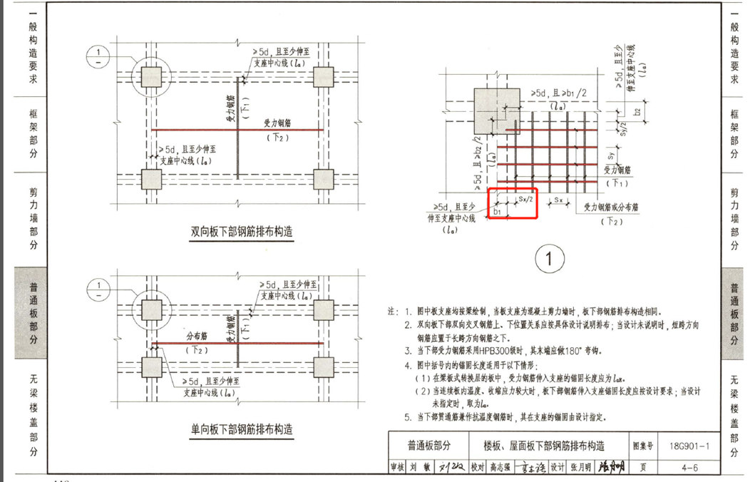
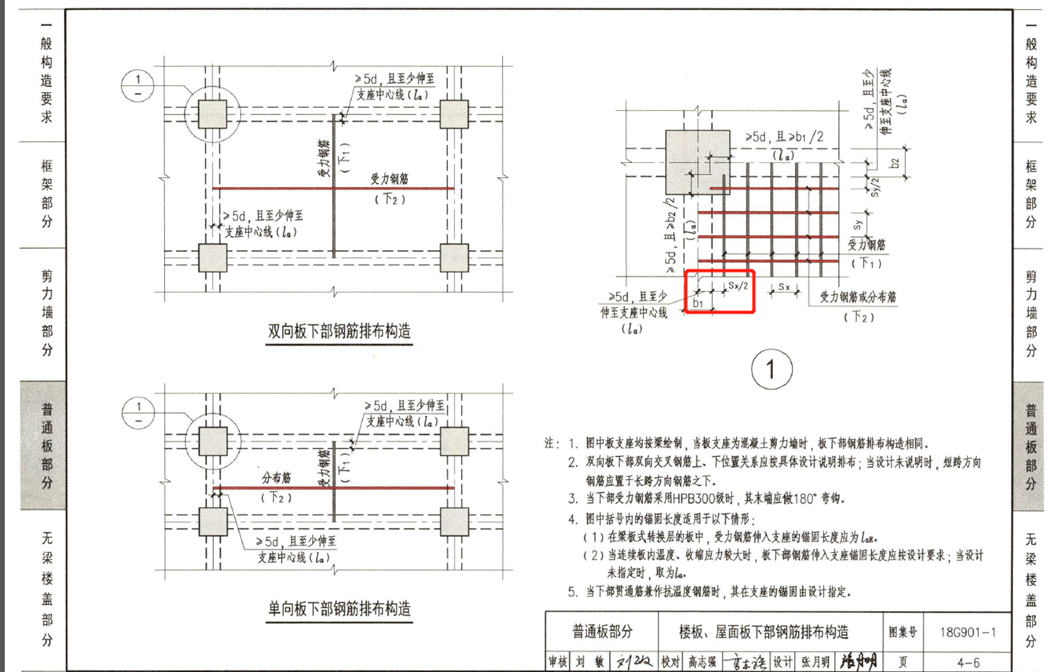
11、现场实施时板分布筋起步间距为1/2板筋间距(16G101),算量时则可按起步筋5cm进行计量(18G901),从而形成量差。
对于板筋直径8mm和直径12mm间隔布置的情况,现场以直径8mm为第一道起步筋,结算则以直径12mm作为起排,以此增加两者量差。备注:此条最终未用于我们项目,不符合长城杯要求。
12、地下空间将把框柱KZ1的箍筋设计要求大箍套小箍做法优化成小箍并排。可优化节约32.6吨钢筋。
工程师必备
- 项目客服
- 培训客服
- 平台客服
TOP




















