PCB设计经验之谈
2022年4月7日 16:461
布局
在设计中,布局是一个重要的环节。布局结果的好坏将直接影响布线的效果,因此可以这样认为,合理的布局是PCB设计成功的第一步。
尤其是预布局,是思考整个电路板,信号流向、散热、结构等架构的过程。如果预布局是失败的,后面的再多努力也是白费。
1. 考虑整体
一个产品的成功与否,一是要注重内在质量,二是兼顾整体的美观,两者都较完美才能认为该产品是成功的。
在一个PCB板上,元件的布局要求要均衡,疏密有序,不能头重脚轻或一头沉。
PCB是否会有变形?
是否预留工艺边?
是否预留MARK点?
是否需要拼板?
多少层板,可以保证阻抗控制、信号屏蔽、信号完整性、经济性、可实现性?
2. 排除低级错误
印制板尺寸是否与加工图纸尺寸相符?能否符合PCB制造工艺要求?有无定位标记?
元件在二维、三维空间上有无冲突?
元件布局是否疏密有序,排列整齐?是否全部布完?
需经常更换的元件能否方便地更换?插件板插入设备是否方便?
热敏元件与发热元件之间是否有适当的距离?
调整可调元件是否方便?
在需要散热的地方,装了散热器没有?空气流是否通畅?
信号流程是否顺畅且互连最短?
插头、插座等与机械设计是否矛盾?
线路的干扰问题是否有所考虑?
3. 旁路或去耦电容
在布线时,模拟器件和数字器件都需要这些类型的电容,都需要靠近其电源引脚连接一个旁路电容,此电容值通常为0.1μF。引脚尽量短,减小走线的感抗,且要尽量靠近器件
在电路板上加旁路或去耦电容,以及这些电容在板上的布置,对于数字和模拟设计来说都属于基本常识,但其功能却是有区别的。
在模拟布线设计中旁路电容通常用于旁路电源上的高频信号,如果不加旁路电容,这些高频信号可能通过电源引脚进入敏感的模拟芯片。
一般来说,这些高频信号的频率超出模拟器件抑制高频信号的能力。如果在模拟电路中不使用旁路电容的话,就可能在信号路径 上引入噪声,更严重的情况甚至会引起振动。而对于控制器和处理器这样的数字器件来说,同样需要去耦电容,但原因不同。这些 电容的一个功能是用作“微型”电荷库,这是因为在数字电路中,执行门状态的切换(即开关切换)通常需要很大的电流,当开关时芯片上产生开关瞬态电流并流经电路板,有这额外的“备用”电荷是有利的。
如果执行开关动作时没有足够的电荷,会造成电源电压发生很大变化。电压变化太大,会导致数字信号电平进入不确定状态,并很可能引起数字器件中的状态机错误运行。流经电路板走线的开关电流将引起电压发生变化,由于电路板走线存在寄生电感,则可采用如下公式计算电压的变化:V=Ldl/dt 其中 V=电压的变化 L=电路板走线感抗 dI=流经走线的电流变化 dt=电流变化的时间
因此,基于多种原因,在供电电源处或有源器件的电源引脚处施加旁路(或去耦)电容是 非常好的做法。
4. 输入电源,如果电流比较大,建议减少走线长度和面积,不要满场跑
输入上的开关噪声耦合到了电源输出的平面。输出电源的MOS管的开关噪声影响了前级的输入电源。
如果电路板上存在大量大电流DCDC,则有不同频率,大电流高电压跳变干扰。
所以我们需要减小输入电源的面积,满足通流就可以。所以在电源布局的时候,要考虑避免输入电源满板跑。
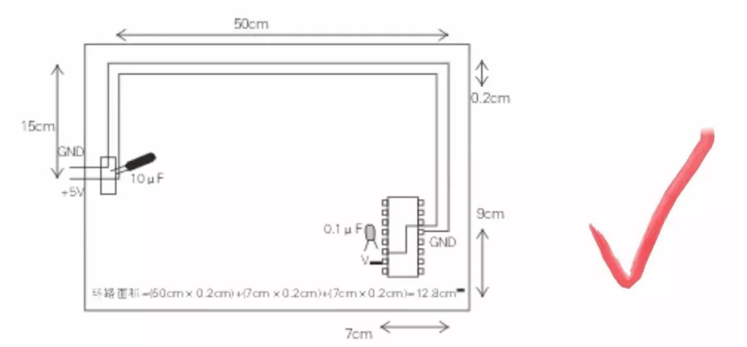
5. 电源线和地线
电源线和地线的位置良好配合,可以降低电磁干扰(EMl)的可能性。如果电源线和地线 配合不当,会设计出系统环路,并很可能会产生噪声。电源线和地线配合不当的 PCB 设计示例如图所示。在此电路板上,使用不同的路线来布电源线和地线,由于这种不恰当的配合,电路板的电子元器件和线路受电磁干扰 (EMI)的可能性比较大。
6. 数模分离
在每个 PCB 设计中,电路的噪声部分和“安静”部分(非噪声部分)要分隔开。一般来说,数字电路可以容忍噪声干扰,而且对噪声不敏感(因为数字电路有较大的电压噪声容限);相反,模拟电路的电压噪声容限就小得多。两者之中,模拟电路对开关噪声最为敏感。在混合信号系统的布线中,这两种电路要分隔开。
电路板布线的基本知识既适用于模拟电路,也适用于数字电路。一个基本的经验准则是使用不间断的地平面,这一基本准则可降低了数字电路中的 dI/dt(电流随时间的变化)效应,因为 dI/dt 效应会造成地的电势并使噪声进入模拟电路。
数字和模拟电路的布线技巧基本相同,但有一点除外。对于模拟电路,还要另外一点需要注意,就是要将数字信号线和地平面中的回路尽量远离模拟电路。这一点可以通过如下做法来实现:将模拟地平面单独连接到系统地连接端,或者将模拟电路放置在电路板的最 远端,也就是线路的末端。
这样做是为了保持信号路径所受到的外部干扰最小。对于数字电路就不需要这样做,数字电路可容忍地平面上的大量噪声,而不会出现问题。
7. 散热考虑
在布局过程中,需要考虑散热风道,散热死角;热敏感器件不要放在热源风后面。优先考虑DDR这样散热困难户的布局位置。避免由于热仿真不通过,导致反复调整。
2
布线
在PCB设计中,布线是完成产品设计的重要步骤,可以说前面的准备工作都是为它而做的,在整个PCB中,以布线的设计过程限定最高,技巧最细、工作量最大。
PCB布线有单面布线、双面布线及多层布线。布线的方式也有两种:自动布线及交互式布线,在自动布线之前,可以用交互式预先对要求比较严格的线进行布线,输入端与输出端的边线应避免相邻平行,以免产生反射干扰。必要时应加地线隔离,两相邻层的布线要互相垂直,平行容易产生寄生耦合。
自动布线的布通率,依赖于良好的布局,布线规则可以预先设定, 包括走线的弯曲次数、导通孔的数目、步进的数目等。一般先进行探索式布经线,快速地把短线连通,然后进行迷宫式布线,先把要布的连线进行全局的布线路径优化,它可以根据需要断开已布的线。并试着重新再布线,以改进总体效果。
对目前高密度的PCB设计已感觉到贯通孔不太适应了,它浪费了许多宝贵的布线通道,为解决这一矛盾,出现了盲孔和埋孔技术,它不仅完成了导通孔的作用,还省出许多布线通道使布线过程完成得更加方便,更加流畅,更为完善,PCB板的设计过程是一个复杂而又简单的过程,要想很好地掌握它,还需广大电子工程设计人员去自已体会,才能得到其中的真谛。
1. 电源、地线的处理
既使在整个PCB板中的布线完成得都很好,但由于电源、地线的考虑不周到而引起的干扰,会使产品的性能下降,有时甚至影响到产品的成功率。所以对电、地线的布线要认真对待,把电、地线所产生的噪音干扰降到最低限度,以保证产品的质量。
对每个从事电子产品设计的工程人员来说都明白地线与电源线之间噪音所产生的原因, 现只对降低式抑制噪音作以表述:
(1)众所周知的是在电源、地线之间加上去耦电容。
(2)尽量加宽电源、地线宽度,最好是地线比电源线宽,它们的关系是:地线>电源线>信号线,通常信号线宽为:0.2~0.3mm,最经细宽度可达0.05~0.07mm,电源线为1.2~2.5mm对数字电路的PCB可用宽的地导线组成一个回路, 即构成一个地网来使用(模拟电路的地不能这样使用)
(3)用大面积铜层作地线用,在印制板上把没被用上的地方都与地相连接作为地线用。或是做成多层板,电源,地线各占用一层。
2. 数字电路与模拟电路的共地处理
现在有许多PCB不再是单一功能电路(数字或模拟电路),而是由数字电路和模拟电路混合构成的。因此在布线时就需要考虑它们之间互相干扰问题,特别是地线上的噪音干扰。
数字电路的频率高,模拟电路的敏感度强,对信号线来说,高频的信号线尽可能远离敏感的模拟电路器件,对地线来说,整人PCB对外界只有一个结点,所以必须在PCB内部进行处理数、模共地的问题,而在板内部数字地和模拟地实际上是分开的它们之间互不相连,只是在PCB与外界连接的接口处(如插头等)。数字地与模拟地有一点短接,请注意,只有一个连接点。也有在PCB上不共地的,这由系统设计来决定。
3. 信号线布在电(地)层上
在多层印制板布线时,由于在信号线层没有布完的线剩下已经不多,再多加层数就会造成浪费也会给生产增加一定的工作量,成本也相应增加了,为解决这个矛盾,可以考虑在电(地)层上进行布线。首先应考虑用电源层,其次才是地层。因为最好是保留地层的完整性。
4. 大面积导体中连接腿的处理
在大面积的接地(电)中,常用元器件的腿与其连接,对连接腿的处理需要进行综合的考虑,就电气性能而言,元件腿的焊盘与铜面满接为好,但对元件的焊接装配就存在一些不良隐患如:①焊接需要大功率加热器。②容易造成虚焊点。
所以兼顾电气性能与工艺需要,做成十字花焊盘,称之为热隔离(heat shield)俗称热焊盘(Thermal),这样,可使在焊接时因截面过分散热而产生虚焊点的可能性大大减少。多层板的接电(地)层腿的处理相同。
5. 布线中网络系统的作用
在许多CAD系统中,布线是依据网络系统决定的。网格过密,通路虽然有所增加,但步进太小,图场的数据量过大,这必然对设备的存贮空间有更高的要求,同时也对象计算机类电子产品的运算速度有极大的影响。而有些通路是无效的,如被元件腿的焊盘占用的或被安装孔、定们孔所占用的等。网格过疏,通路太少对布通率的影响极大。所以要有一个疏密合理的网格系统来支持布线的进行。
标准元器件两腿之间的距离为0.1英寸(2.54mm),所以网格系统的基础一般就定为0.1英寸(2.54 mm)或小于0.1英寸的整倍数,如:0.05英寸、0.025英寸、0.02英寸等。
6. 设计规则检查(DRC)
布线设计完成后,需认真检查布线设计是否符合设计者所制定的规则,同时也需确认所制定的规则是否符合印制板生产工艺的需求,一般检查有如下几个方面:
(1)线与线,线与元件焊盘,线与贯通孔,元件焊盘与贯通孔,贯通孔与贯通孔之间的距离是否合理,是否满足生产要求。
(2)电源线和地线的宽度是否合适,电源与地线之间是否紧耦合(低的波阻抗)在PCB中是否还有能让地线加宽的地方。
(3)对于关键的信号线是否采取了最佳措施,如长度最短,加保护线,输入线及输出线被明显地分开。
(4)模拟电路和数字电路部分,是否有各自独立的地线。
(5)后加在PCB中的图形(如图标、注标)是否会造成信号短路。
(6)对一些不理想的线形进行修改。
(7)在PCB上是否加有工艺线?阻焊是否符合生产工艺的要求,阻焊尺寸是否合适,字符标志是否压在器件焊盘上,以免影响电装质量。
(8)多层板中的电源地层的外框边缘是否缩小,如电源地层的铜箔露出板外容易造成短路。
7. 检查是否有锐角、阻抗不连续点等
(1)对于高频电流来说,当导线的拐弯处呈现直角甚至锐角时,在靠近弯角的部位,磁通密度及电场强度都比较高,会辐射较强的电磁波,而且此处的电感量会比较大,感抗便也比钝角或圆角要大一些。
(2)对于数字电路的总线布线来说,布线拐弯呈现钝角或圆角,布线所占的面积比较小。在相同的线间距条件下,总的线间距所占的宽度要比直角拐弯的少0.3倍。
8. 检查3W、3H原则
(1)时钟、复位、100M以上信号以及一些关键的总线信号等与其他信号线布线必须满足3W原则,同层和相邻层无较长平行走线,且链路上过孔尽量少。
(2)高速信号的过孔数量问题,有些器件指导书上一般对高速信号的过孔数量要求比较严格,咨询互连的原则的是除了必须的管脚fanout过孔外,严禁在内层打多余的过孔,他们布过8G的PCIE 3.0的走线,也打过4个过孔,没有问题。
(3)同层时钟及高速信号中心距需严格满足3H(H为走线层到回流平面间距);相邻层的信号严禁重叠,建议也满足3H的原则,关于上述的串扰问题,有工具可以检查的。
3
布线约束
布线约束:层分布布线约束:层分布
RF PCB的每层都大面积辅地,没有电源平面,RF布线层的上下相邻两层都应该是地平面。即使是数模混合板,数字部分可以存在电源平面,但RF区域仍然要满足每层都大面积辅地的要求。
RF单板的层叠结构▲
布线约束:基本要求
(1)走线要求尽量最短,不走闭环,不走锐角直角,线的宽度一致,没有浮空线。
(2)焊盘的出线方式要合理。
布线基本要求图▲
(3)差分信号线一般都是走的高速信号,其要满足阻抗的对称性,差分线不能交叉走线,线长相差不能超过100mil,差分线之间和单个差分线到地之间都要满足阻抗要求。差分走线过孔不能超过4个。差分线对间的间距满足3W规则。
(4)一般晶振、pll滤波器件、模拟处理信号处理芯片、电感、变压器下禁止走时钟线、控制线、电磁敏感线。
(5)模拟信号与数字信号,电源线与控制信号线,弱信号与其他任何信号都不能并排走线,应该分层(最好有地隔离)或相距较远走线。如果分层相邻层的线与线之间要交叉走线,不能并行走线。为了减少线间串扰,应保证线间距足够大,当线中心间距不少于3倍线宽时,则可保持70%的电场不互相干扰,称为3W规则。如要达到98%的电场不互相干扰,可使用10W的间距。
注:时钟布线的时候,一定要注意和数据线、控制信号线的有效隔离,距离越远越好,尽可能不要布在同层。
(6)强辐射信号线(高频、高速,尤以时钟线为甚)不要靠近接口、拉手条等以防对外辐射。
(7)敏感信号(主要指:弱信号、复位信号、比较器的输入信号、AD的参考电源、锁相环滤波信号、芯片内部的PLL电路的滤波部分。)布线应该尽可能短,不靠近强辐射信号,不放在板的边缘,离外金属框架15mm以上。长距离走线时可以包地(应注意包地可能会引起阻抗变化)、内层走线。另外,对于ESD较弱的芯片的走线,建议内层走线,可以减弱芯片损坏的概率。
布线约束:电源
(1)注意电源退耦、滤波,防止不同单元通过电源线产生干扰,电源布线时电源线之间应相互隔离。电源线与其它强干扰线(如CLK)用地线隔离。
(2)小信号放大器的电源布线需要地铜皮及接地过孔隔离,避免其它EMI干扰窜入,进而恶化本级信号质量。
(3)不同电源层在空间上要避免重叠。主要是为了减少不同电源之间的干扰,特别是一些电压相差很大的电源之间,电源平面的重叠问题一定要设法避免,难以避免时可考虑中间隔地层。
布线约束:电源过流能力
(1)电源部分导线印制线在层间转接的过孔数符合通过电流的要求(1A/Ф0.3mm 孔)
(2)PCB的POWER部分的铜箔尺寸符合其流过的最大电流,并考虑余量(一般参考为1A/mm线宽)
布线约束:接地方法
(1)接地线要短而直,减少分布电感,减小公共地阻抗所产生的干扰。
调整各组内滤波电容方向,缩小地回路。如图15所示的三个滤波电容,接地偏向于相关的RF 器件方向,尤其是高频滤波电容。
电容的接地图▲
(2)RF 主信号路径上的接地器件和电源滤波电容需要接地时,为减小器件接地电感,要求就近接地。
(3)有些元件的底部是接地的金属壳,要在元件的投影区内加一些接地孔,投影区内的表面层不得布信号线和过孔。
(4)接地线需要走一定的距离时,应加粗走线线宽、缩短走线长度,禁止接近和超过1/4导引波长,以防止天线效应导致信号辐射。
(5)除特殊用途外,不得有孤立铜皮,铜皮上一定要加地线过孔。
(6)对某些敏感电路、有强烈辐射源的电路分别放在屏蔽腔内,装配时屏蔽腔压在PCB表面。PCB在设计时要加上“过孔屏蔽墙”,就是在PCB上与屏蔽腔壁紧贴的部位加上接地的过孔。如下图12所示,要有两排以上的过孔,两排过孔相互错开,同一排的过孔间距在100mils左右。
布线约束:通用规则
(1)PCB顶层走RF信号,RF信号下面的平面层必须是完整的接地平面,形成微带线结构。如图13所示。要保证微带线的结构完整性,必须做到:同层内微带线要做包地铜皮处理,建议地铜皮边缘离微带线边缘有3H的宽度。H表示介质层厚度。在3H范围内,不得有其它信号过孔。禁止RF 信号走线跨第二层的地平面缝隙。非耦合微带线间要加地铜皮,并在地铜皮上加地过孔。
微带线至屏蔽壁距离应保持为3H以上。微带线不得跨第二层地平面的分割线。
微带线结构图▲
(2)要求地铜皮到信号走线间隔≥3H。
(3)地铜皮边缘加地线孔,孔间距约在100mils左右,均匀整齐排列;
(4)地线铜皮边缘要光滑、平整,禁止尖锐毛刺;
(5)除特殊用途外,禁止RF信号走线上伸出多余的线头。
(6)RF信号布线周围如果存在其它RF信号线,就要在两者之间辅地铜皮,并在地铜皮上间隔100mils左右加一个接地过孔,起隔离作用。
(7)RF信号布线周围如果存在其它不相关的非RF信号(如过路电源线),要在两者间辅地铜皮,并每隔100mils左右加一个接地过孔。
(8)RF信号过孔与内层的其它布线靠近,如左图所示的过路电源线靠近了RF信号过孔,电源线上的EMI 干扰会窜入RF布线,所以要采用图14右图正确的布线方法,在电源线与RF信号过孔间辅地并加地过孔,起隔离作用。有时内层的RF信号线与其它有较强干扰的信号(如过路电源线)过孔靠近,也采用同样的方法辅地并加地过孔。
电源线与射频过孔布线图▲
(9)器件安装孔是非金属化孔时,RF 信号布线要远离器件安装孔。需要在RF信号布线与安装孔间辅进地铜皮,并加接地过孔。
1. 布线优先次序
关键信号线优先:电源、模拟小信号、高速信号、时钟信号和同步信号等关键信号优先布线。
密度优先原则:从单板上连接关系最复杂的器件着手布线。从单板上连线最密集的区域开始布线。
2. 自动布线
在布线质量满足设计要求的情况下,可使用自动布线器以提高工作效率,在自动布线前应完成以下准备工作:
自动布线控制文件(do file)为了更好地控制布线质量,一般在运行前要详细定义布线规则,这些规则可以在软件的图形界面内进行定义,但软件提供了更好的控制方法,即针对设计情况,写出自动布线控制文件(do file),软件在该文件控制下运行。
3. 尽量为时钟信号、高频信号、敏感信号等关键信号提供专门的布线层,并保证其最小的回路面积。
必要时应采取手工优先布线、屏蔽和加大安全间距等方法。保证信号质量。
4. 电源层和地层之间的 EMC 环境较差,应避免布置对干扰敏感的信号。
5. 有阻抗控制要求的网络应布置在阻抗控制层上。
6. 进行 PCB 设计时应该遵循的规则
(1)地线回路规则:
环路最小规则,即信号线与其回路构成的环面积要尽可能小,环面积越小,对外的辐射越少,接收外界的干扰也越小。针对这一规则,在地平面分割时,要考虑到地平面与重要信号走线的分布,防止由于地平面开槽等带来的问题;在双层板设计中,在为电源留下足够空间的情况下,应该将留下的部分用参考地填充,且增加一些必要的孔,将双面地信号有效连接起来,对一些关键信号尽量采用地线隔离,对一些频率较高的设计,需特别考虑其地平面信号回路问题,建议采用多层板为宜。
(2)串扰控制:
串扰(CrossTalk)是指 PCB 上不同网络之间因较长的平行布线引起的相互干扰, 主要是由于平行线间的分布电容和分布电感的作用。克服串扰的主要措施是:加大平行布线的间距,遵循 3W 规则;在平行线间插入接地的隔离线;减小布线层与地平面的距离。
(3)屏蔽保护:
对应地线回路规则,实际上也是为了尽量减小信号的回路面积,多见于一些比较重要的信号,如时钟信号,同步信号;对一些特别重要,频率特别高的信号,应该考虑采用铜轴电缆屏蔽结构设计,即将所布的线上下左右用地线隔离,而且还要考虑好如何有效的让屏蔽地与实际地平面有效结合。
(4)走线的方向控制规则:
即相邻层的走线方向成正交结构。避免将不同的信号线在相邻层走成同一方向,以减少不必要的层间窜扰;当由于板结构限制(如某些背板)难以避免出现该情况,特别是信号速率较高时,应考虑用地平面隔离各布线层,用地信号线隔离各信号线。
(5)走线的开环检查规则:
一般不允许出现一端浮空的布线(Dangling Line),主要是为了避免产生"天线效应",减少不必要的干扰辐射和接受,否则可能带来不可预知的结果。
(6)阻抗匹配检查规则:
同一网络的布线宽度应保持一致,线宽的变化会造成线路特性阻抗的不均匀,当传输的速度较高时会产生反射,在设计中应该尽量避免这种情况。在某些条件下,如接插件引出线,BGA封装的引出线类似的结构时,可能无法避免线宽的变化,应该尽量减少中间不一致部分的有效长度。
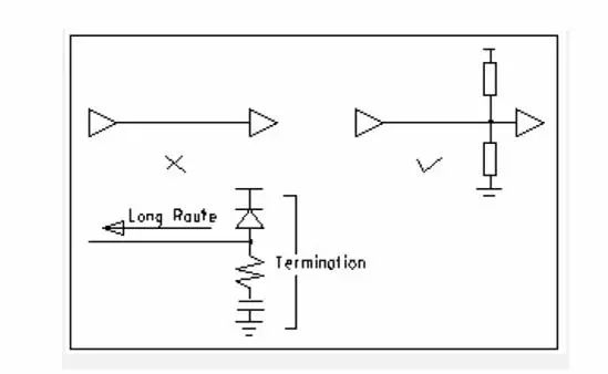
(7)走线终结网络规则:
在高速数字电路中, 当PCB布线的延迟时间大于信号上升时间 (或下降时间)的 1/4 时,该布线即可以看成传输线,为了保证信号的输入和输出阻抗与传输线的阻抗正确匹配,可以采用多种形式的匹配方法,所选择的匹配方法与网络的连接方式和布线的拓朴结构有关。
A. 对于点对点(一个输出对应一个输入)连接,可以选择始端串联匹配或终端并联匹配。前者结构简单,成本低,但延迟较大。后者匹配效果好,但结构复杂,成本较高。
B. 对于点对多点(一个输出对应多个输出)连接,当网络的拓朴结构为菊花链时,应选择终端并联匹配。当网络为星型结构时,可以参考点对点结构。
星形和菊花链为两种基本的拓扑结构, 其他结构可看成基本结构的变形, 可采取一些灵活措施进行匹配。在实际操作中要兼顾成本、功耗和性能等因素,一般不追求完全匹配,只要将失配引起的反射等干扰限制在可接受的范围即可。
(8)走线闭环检查规则:
防止信号线在不同层间形成自环。在多层板设计中容易发生此类问题,自环将引起辐射干扰。
(9)走线的分枝长度控制规则:
尽量控制分枝的长度,一般的要求是 Tdelay<=Trise/20。
(10)走线的谐振规则:
主要针对高频信号设计而言,即布线长度不得与其波长成整数倍关系,以免产生谐振现象。
(11)走线长度控制规则:
即短线规则,在设计时应该尽量让布线长度尽量短,以减少由于走线过长带来的干扰问题,特别是一些重要信号线,如时钟线,务必将其振荡器放在离器件很近的地方。对驱动多个器件的情况,应根据具体情况决定采用何种网络拓扑结构。
(12)倒角规则:
PCB 设计中应避免产生锐角和直角,以免产生不必要的辐射,同时工艺性能也不好。
(13)器件去耦规则:
A. 在印制版上增加必要的去耦电容,滤除电源上的干扰信号,使电源信号稳定。在多层板中,对去藕电容的位置一般要求不太高,但对双层板,去耦电容的布局及电源的布线方式将直接影响到整个系统的稳定性,有时甚至关系到设计的成败。
B. 在双层板设计中,一般应该使电流先经过滤波电容滤波再供器件使用,同时还要充分考虑到由于器件产生的电源噪声对下游的器件的影响,一般来说,采用总线结构设计比较好,在设计时,还要考虑到由于传输距离过长而带来的电压跌落给器件造成的影响,必要时增加一些电源滤波环路,避免产生电位差。
C. 在高速电路设计中,能否正确地使用去耦电容,关系到整个板的稳定性。
(14)器件布局分区/分层规则:
A. 主要是为了防止不同工作频率的模块之间的互相干扰,同时尽量缩短高频部分的布线长度。通常将高频的部分布设在接口部分以减少布线长度,当然,这样的布局仍然要考虑到低频信号可能受到的干扰。同时还要考虑到高/低频部分地平面的分割问题,通常采用将二者的地分割,再在接口处单点相接。
B. 对混合电路,也有将模拟与数字电路分别布置在印制板的两面,分别使用不同的层布线,中间用地层隔离的方式。
(15)孤立铜区控制规则:
孤立铜区的出现,将带来一些不可预知的问题,因此将孤立铜区与别的信号相接,有助于改善信号质量,通常是将孤立铜区接地或删除。在实际的制作中,PCB 厂家将一些板的空置部分增加了一些铜箔,这主要是为了方便印制板加工,同时对防止印制板翘曲也有一定的作用。
孤立铜区的出现,将带来一些不可预知的问题,因此将孤立铜区与别的信号相接,有助于改善信号质量。
通常是将孤立铜区接地或删除。在实际的制作中,PCB厂家将一些板的空置部分增加了一些铜箔,这主要是为了方便印制板加工,同时对防止印制板翘曲也有一定的作用。
(16)电源与地线层的完整性规则:
对于导通孔密集的区域,要注意避免孔在电源和地层的挖空区域相互连接,形成对平面层的分割,从而破坏平面层的完整性,并进而导致信号线在地层的回路面积增大。
(17)重叠电源与地线层规则:
不同电源层在空间上要避免重叠。主要是为了减少不同电源之间的干扰,特别是一些电压相差很大的电源之间,电源平面的重叠问题一定要设法避免,难以避免时可考虑中间隔地层。
(18)3W 规则:
为了减少线间串扰,应保证线间距足够大,当线中心间距不少于 3 倍线宽时,则可保持70%的电场不互相干扰,称为 3W 规则。如要达到 98%的电场不互相干扰,可使用 10W 的间距。
(19)20H 规则:
由于电源层与地层之间的电场是变化的,在板的边缘会向外辐射电磁干扰。称为边沿效应。解决的办法是将电源层内缩,使得电场只在接地层的范围内传导。以一个 H(电源和地之间的介质厚度)为单位,若内缩 20H 则可以将 70%的电场限制在接地层边沿内;内缩 100H 则可以将 98%的电场限制在内。
(20)五、五规则:
印制板层数选择规则,即时钟频率到 5MHz 或脉冲上升时间小于 5ns,则 PCB板须采用多层板,这是一般的规则,有的时候出于成本等因素的考虑,采用双层板结构时,这种情况下,最好将印制板的一面做为一个完整的地平面层。
工程师必备
- 项目客服
- 培训客服
- 平台客服
TOP




















