收藏丨断路器和交流接触器接线图
2022年4月8日 14:00断路器主要用作供电线路的保护开关、电动机及照明系统的控制开关,也可用于输、配电系统的某些重要环节。当线路发生短路、过载、欠压等故障时切断故障电路。
接触器在机床中用于频繁的接通和分断大电流的电路,具有动作迅速、操作方便和便于远距离控制的特点,但本身不具备短路保护和过载保护能力,因此必须与熔断器、热继电器配合使用。
接触器的接线方法有很多种,用的地方不一样,接线方法也不一样,这里指的是接触器的单一接法和多个接触器的接法,一般最常见的就是利用断路器、按钮开关、热继电器、延时继电器、数字继电器等低压控制元器件产品组合。其实,无论你用什么接触器,其功能和工作原理都是一样,无非是外形不一样。
主触头:三个主触头(用来接主控制电路)。
辅助触头:现在常用的接触器有CJX1、CJX2接触器这两个产品在辅助触头上有区别,CJX1是由四组辅助触点,可分为2NO(常开)、2NC(常闭),而CJX2从9A-32A都是有一组辅助触头,可组装成 10表示常开;01表示常闭。
控制电源:这里就是我们说的线圈电压,正常使用的一般为220V,380V,特殊伏数有12V,24V,36V,48V,72V,110V等。
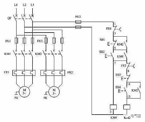
以下介绍电气施工中一些断路器和接触器控制回路接线图:
顺序启动、停止控制电路是在一个设备启动之后另一个设备才能启动运行的一种控制方法,常用于主、辅设备之间的控制,如上图当辅助设备的接触器KM1启动之后,主要设备的接触器KM2才能启动,主设备KM2不停止,辅助设备KM1也不能停止。但辅助设备在运行中应某原因停止运行(如FR1动作),主要设备也随之停止运行。
1、合上开关QF使线路的电源引入。
2、按辅助设备控制按钮SB2,接触器KM1线圈得电吸合,主触点闭合辅助设备运行,并且KM1辅助常开触点闭合实现自保。
3、按主设备控制按钮SB4,接触器KM2线圈得电吸合,主触点闭合主电机开始运行,并且KM2的辅助常开触点闭合实现自保。
4、KM2的另一个辅助常开触点将SB1短接,使SB1失去控制作用,无法先停止辅助设备KM1。
5、停止时只有先按SB3按钮,使KM2线圈失电辅助触点复位(触点断开),SB1按钮才起作用。
6、主电机的过流保护由FR2热继电器来完成。
7、辅助设备的过流保护由FR1热继电器来完成,但FR1动作后控制电路全断电,主、辅设备全停止运行。
1、KM1不能实现自锁:
分析处理:
1)、KM1的辅助接点接错,接成常闭接点,KM1吸合常闭断开,所以没有自锁。
2)、KM1常开和KM2常闭位置接错,KM1吸合式KM2还未吸合,KM2的辅助常开时断开的,所以KM1不能自锁。
2、不能顺序启动KM2,可以先启动;
分析处理:
KM2先启动说明KM2的控制电路有电,检查FR2有电,这可能是FR2接点上口的7号线,错接到了FR1上口的3号线位置上了,这就使得KM2不受KM1控制而可以直接启动。
3、不能顺序停止KM1,能先停止;
分析处理:
KM1能停止这说明SB1起作用,并接的KM2常开接点没起作用。分析原因有两种。
1)、 并接在SB1两端的KM2辅助常开接点未接。
2)、 并接在SB1两端的KM2辅助接点接成了常闭接点。
4、SB1不能停止;
分析处理:
检查线路发现KM1接触器用了两个辅助常开接点,KM2只用了一个辅助常开接点,SB1两端并接的不是KM2的常开而是KM1的常开,由于KM1自锁后常开闭合所以SB1不起作用。
另介绍一种改进交流接触器接线方法:
交流接触器等电气设备的接线端子有很多是采用拱形垫片的。这种接线方法对一个接线端子接一个线头是不成问题的,但要同时接几个线头或粗细不等的线头时,就会产生接触不紧密、螺钉易松动的现象。尤其当接触器用于频繁吸合和释放时,接线端子上的螺钉更易松动。这样就使拱形垫片与线头之间的接触电阻增大,甚至脱离,造成电气设备不动作或发生单相运转等故障。针对上述情况,交流接触器接线端子是拱形垫片时的正确接线方法应是:
先在拱形垫片下加两个平垫圈,接线时先把细线或软线弯成一大半圆圈,套在两个平垫圈之间,然后把粗线压在拱形垫片下,把螺钉拧紧,这样无论怎样振动,都和接线端子只接一个线头一样牢固和安全。
工程师必备
- 项目客服
- 培训客服
- 平台客服
TOP




















