常见电动机启动方式的特点图解
2022年4月18日 17:20常见电动机启动方式有以下几种:
1.全压直接启动;
2.自耦减压起动;
3.Y-Δ起动;
4.软起动器;
5.变频器启动。
目前软启动器和变频器启动为市场发展的潮流。当然也不是必须要使用软启动器和变频器启动,以成本和适用性为主要参考,下面简要介绍各种启动方式的特点。
1全压直接起动:
图一
在电网容量和负载两方面都允许全压直接起动的情况下,可以考虑采用全压直接起动。主要用于小功率电动机的起动,从节约电能的角度考虑,大于11kw的电动机不宜用此方法。
直接启动的优点是所需设备少,启动方式简单,成本低。电动机直接启动的电流是正常运行的5倍左右,经常启动的电动机,提供电源的线路或变压器容量应大于电动机容量的5倍以上
不经常启动的电动机,向电动机提供电源的线路或变压器容量应大于电动机容量的3倍以上。
这一要求对于小容量的电动机容易实现,所以小容量的电动机绝大部分都是直接启动的,不需要降压启动。对于大容量的电动机来说,一方面是提供电源的线路和变压器容量很难满足电动机直接启动的条件,另一方面强大的启动电流冲击电网和电动机,影响电动机的使用寿命,对电网稳定运行不利,所以大容量的电动机和不能直接启动的电动机都要采用降压启动。
2自耦减压起动:
图二
图三
利用自耦变压器的多抽头减压,既能适应不同负载起动的需要,又能得到更大的起动转矩,是一种经常被用来起动较大容量电动机的减压起动方式。它的最大优点是起动转矩较大,当其绕组抽头在80%处时,起动转矩可达直接起动时的64%,启动电压降至额定电压的65%,其启动电流为全压启动电流的42%,启动转矩为全压启动转矩的42%。
自耦变压器降压启动的优点是可以直接人工操作控制,也可以用交流接触器自动控制,经久耐用,维护成本低,适合所有的空载、轻载启动异步电动机使用,在生产实践中得到广泛应用。缺点是人工操作要配置比较贵的自偶变压器箱(自偶补偿器箱),自动控制要配置自偶变压器、交流接触器等启动设备和元件。
3Y-Δ起动:
图四
图五
对于正常运行的定子绕组为三角形接法的鼠笼式异步电动机来说,如果在起动时将定子绕组接成星形,待起动完毕后再接成三角形,就可以降低起动电流,减轻它对电网的冲击。这样的起动方式称为星三角减压起动,或简称为星三角起动(Y-Δ起动)。
采用星三角起动时,起动电流只是原来按三角形接法直接起动时的1/3。如果直接起动时的起动电流以6~7Ie计,则在星三角起动时,起动电流才2~2.3倍。这就是说采用星三角起动时,起动转矩也降为原来按三角形接法直接起动时的1/3。
适用于无载或者轻载起动的场合。并且同任何别的减压起动器相比较,其结构最简单,价格也最便宜。
除此之外,星三角起动方式还有一个优点,即当负载较轻时,可以让电动机在星形接法下运行。此时,额定转矩与负载可以匹配,这样能使电动机的效率有所提高,并因之节约了电力消耗。
4软起动器:
图六
图七
这是利用了可控硅的移相调压原理来实现电动机的调压起动,主要用于电动机的起动控制,起动效果好但成本较高。因使用了可控硅元件,可控硅工作时谐波干扰较大,对电网有一定的影响。
另外电网的波动也会影响可控硅元件的导通,特别是同一电网中有多台可控硅设备时。因此可控硅元件的故障率较高,因为涉及到电力电子技术,因此对维护技术人员的要求也较高。
运用串接于电源与被控电机之间的软起动器,控制其内部晶闸管的导通角,使电机输入电压从零以预设函数关系逐渐上升,直至起动结束,赋予电机全电压,即为软起动,在软起动过程中,电机起动转矩逐渐增加,转速也逐渐增加。软起动一般有下面几种起动方式:
(1)斜坡升压软起动:这种起动方式最简单,不具备电流闭环控制,仅调整晶闸管导通角,使之与时间成一定函数关系增加。其缺点是,由于不限流,在电机起动过程中,有时要产生较大的冲击电流使晶闸管损坏,对电网影响较大,实际很少应用。
(2)斜坡恒流软起动:这种起动方式是在电动机起动的初始阶段起动电流逐渐增加,当电流达到预先所设定的值后保持恒定(t1至t2阶段),直至起动完毕。起动过程中,电流上升变化的速率是可以根据电动机负载调整设定。
电流上升速率大,则起动转矩大,起动时间短。该起动方式是应用最多的起动方式,尤其适用于风机、泵类负载的起动。
(3)阶跃起动:开机,即以最短时间,使起动电流迅速达到设定值,即为阶跃起动。通过调节起动电流设定值,可以达到快速起动效果。
(4)脉冲冲击起动:在起动开始阶段,让晶闸管在级短时间内,以较大电流导通一段时间后回落,再按原设定值线性上升,连入恒流起动。该起动方法,在一般负载中较少应用,适用于重载并需克服较大静摩擦的起动场合。
软起动与传统减压起动方式的不同,笼型电机传统的减压起动方式有Y-q起动、自耦减压起动、电抗器起动等。这些起动方式都属于有级减压起动,存在明显缺点,即起动过程中出现二次冲击电流。
(5)电压双斜坡起动:在起动过程中,电机的输出力矩随电压增加,在起动时提供一个初始的起动电压Us,Us根据负载可调,将Us调到大于负载静磨擦力矩,使负载能立即开始转动。
这时输出电压从Us开始按一定的斜率上升(斜率可调),电机不断加速。当输出电压达到达速电压Ur时,电机也基本达到额定转速。软起动器在起动过程中自动检测达速电压,当电机达到额定转速时,使输出电压达到额定电压。
(6)限流起动:就是电机的起动过程中限制其起动电流不超过某一设定值(Im)的软起动方式。
其输出电压从零开始迅速增长,直到输出电流达到预先设定的电流限值Im,然后保持输出电流I这种起动方式的优点是起动电流小,且可按需要调整。对电网影响小,其缺点是在起动时难以知道起动压降,不能充分利用压降空间。
(7)突跳起动:在起动开始阶段,让晶闸管在极短的时间内全导通后回落,再按原设定的值线性上升,进入恒流起动,该起动方法适用于重载并需克服较大静摩擦的起动场合。
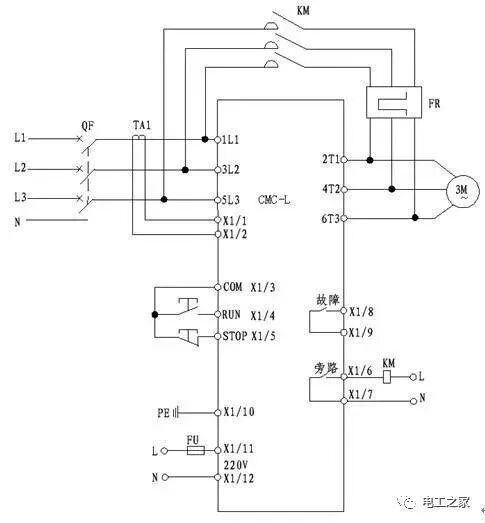
5变频器:
图八
图九
变频器是现代电动机控制领域技术含量最高,控制功能最全、控制效果最好的电机控制装置,它通过改变电网的频率来调节电动机的转速和转矩。
因为涉及到电力电子技术,微机技术,因此成本高,对维护技术人员的要求也高,因此主要用在需要调速并且对速度控制要求高的领域。
在以上几种起动控制方式中,星三角起动,自藕减压起动因其成本低,维护相对软起动和变频控制容易,目前在实际运用中还占有很大的比重。
但因其采用分立电气元件组装,控制线路接点较多,在其运行中,故障率相对还是比较高。从事过电气维护的技术人员都知道,很多故障都是电气元件的触点和连线接点接触不良引起的,在工况环境恶劣(如粉尘,潮湿)的地方,这类故障更多,但检查起来确颇费时间。
另外有时根据生产需要,要更改电机的运行方式,如原来电机是连续运行的,需要改成定时运行,这时就需要增加元件,更改线路才能实现。有时因为负载或电机变动,要更改电动机的起动方式,如原来是自藕起动,要改为星三角起动,也要更改控制线路才能实现。
工程师必备
- 项目客服
- 培训客服
- 平台客服
TOP




















