跳动公差与其他几何公差(二)
2022年9月23日 18:01浏览:5012 评论:1 收藏:1
跳动公差是几何公差中的综合控制项目,在之前的文章中我们了解了轴向跳动公差与垂直度、平面度之间的相互控制关系。
那么接下来我们来了解径向跳动公差与圆度、圆柱度、同轴度(同心度)之间的相互关系。
01
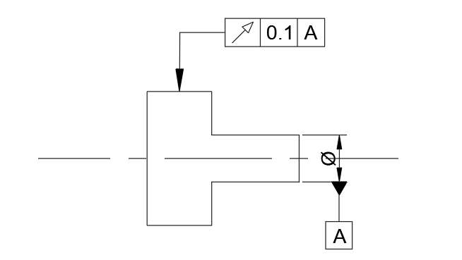
径向圆跳动与圆度、同轴度的关系
02
径向全跳动、圆柱度、同轴度
|
|
圆跳动 |
全跳动 |
|
径向跳动 |
(1)计算孔轴装配之后的配合性质,则按圆度; (2)计算孔轴能否顺利装配,则按同轴度处理。 |
(1)计算孔轴装配之后的配合性质,则按圆柱度; (2)计算孔轴能否顺利装配,则按同轴度处理。 |
|
轴向跳动 |
按平面度或方向公差处理 |
按平面度或方向公差处理 |
往期推荐
公差匹配系统解决方案提供商
专注公差匹配仿真(CAT)20年
诚丨智丨鹏
www.chengzhipeng.com.cn
技术邻APP
工程师必备
工程师必备
- 项目客服
- 培训客服
- 平台客服
TOP
4
1
1




















