工业硅基础知识系列一:有机硅
2022年11月29日 13:44有机硅化合物是指含有硅碳键的化合物,且至少有一个有机基团通过硅碳键结合到硅原子上。如甲基硅烷CH3SiH3、二甲基二氯硅烷(C2H5)2SiCl2等都是有机硅化合物,而SiC、Si3N4等则属于无机硅化合物。
自然界中至今未发现有机硅化合物的存在,只有在动物羽毛和禾本科植物中发现有硅酸酯类化合物,但这类物质并不含有硅碳键(Si-C),而只是含有硅-氧碳键(Si—O—C)。
有机硅高聚物的种类繁多,包括聚硅氧烷、聚硅烷、聚碳硅烷、聚氮硅烷等。有机聚硅氧烷是其中最重要的一类,其结构可表示如下:
其中,R为有机基团(如甲基、苯基等);n为硅原子上连接的有机基团数(n =1、2、3), m为聚合度。
一般认为的有机硅材料主要就是指以含聚硅氧烷主链的低聚或高聚物。有机聚硅氧烷之所以有广泛的用途,主要由于它们具有其他高分子材料所无法比拟的独特性能:如耐高温、耐低温、防潮、绝缘、耐腐蚀、耐老化及生理惰性等。有机硅高分子产品品种非常多样,有液体(硅油)、弹性体(硅橡胶)、树脂、乳液等,它们在宇航、航空、电气、电子、轻工、机械、化工、 建筑、农业、医学、日常生活等方面均已得到广泛的应用。
有机硅材料在它的组成中既有无机硅氧烷链,又含有有机基团,是一种典型的半无机高分子。而正是这种结构特点使它成为一种很特殊的高分子材料,并具有其它材料所不能同时具备的耐高温、阻燃、电气绝缘、耐辐射和生理惰性等一系列优良性能。特别值得一提的是,有机硅工业的发展史不同于通用合成材料。通用合成材料是以原料制造工艺、大型生产技术及产品的加工为中心发展的;而有机硅则是以产品开发为中心而发展的。在近几十年来,有机硅单体的生产工艺变化不大,而有机硅技术重点主要在于产品应用上,如有机基团的引入、聚合物结构和交联技术等方面。有机硅材料可以根据需要,设计出各种不同分子结构以满足各行各业不同场合下的使用要求。在设计多用途产品时,可以采取下列途径。
①变换硅氧烷分子结构。例如改变分子量和分子形状(线型、分枝状、交联密度)等。
②改变结合在硅原子上的有机基团。例如烷基(甲基、乙基、长碳链)、苯基、乙烯基、氢基、聚醍基、含氤烷基、含氟烷基、含氨烷基等。
③选择不同固化方法。例如自由基固化、缩合反应固化(包括脱醇反应、脱 酮脂反应、脱氢反应、脱水反应等)、加成反应固化等。固化条件可为加热固化、 紫外光固化、辐射固化等。
④采用有机树脂改性(共聚或共混)。例如环氧、聚酯、聚醍、丙烯酸酯等树脂。
⑤选择各种不同填料。例如金属皂、二氧化硅、炭黑、二氧化钛、氧化铁等。
⑥选择各种不同的二次加工技术。例如乳液、溶液脂、混炼胶、胶黏带等。
⑦釆用各种聚合技术。例如本体聚合、乳液聚合、嵌段共聚等。
高分子材料的关键在于单体技术的发展。有机硅工业的特点是集中的单体生产和分散的产品加工。因此,单体在合成有机硅材料的过程中起着纽带的作用,单体的生产水平直接反映有机硅工业的发展水平。有机硅单体有数千种,但具有工业价值的单体并不多。工业用有机硅单体大体包括含氯硅烷、环硅氧烷、烷氧基硅烷和酰氧基硅烷四种,其中前两种最为重要。
有机硅绝大部分是由二甲基二氯硅烷制得的聚二甲基硅氧烷作为基础聚合物,再引入其它基团加工为各种形态、适应各种功能要求的聚合物产品及制品。国内外目前普遍采用美国GE公司罗乔发明的直接法合成甲基氯硅烷工艺,即采用硅粉和氯甲烷气体在铜催化体系存在下进行反应生产甲基氯硅烷混合单体的方法,该方法原料易得、易于实现大规模连续化生产,是有机硅单体合成最成功、也是唯一实现工业化的生产方法。
经合成得到的混合甲基单体通过精馏分离得到二甲基二氯硅烷及其它各种精单体。二甲基二氯硅烷经水解、裂解制得二甲基硅氧烷低聚物(DMC、D4),作为进一步加工为各种有机硅聚合产品的基础原料。甲基氯硅烷水解副产的氯化氢经回收与甲醇合成氯甲烷。整套装置包括硅粉加工、甲基单体合成及分离、水解、裂解及环体蒸馏、回收氯化氢及合成氯甲烷等装置。
(一)含氯硅烷单体
有机硅含氯基本单体包括甲基氯硅烷(简称甲基单体)、苯基氯硅烷(简称苯基单体)、甲基苯基氯硅烷、甲基乙烯氯硅烷、乙烯基三氯硅烷和氟硅单体等。其中甲基氯硅烷最重要,其用量占整个含氯单体总量的90%以上;其次是苯基氯硅烷。
1.甲基氯硅烷的制备工艺
第一步 粗单体合成:目前工业化生产甲基氯硅烷单体采用的是直接合成法,而世界上各主要有机硅生产厂家都是用沸腾床(流化床)直接合成法生产。
流态化是一种利用流体(如气体或液体)带动固体颗粒运动,使固体颗粒产生类似流体的某些流动特性的一种技术。柱形流化床的结构设计简单,一般由上下两段筒体及内部换热管束组成,气体分布器位于下筒体底部,该种反应器制造简单,硅粉原料利用率高,且连续反应时间可达一周左右。
单体合成主要的生产原理为∶硅粉和催化剂铜粉经计量加入流化床反应器,以过热的氯甲烷气体为流化介质,在280~310℃及0.3~0.35MPa(G)条件下与氯甲烷进行反应生成甲基氯硅烷混合单体。其主要反应式如下:
直接法合成甲基氯硅烷单体所用的原料主要是纯度为99%以上的冶金级金属硅和氯甲烷。
反应产物和未反应的氯甲烷气体混合物及带出的硅、铜细粉经旋风分离器分离出大部分硅、铜细粉,经受料斗直接回床或间断排入细粉贮罐,交替回床。经三级旋风分离器后,合成气中残存的硅、铜细粉,在洗涤塔中除去。洗涤塔再沸器中的浆液通过闪蒸及冷凝,使排出系统的浆液中的高沸物得到回收。
气体经加压操作的粗单体塔及氯甲烷塔,分离出氯甲烷返回流化床反应器循环使用,得到的甲基氯硅烷混单体送至甲基单体分离装置时,通过导热油移出反应热。通过废热锅炉副产蒸汽,并入蒸汽管网,达到节能目的。
直接法的反应温度不宜过高,否则二甲基二氯硅烷的收率会降低,而多氯硅烷含量将提高。适当增加反应压强(4〜5atm)有利于二甲基二氯硅烷的生成。
副产物介绍:工业上在“直接法”生产甲基氯硅烷的反应过程中由于存在热分解、歧化以及氯硅烷水解原料中带进的水分等副反应,致使反应产物变得更加复杂。除主产物是二甲基二氯硅烷(简称二甲)或外同时还有 5-15wt%的甲基三氯硅烷(简称一甲)、1-2%的三甲基氯硅烷(简称三甲)和甲基氢二氯硅烷(简称一甲含氢),1-2wt%的低沸点混合物(简称低沸物)和6-8wt%高沸点混合物(简称高沸物)等。
上述副产物除三甲和一甲含氢外,其余的高沸物、低沸物和单甲的市场应用极其有限。由于这些副产物极易与空气中的水分反应产生氯化氢,故在排放、储存过程中都极易与空气中的水分反应产生氯化氢腐蚀性气体,造成生态环境污染,其中以高沸物和低沸物的组成比较复杂。
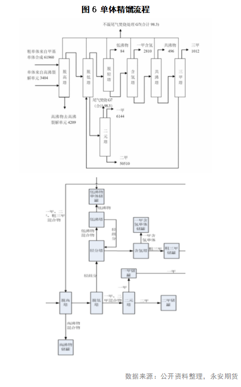
第二步 单体精馏:为了进一步对二甲基二氯硅烷提纯,必须用150-200块理论塔板的分流层进行分馏。粗甲基单体经分馏后可得到纯度达99. 95%以上的二甲基二氯硅烷。
由罐区来的粗单体经脱高塔(塔釜130-175℃)分离出高沸物(主要成分包括Cl2CH3SiSi(CH3)2Cl、Cl2CH3SiSiCH3Cl2等),塔顶(70-120℃)出料进入脱低塔。
脱低塔顶得到轻组分进入轻分塔。脱低塔塔釜得到一甲单体和二甲单体的混合物。
二元塔塔顶得到一甲产品,由泵送至罐区一甲单体储罐;二元塔塔釜得到二甲产品,由泵送至罐区二甲单体储罐。
轻分塔顶采出进低沸一塔,塔釜采出进含氢塔。含氢塔顶采出一甲含氢单体,由泵输送到罐区一甲含氢单体储罐。含氢塔釜采出粗三甲,由泵输送到罐区粗三甲储罐。低沸一塔塔顶采出进低沸二塔,塔釜采出回轻分塔。低沸二塔塔顶塔釜分别采出不同组份的低沸进罐区储罐。
高沸物塔处理来自高沸裂解工段的裂解产品。高沸物塔塔釜去除高沸裂解残物,塔顶馏出物进入三甲塔。三甲塔塔顶馏出低沸物由泵输送至低沸物储罐。三甲塔底出来的液体送至粗单体储罐作为精馏原料。
第三步 一甲单体与其转化:对于甲基三氯硅烷,即含有三个可水解的一基团,故在存放过程种极易见水产生气体。一甲可用于制备多种硅烷交联剂: 如一甲与甲醇或乙醇反应生成甲基三甲氧基硅烷和甲基三乙氧基硅烷;与醋酸、醋配、醋酸钠等反应生成甲基三乙酞氧基硅烷与酮肪反应生成相应的甲基三酮肪基硅烷,这些烷氧基硅烷和酞氧基硅烷是单组分室温硫化硅橡胶的交联剂。一甲还可以水解制备甲基硅树脂,与二甲、苯基三氯硅烷、二苯基二氯硅烷共水解、缩聚制备甲基苯基硅树脂;用于制备甲基硅酸钠、硅树脂微粉等建筑防水剂。但是这些产品一方面市场需求量有限,另一方面产品质量不稳定,成本较高,很难以大规模的方式对一甲进行处理和利用。同时,国内外目前大都实现了工业化或用于生产气相法白炭黑回收用于的生产。另一种较受关注的利用方式为单体转化法,即单甲与多余的三甲反应转化成二甲,综合利用甲基氯硅烷副产单体以提高总收率。
具体操作为,在单体转化器中,在催化剂的作用下,加入的一甲单体和三甲单体发生单体转化,得到二甲单体。反应得到的混合物作为粗单体原料送至精馏工段继续精馏。产品为混合单体,作原料送回精馏工段继续精馏以获得精单体产品。单体转化器中发生反应如下:
粗三甲单体和一甲单体,在单体转化器中(130-175℃)发生单体转化反应器顶部的蒸汽进入回流塔。回流塔顶蒸汽经过冷凝器冷凝后进入产品罐,产品一部分回流到回流塔,一部分作为单体转化产品输送至罐区粗单体罐(作为单体精馏原料)。回流塔底部液相回流至单体转化器。
第四步 高沸物及其裂解:高沸物是一种酱色、带有刺激性气味并具有强烈腐蚀性的混合液体,常温常压下密度约为1.13g/cm3左右,沸程在80-215℃之间。高沸物的组成与有机硅单体生产中硅粉的纯度、催化剂的性质以及反应条件等密切相关,不同生产工艺甚至同一生产工艺不同批次中高沸物的组成和含量都各不相。
可见,高沸物含有少量的Cu、Al、Zn和硅粉,其最主要的成分为Cl2CH3SiSi(CH3)2Cl、Cl2CH3SiSiCH3Cl2。但是,以上报道中并没有介绍其准确对高沸物组成与定量的分析方法。而高沸物本身组成的复杂性及易水解性也决定了分析上的困难。
由于高沸物组成复杂且不能用简单的方法将其制成有用的有机聚硅氧烷,大量高沸物的处理比较棘手。长期以来,高沸物仅用来作防水剂之类的低档产品,由于这类产品市场需求量不大而得不到有效利用。长期储存对储罐腐蚀厉害,直接排放又会对环境造成污染。
2.甲基氯硅烷的品种与性质
由于硅氯键的特殊活泼性,含氯硅烷可以与很多官能基团反应,制成一系列有机硅化合物,因此其被广泛地应用在硅橡胶、硅树脂和硅油领域。含氯硅烷虽然种类繁多,但是能够在工业硅中发挥价值的并不多,下表为应用较多的含氯硅烷,其重要性从左到右逐步下降。
3.低沸物的处理
低沸物是由沸点在40度一下的副产物组成的混合物,组成极为复杂。
与高沸物相同,低沸物的组成同样受到硅粉的纯度、催化剂的性质以及反应条件等的影响,不同生产线甚至同一生产线的不同批次中低沸物的组成和含量不尽相同。
可以认为低沸物中的主要成分是甲基氯硅烷、含氢氯硅烷和少量的碳氢化合物。而其中最主要的成分是(CH3)4Si和(CH3)2SiHCl。
尽管其主要成分(CH3)4Si和(CH3)2SiHCl具有较高的使用价值,但是由于各组分间沸点接近而很难分离而难以使用。国外用低沸物来生产气相法白炭黑,但国内技术不成熟,只能将其直接排放。
最新的研究发现,以氯化铝( AlCl3 )为催化剂,在一定的温度与压力条件下,采用低沸物与氯化氢反应,能够成功将低沸物中的四甲基转化成三甲基,(CH3)2SiHCl转化成工业上需求量最大的二甲,大大地提升了低沸物的利用率。
4.一甲基含氢单体的处理
一甲含氢单体可以在三甲基氯硅烷作为止链剂时,共水解生成含氢硅油,并副产盐酸。其反应式为:
来自一甲含氢单体储罐的一甲含氢单体与来自三甲储罐的三甲,提前在混合器中完全混合,然后进入到水解环路中反应。反应混合物从该环路的顶部分离进入水解分层器。纯水进料到环路作为水源。
含氢硅油通过水解分层器分离出含氢硅油(顶部)和20%盐酸(底部)。在水解稳定釜内进行充分水洗含氢硅油。通过一级分层器、二级分层器进行分离,顶部含氢硅油进入脱水塔,底部酸性废水送污水处理站处理。脱水后的含氢硅油进入固定床反应器。
(一)环硅氧烷(DMC)
1.环硅氧烷简介
中间体的必要性:一般通过二官能团的氯硅烷水解即可合成线型聚硅氧烷。但若需要合成分子量较高的线型聚硅氧烷(聚合度超过1000),需要对单体的纯度做很高的要求,其中一甲的含量必须大大低于万分之一,不然就会产生支链甚至交联,影响产品质量。由于一甲和二甲的沸点较为接近,高纯度的二甲较难得到。
在工业中为了克服这个难题,人们通过环型硅氧烷单体来合成线型聚二甲基硅氧烷。在所有的环型硅氧烷单体中,迄今为止只有环三硅氧烷(D3)、环四硅氧烷 (D4)和环五硅氧烷(D5)具有商业价值,并被较大量地生产和应用。其中D3和 D4被作为单体用来合成线型聚硅氧烷,而由于D5与大部分醇和其它化妆品溶剂有很好的相容性,而且无味、无毒、无刺激并且清洁不油腻,具有良好的延展性和涂抹性,所以它被用作各种个人护理产品的基础油。此外,它还替代了四氯乙烯作为环保干洗溶剂。
2.环硅氧烷的制备工艺
第一步 二甲水解
生产原理∶二甲单体在酸性环境下与水发生水解反应,最终生成线体和环体硅氧烷组成的多组分混合物,其反应方程式如下∶
温度需要控制在38-45℃,压力控制0.1-0.25MPaG。
采用二甲单体连续浓盐酸环路水解工艺路线,即二甲单体与盐酸进行水解反应,生成水解物并放出HCI气体;
水解物经中和水洗后送硅氧烷裂解及精馏工段和107 胶工段作为中间原料,HC1气体经除油除雾后送氯甲烷合成工段及高沸裂解工段作为中间原料。
该步骤由水解、一二级水洗、一二级碱洗、三级水洗、HCl除油除水、降膜吸收(及尾气处理等几个主要部分组成。
来自单体罐区的二甲与盐酸,先进入浓酸环路水解反应系统。水解反应的产物为水解物和浓盐酸的混合体,两者在预分离器进行初步分离,底部的富酸溶液靠重力流至盐酸循环泵形成环路,顶部的富油相溢流至相分离器进一步液-液相分离。酸分离器上层的含微量酸的油状物去稀酸一、二级水洗系统净化。酸分离器下层浓酸自流至浓盐酸罐,后管道输送至浓盐酸贮槽。
油状物经碱中和系统净化,碱中和系统分为一、二级碱洗系统。产生的废碱液送至污水处理。
经碱中和后第五环路分层器的上层油碱混合物溢流至三级水洗釜进行油碱分离,下层为碱液,碱液连续返回碱槽供循环使用。
第六环路分层器上层的水解物溢流至水解物贮槽,后经泵送至水解物罐区,供硅氧烷裂解及精馏工段和107胶工段使用。
第二步 环氧硅烷裂解
生产原理∶二甲水解物是由线体和环体硅氧烷组成的多组分混合物。本装置通过催化裂解将线形硅氧烷裂解重排,生成以D4为主的环体混合物(DMC)。
该反应为硅氧键重排反应,采用蒸汽加热至135-165℃并在KOH催化作用下,反应能较快进行。重排反应是可逆反应,所以在反应进行中,必须不断蒸出生成的环体,线形聚合物才能全部转变成环体。
第四步 环体精馏
环体精馏是将裂解出来的环体采用两塔连续工艺分离出D3、高环、DMC等产品。
塔釜液进入产品塔,产品塔塔顶得到DMC,经 DMC中间泵送至成品罐区贮存。塔釜出料为高环,进入高环贮槽,送回二甲水解工序。
有机聚硅氧烷的定义为:以Si—O—Si键为主链,硅原子上直接连接有机基团的高分子化合物,其结构通式如下:
其中R为有机基团,如甲基、苯基、乙烯基等,n为聚合度。
和普通高分子化合物一样,根据链结构的不同有机聚硅氧烷也可分为线型、支链型、交联型等。
有机聚硅氧烷的制备方法大体可分为两大类:缩聚反应和开环聚合反应。
缩聚反应是具有两个或两个以上官能团的单体,相互反应生成高分子化合物,同时产生小分子的化学反应。开环聚合反应是一种加聚反应,即在反应过程中并不放出小分子副产物,因此加聚物的化学组成和起始单体相同。
缩聚反应原理:工业中氯硅烷的水解和缩合是制备聚硅氧烷的主要方法之一。氯硅烷的水解包括两个反应过程,首先它水解并生成硅醇,然后硅醇间脱水或和氯硅烷脱氯化氢而缩聚成硅氧烷。
二甲是最常用的氯硅烷单体,它水解的主要产物为环型硅氧烷和羟基封端的线型聚二甲基硅氧烷的混合物,常被称为水解物。线型产物的链长及其和环型硅氧烷的产率比可以通过改变反应条件来进行控制。
盐酸的浓度及其和产物的接触时间起着确定性的作用。如果把产生的盐酸快速中和,或让反应在加压下进行则会形成短链结构的硅氧烷二醇,它可以用作硅橡胶中的结构控制剂。
水解产品构成也可以通过所用水的多少和加入顺序来调节。在水大量过量的条件下(把氯硅烷加到水中),产物以分子量较小的线性聚硅氧烷和环型硅氧烷为主(与上节二甲水解原理相同)。而当把水逐步加到氯硅烷中去时(逆水解),产物的结构则会有所不同,并能 得到分子量较大的线型聚硅氧烷。
因此,为了使二甲能完全转化为羟基封端的线型聚硅氧烷,工业中采用连续水解的方法。这是利用在催化剂存在的条件下硅氧键会产生断裂并形成平衡体系的原理,让从反应体系中分馏出来的环型低聚硅氧烷在酸催化条件下和二氯硅烷反应,从而形成二氯封端的线型聚硅氧烷。
开环聚合反应原理:环硅氧烷的开环聚合反应是指二甲水解与裂解后得到的环型硅氧烷单体在催化剂作用下断裂重排变成线型硅氧烷的过程。和缩聚反应相比,通过开环聚合能很好地控制产物的结构和分子量,并能得到较高分子量的化合物。环硅氧烷的开环聚合是目前工业制备线性聚硅氧烷最为重要、最为普遍的方法,如高温胶和硅油等大都是通过这种方法来合成的。在大量的环型硅氧烷单体中,八甲基环四硅氧烷(D4)和六甲基环三硅氧烷(D3)是两个最重要的合成线型聚硅氧烷的单体。
聚合过程包括原料计量、脱水、配料、聚合、破煤、脱低分子、冷却、出料等操作。
原料中存在的水分会破坏催化剂,使聚合反应受到影响,同时,水分也是封端剂, 产生羟基封端的聚硅氧烷分子,从而影响产品质量。
环硅氧烷在碱性催化下,在温度大于95度时即可开始开环聚合,具体反应温度取决于所用的催化剂。生胶合成中应用最广的催化剂是硅氧烷醇钾和硅氧烷醇四甲基铵(碱胶)。
硅橡胶在聚合过程中只放出少量热,因此聚合温度主要靠外部供热获得。
环硅氧烷在引发以后,反应速度非常快,形成黏度高峰。由于高聚物的传热性很差,因此,传质和传热都十分困难,要做好匀质和匀热,必须靠加强搅拌。
在聚合反应达到平衡后,其原料环硅氧烷的转化率仅为85%左右,另有15% 左右的低分子环体存在胶中,还需通过加热破煤等方式脱除。
工程师必备
- 项目客服
- 培训客服
- 平台客服
TOP




















