高电压起痕试验仪如何让电动汽车在1000V高压快充更安全?
2024年7月29日 18:01随着电动汽车的市场渗透率不断提高,对快速高效的公共充电的需求也在增长。预计到2050年,电动汽车的销售占比将达到60-80%。研究表明,用大约15分钟充满80%的电量对大多数消费者来说是一种便捷的方式,其体验与给燃油车加油相似。为了实现这一目标并尽可能提高充电过程中的效率,电动汽车行业正朝着乘用车800V的高压充电方向发展,这就要求使用的材料具有高耐漏电起痕性。
2050年
60-80%
电动汽车的销售占比将达到
消费者对公共快速充电服务的广泛需求,需要可靠和安全的高压(HV)充电基础设施来满足。下一代800 V电动汽车将需要具有高耐漏电起痕性的塑料绝缘材料。相对漏电起痕指数(CTI)是耐电痕性的量度。相应的IEC 60112或ASTM D3638标准均用于测量CTI来衡量耐电痕性,但两者的测试限值都是600 V。
对于电动汽车中的高压(600 V以上)应用,高压漏电起痕设备模拟在工频电压(1kV~6kV)或直流电压(1kV~6kV)下,用液体污物和斜面试验,通过耐电痕化和蚀损测量评定严酷环境条件下电动汽车材料的绝缘性能。
测试标准
· GB/T 6553-2014 严酷环境条件下使用的电气绝缘材料 评定耐电痕化和蚀损的试验方法.
· IEC 60587-2007 Electrical Insulating Materials Used Under Severe Ambient Conditions - Test Methods For Evaluating Resistance To Tracking And Erosion Of Electrical Insulating Materials Used Under Severe Ambient Conditions
· ASTM D2303-13 Standard Test Methods for Liquid-Contaminant, Inclined-Plane Tracking and Erosion of Insulating Materials
国高材分析测试中心高电压气痕试验仪
试验内容
试验样品
用于高压漏电起痕试验的样品尺寸为120mm×50mm,推荐使用样品厚度6mm,试样应装有电极孔,具体样品尺寸如图1所示。每种材料至少试验5个样品。
试验装置
高压漏电起痕试验装置包括试验电极、滴液装置、升压装置等。
a) 试验电极
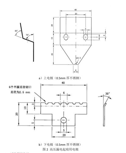
试验用电极分为上下电极,两电极间距为50mm,上下电极具体尺寸如图2所示。
b) 试验用污染液
除非另有规定,采用质量分数为0.1%±0.002%的分析纯氯化铵(NH2Cl)和质量分数为0.02%±0.002%的异辛基苯氧基聚乙氧基乙醇的非离子性湿润剂配以蒸馏水或去离子水。污染液在(23±1℃)的电阻率应为3.95±0.05Ω·m。
c) 试验用滤纸
试验用滤纸厚度为(0.2±0.02)mm,试验用滤纸尺寸及其制备装置如图3所示。每个电极需要8张滤纸。
d) 电极装置
样品、滤纸安装后电极装置及实物图如图4所示。
试验方法
高压漏电起痕的试验电压包括:
①工频电压;②直流电压。
试验方法包括:
①恒压电痕化电压法;②逐级电痕化电压法。
恒压电痕化电压法
选择试验电压(2.5kV,3.5kV或2.5kV),确认污染液流速,进行6h恒定试验。
逐级电痕化电压法
选择一个其值为250V倍数的起始电压,从起始算起,使得在第三级电压之前,不发生标准A(电流超过60mA)的破坏。污染液均匀流下后,升高电压至选定值,保持该电压1h,以后每小时按250V逐级升压直至发生标准A的破坏。逐级电痕化电压是五个试样经受1h后均无破坏的最高电压。
可根据以上试验电压类型和试验方法选择材料适用的高压漏电起痕试验方法。例如:工频电压下恒压电痕化法,直流电压下逐级电痕化法等。
试验参数
高压漏电起痕试验前需确认试验参数主要是试验电压值,污染液流速根据试验电压确认。试验电压污染液流速与串联电阻值的选择参考表1所示。
失效标准
高压漏电起痕试验失效标准主要包括以下两种:
标准A:当高压回路通过试样的电流值超过60mA(2~4s过流装置切断电源),或者当试样由于集中腐蚀出现穿洞,或者试样着火时视为达到终点。
标准B:电痕到离下电极25mm处的试样表面的标记时,或者当试样由于集中腐蚀出现穿洞,或者试样着火时视为达到终点。
结果评定
1. 恒定电痕化电压法材料分级
a) 1A0或1B0:在2.5kV下任一试样6h内破坏。
b) 1A2.5或1B2.5:五个试样均能接受2.5kV电压6h试验,而在3.5kV下任一试样6h内破坏。
c) 1A3.5或1B3.5:五个试样均能接受3.5kV电压6h试验,而在4.5kV下任一试样6h内破坏。
d) 1A4.5或1B4.5:五个试样均能接受4.5kV电压6h试验。
2.逐级电痕化电压法
2Ax或2Bx,x为被试材料耐受的最高电压,单位为kV。
本周直播
为了提高产业链高分子材料耐高压性能评价水平,助力电动汽车高压快充更安全,本周四直播间将为大家分享《电气绝缘材料高电压斜面起痕试验方法及其失效行为评价》。
直播主题:《电气绝缘材料高电压斜面起痕试验方法及其失效行为评价》
直播时间:8月1日(周四)17:00-18:00
直播大纲:
- 高电压斜面起痕试验工作原理
- 测试方法及标准
- 结果评定方法
- 案例分析
直播地址:扫码预约
工程师必备
- 项目客服
- 培训客服
- 平台客服
TOP




















