液压系统设计工程师是如何选择过滤器的(转自 液压传动与控制)
2021年2月20日 23:2470-80%的液压系统故障和90%的轴承失效都是液压系统或润滑系统污染所导致。
液压系统设计工程师在设计系统的时候,会采用不同的方法来选择过滤器通流能力。
一种方法是按过滤器标识的流量来选择,比如说泵出口按泵流量的1.5倍、循环和回油按2~3倍的流量来选取。
另一种方法是按油液通过过滤器产生的压降来选择。
按前一种方法,误差比较大,因为没有考虑过滤精度、压差等因素。有时候为保守起见,选择的过滤器能力偏大。而按压差选择过滤器通流能力,应该是更合理的方法,也是本文讨论的重点。
需要把握一点的是,在选择过滤器的时候,通流能力、过滤精度和初始压差是影响过滤器成本的主要因素。
在液压系统里,根据安装位置的不同,分为泵吸油口过滤器、高压过滤器(泵出口或者阀块前)、回油过滤器、循环过滤器和空气滤清器。
吸油口过滤器
泵入口安装吸油口过滤器无法保证精密过滤,只能过滤大颗粒杂质,从而保护泵避免加快磨损。
过滤器的安装相当于增加了一道阻尼,因此需要防止泵吸空产生气蚀的现象,特别是在冷启动的情况。因此大多数的情况下,我们并不推荐安装泵入口过滤器。
选用原则:过滤精度一般考虑在75~125µm,初始压差低于0.2bar或更小。
高压过滤器
高压过滤器一般安装在泵出口或者在阀台前,采用管路安装或者板式安装等方式。特别是对于伺服系统,伺服阀前或者先导控制口前必须要考虑过滤器。
高压系列的过滤器壳体和滤芯因为承受的压力等级比较高,因此与低压过滤器相比,其价格更昂贵。
滤芯一般不在线进行更换。
选用原则:过滤精度一般考虑10µm(伺服系统阀台前建议考虑5µm),初始压差低于2bar,报警压差5bar,经过旁通单向阀的压差6bar。
回油过滤器
回油过滤器属于低压过滤器,用以过滤来自执行器的回油,减小脏物进入油箱的几率。通常情况下都会设置旁通阀。
对于双筒过滤器,一般提供切换手柄,可在不停机的情况下在线切换,更换脏滤芯。
选用原则:过滤精度一般考虑10~20µm(伺服系统建议考虑10µm),初始压差低于0.4bar,报警压差2bar,经过旁通单向阀的压差3bar。
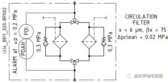
循环过滤器
循环过滤器一般独立于主泵运行,且连续运转的。通常循环泵1小时内需要保证把油箱里的油液循环3~5次,因此循环过滤器纳污效率较高,可以较好的保证系统过滤的精度。
一般可以停机或者在线更换滤芯(如果是双筒过滤器的话)。
有些情况下,设计备用接口,循环过滤器作为加油过滤器使用。
选用原则:过滤精度一般考虑5~10µm(伺服系统建议考虑5µm),初始压差低于0.2(不高于0.4)bar,报警压差2bar,经过旁通单向阀的压差3bar。
空气滤清器
空气滤清器用以过滤进入油箱的空气。
选用原则:过滤精度一般考虑在10~40µm,空气流量为泵流量的4~10倍。
简而言之,过滤器的选择需要综合考虑如下因素。
应用场合:什么行业的
安装位置:在液压系统的哪个位置
元件敏感度:液压传动系统或者液压伺服系统
过滤精度:与安装位置,系统过滤精度要求,成本控制等有关
介质类型
油液黏度:影响压差计算
工作温度:影响黏度
工作压力:低压还是高压
体积流量:既要保证压差,又要控制成本
是否需要旁通单向阀
发讯装置
初始压差:期望初始压差,与较多因素有关
划重点来了
初始压差的选择和计算是系统工程师必须考虑的问题。过滤器的总压差包含两部分:壳体压差和滤芯压差。
△P总=△P壳体+△P滤芯
在样本上查看曲线时,其压降的测试条件与油液密度和黏度有关,实际应用时必须考虑其转换系数。如HYDAC测试条件为:密度0.86kg/dm3和运动黏度32mm2/s。
壳体压降△P壳体
首先要去样本上查看壳体压降曲线,得到实际流量时壳体的理论压降值。如果有切换阀,还需考虑此部分压降的影响。
实际压降需要考虑流体密度的不同,计算如下。
通常情况下,壳体压降的影响很小。
滤芯的压降△P滤芯
也需要查看曲线,首先得到理论值。下表曲线需要综合考虑实际使用的滤芯过滤精度以及每个筒滤芯的数量n(每个滤芯流量是总流量的1/n)。
实际压降需要考虑密度和黏度的影响,计算如下。
根据上述计算得到的壳体压降和滤芯压降,就可以得到实际系统过滤器的总压降。
总原则:
△P总≤0.2*P发讯装置报警压力
不同类型的过滤器,发讯装置报警压力的设定是不一样的。下表我们参考HYDAC的设定为例。
注:本文主要讨论工业液压系统,其它行业仅供参考
工程师必备
- 项目客服
- 培训客服
- 平台客服
TOP




















