关于液压同步回路,系统设计工程师有哪些选择?(转自液压传动与控制)
2021年2月20日 23:35为了实现同步功能,根据传动方式的不同,可以分为几种同步方式:机械传动同步、液压传动同步、电气传动同步。
同步运动包括速度同步和位置同步两类。速度同步是指各执行元件的运动速度相同,而位置同步是指各执行元件在运动中或停止时都保持相同的位移量。
根据笔者的经验,现总结常见的几种多缸运行液压位置同步回路,供大家设计和使用时参考。
1. 节流阀同步回路
图示两个油缸的同步由普通的节流阀来调节。在每个油缸的无杆腔和有杆腔均设计有节流阀,可以对每个油缸活塞杆的伸出和缩回速度单独进行调节。为保证同步效果,建议中间管路的布置尽量对称,这一点也适合以下谈到的各种回路。
优点:回路简单,容易实现,成本低。如果存在机械刚性连接,同步效果会更好!
缺点:同步精度不高,调节流量易受负载变化的影响。
2. 调速阀同步回路
图示为采用调速阀同步的回路,每个油缸设计一个独立的调速阀,可以对油缸的速度单独调节。如果多个油缸的布置比较分散,为了减小管路,建议把调速阀做成缸旁块的型式,直接安装在油缸上。
优点:由于调速阀的特性,节流孔调定后其前后压差不变,不受负载变化的影响,因此其同步精度比节流阀高。
缺点:适用于普通精度要求的场合。
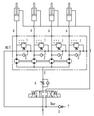
3. 分流马达同步回路
图示为典型推荐的分流马达同步回路设计。一般来说溢流阀1和单向阀2可以由同步马达厂商整体提供并设定好。单向阀3的选择必须注意弹簧开启压力。节流阀4用于同步马达速度的控制,对于垂直负载来说,必须是出口节流。
同步马达有各种型式,如齿轮式和柱塞式等,同步精度也各有差异。
作为一个独立的流量控制机构,分流马达对于同步误差不具备直接的测量手段,所以同步误差只能在液压缸到达行程末端时进行调整。图中液压回路中安装的各类阀具有以下一些功能:溢流阀1的目的是防止在液压缸出口由于压力过大而产生过高压力。因此即使回路中只有一只液压缸已经提前完成了整个行程,其它的液压缸仍然可以正常完成其工作行程。单向阀2和3的作用 是保证分流马达的每腔分配室都能维持一个大约4bar的最小压力。
保证系统最小压力是非常重要的。当其中一只液压缸已经完成其全部工作行程时,分流马达仍然在为其余速度较慢的液压缸工作。这时,系统的最小压力就保证了管路相通的速度较快的液压缸不会发生吸空现象。
优点:分流马达可以实现多个油缸(部分产品可以达12个油缸)同步,根据不同马达类型和不同供应商产品制造工艺,同步精度在0.5~5%之间,同步效果不错。
缺点:具有较高同步精度的分流马达如柱塞式分流马达较贵,而且同步效果受油液黏度、流量水平、负载均衡程度等的影响。如果多个油缸在运行过程中的负载很不均衡,不推荐采用分流马达同步回路,因为其不具有自动补偿功能。
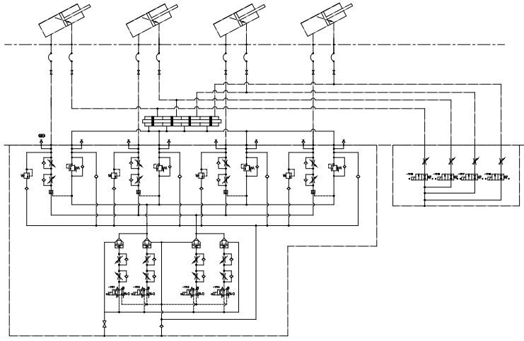
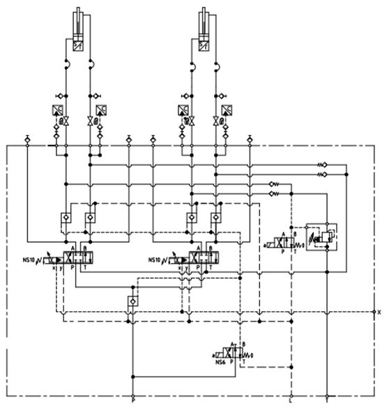
4. 由调速阀+节流阀(阻尼)补偿+位移传感器等构成的回路
图示为采用调速阀+节流阀(阻尼)+位移传感器的原理参考。在该设计中,一个主电磁换向阀之后是四个调速阀,分别控制四个油缸的升降。但是由于负载的不均衡,或者无法确保四个调速阀完全调的一致,油缸的位移在运行过程中会有偏差,如果偏差超出可接受值,这时候可以通过每个油缸独立的“电磁阀+液压锁+阻尼”回路对此进行补偿,补偿是属于微调的流量,具体什么时候该补偿,补偿多少,需要结合油缸上位移传感器的数值通过编程实现。
优点:每个油缸可以单独调节,与位移传感器组合实现闭环控制,实现自动补偿,控制精度较高,不受偏载影响。
缺点:系统设计略复杂,需要用到位移传感器,对电气控制要求更多了。
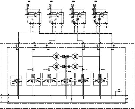
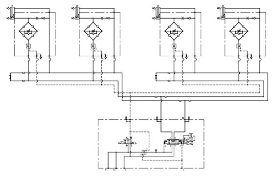
5. 同步缸同步回路
图示为采用同步缸的液压回路参考。每个油缸的速度由调速阀控制(图示画法为节流阀),同步效果由同步缸保证。作为可选项,为了弥补长期工作之后油缸内泄露对同步效果的影响,右边的独立阀组用于终点补油,可不定期用。
优点:因为每次同步缸动作时排出的体积绝对相等,同步精度高。
缺点:同步缸需要根据实际系统定制,无标准化产品,通常比较昂贵。
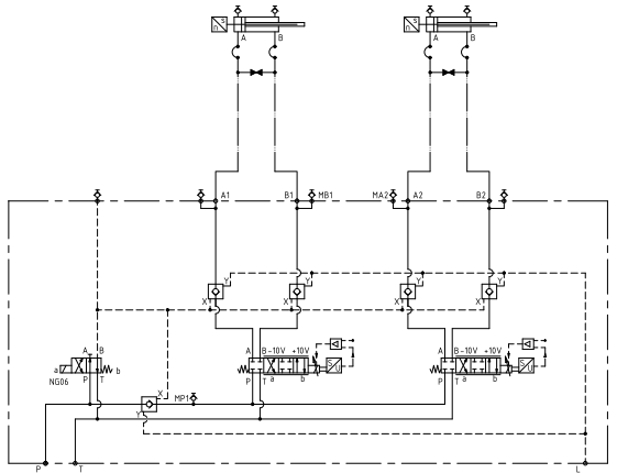
6. 比例阀/伺服阀同步回路
比例阀控制同步回路
伺服阀控制同步回路
图示同步回路为采用比例阀/伺服阀的两缸同步回路。每个油缸对应一个比例阀/伺服阀,油缸运行位置由位移传感器检测,实现闭环控制。
通常采用伺服阀同步的回路,也是一个压力控制回路,即该设备需要实现“位置控制+力控制”的双重控制。
优点:控制精度高,可达到μm级别的控制,原理通常并不复杂。
缺点:对电气控制要求高,需要电气工程师与液压工程师共同配合,结合比例阀或伺服阀的不同特性,实现最优的控制策略,才能保证同步效果。
当然除了这几种回路之外,还有其它型式的同步设计如分流阀同步回路、油缸串接回路、等流量双泵回路等,此处不在赘述。
工程师必备
- 项目客服
- 培训客服
- 平台客服
TOP




















