平衡阀应用场合及使用注意事项(转自液压那些事)
2021年3月6日 13:15平衡阀主要是用于实现负负载平稳下降。实际上就是安装在油缸背压腔出口(图示C2口),受驱动腔压力(C1-V1口)控制的液阻,驱动腔压力(C1-V1口)压力并非我们通过泵、溢流阀控制,它是由系统输入流量决定的。
因此用平衡阀不能直接控制活塞的移动速度,活塞移动速度主要取决于系统能调节流量的泵/阀决定。
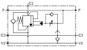
1.双向平衡阀
(1)当一个油缸为双向负载,用双平衡阀(A07031103.00、A07038129.00)
(2)当换向阀处于中位,平衡阀保持负载,若负载变小(负载变小,有可能是重物不变,但是作用方向改变从而造成油缸C2腔压力变化,例如高空设备变幅和伸缩),就会引起C2腔压力变小,此时由于油液的弹性,油缸会稍有伸出,如果此微小伸出不可接受,则需要用双平衡阀。例如一些高空平台的变幅平衡阀、伸缩平衡阀。
(3)注意事项,当一个油缸位置较高,油箱较低,且油缸到油箱之间管路较长时,为防止由于虹吸现象造成换向阀从中位切换到工作位置时需要较长的建压时间,通常会在T口放置一个单向阀,背压可以为0.1-0.2Mpa左右。
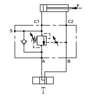
2.用于控制行走马达
在马达控制回路中,因马达存在内泄露,平衡阀无法起到负载保持的作用,只是起到液控节流功能,需要额外的制动器进行保持负载。
(1)平衡阀用于控制行走机构(例如HBS的A078281.03.00),行走机构通常为摩擦力负载,为正负载,在斜坡时为负负载,为保持机器处在斜坡位置,需要双平衡阀。因为行走速度不高,同时摩擦阻力,惯性不大,持续时间不长,停止时不会引起反向运动,通过马达内泄露即可消除惯性负载。
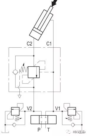
(2)用于控制绞车,HBS的A068455.02.00,只有当C3的压力超过制动器的开启压力Pz,制动器才会打开,绞盘才可以运动。否则会造成制动器时开时关,对制动器摩擦片磨损很厉害,同时造成负载运动不平稳。
当绞盘上升时:
V2min=C3min>Pz
其中,Pz为制动器开启压力;V2min为负载压力为最小时V2口压力;
当绞盘下降时:
Pt为平衡阀设定压力;Pcmax为最大负载压力;R为先导比;20bar为制动器开启压力Pz。
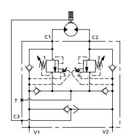
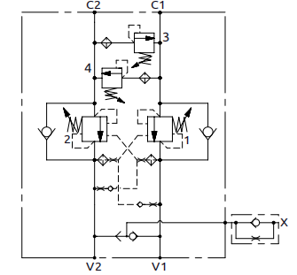
(3)用于控制回转机构A080602.02.00(图一)、A080402.12.00(图二),此种回转问题主要是处理回转机构制动时由于较大的惯性所造成的剩余动能,此剩余动能较大,有可能会造成机构的反转。
图一所示:
回转阀可以通过合理的设定平衡阀1.2和缓冲阀3.4的设定值,确保既能实现平稳的缓冲、又能较高的定位精度。
图二所示:
溢流阀设定压力低,制动比较柔和,但定位精度差一些。
溢流阀设定压力高,但定位精度高一些,但剩余压力还会造成反转。
可以通过调定合理的溢流阀设定值确保既能实现平稳的缓冲、又能较高的定位精度。
图一
图2
3.用于提高回路安全性
对于安全性较高的设备,可以考虑液控单向阀串联平衡阀,在没有控制压力时,如果两个阀中其中一个失效,依然能保证设备安全。
如果液压锁失效,平衡阀没有失效,工作人员很难发现这个问题。如果平衡阀失效,液压锁工作,那么负载下降运动时,会有抖动。
工程师必备
- 项目客服
- 培训客服
- 平台客服
TOP




















