如何利用电液换向阀的内控、外控和内泄、外泄(转自液压传动与控制)
2021年3月13日 23:31液压设计工程师和维护工程师使用电液换向阀的时候,经常思考的问题是,对于某一个回路或应用,到底该用内控外控,还是内泄外泄呢?
电液换向阀是与电磁操纵的先导阀组合成一体的液动换向阀,用控制油路中的压力油推动阀芯。
对于NG06或者更低通径的方向阀,其最大额定流量通常不超过80L/min(额定流量通常基于阀压差在2.5~3.5bar之间),直接采用电磁铁的推力就可以推动阀芯的运动。但是对于大多数的NG10或者更大通径的阀,就需要采用电磁铁作为先导阀,利用液压力来推动主阀芯。这时候就需要考虑先导供油和排油方式了。
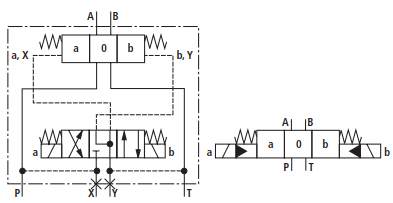
设计师们经常在系统原理图中用简化的符号来表达电液换向阀,如右图所示例。为便于理解,我们需要查看左图的详细职能符号。由图可见,电液换向阀一般由一先导电磁阀和一液控主阀构成,先导电磁阀得电后,控制油或泄油分别与主阀的左、右腔体相连,液压力与弹簧力比较,从而推动阀芯运动。
电液换向阀控制油x可以取自主油路的P口,此为内控,也可以来自独立油源,此为外控。
对于系统压力较高的液压系统,为防止换向冲击,不建议控制油x取自主P口即内控的方式,而是建议采用外控的方式。采用外控时,可以获得更稳定的控制油压力。采用外控时,独立油源的流量不得小于主阀最大通流量的15%,以保证换向时间要求,具体可参考各家样本。
对于伺服阀、比例伺服阀等,由于前置级一般为射流管或者喷嘴挡板,外控的方式除了可以获得更稳定压力之外,而且可以对控制油单独进行过滤。在某些产品样本中,要求先导压力至少大于P口压力60%以上,从而保证克服液动力以及确保伺服阀的动态响应。
对于系统压力不高的液压系统,控制油x可以取自主油路的P口,即采用内控的方式。采用内控时,主油路必须保证最低控制压力。电磁阀的回油y可以单独引出,即外泄方式,也可以在阀体内与主阀回油口T沟通,一起排回油箱,即内泄的方式。
对于主阀回油口T压力高的系统,为防止T背压过高导致先导阀回油y也过高,引起主阀换向阻力过大,回油y要与T隔开,单独回油箱,即采用外泄的方式。
对于回油口T压力低的系统,回油y可与T沟通,采用内泄式。
在结构上,内控内排均在阀体内部实现,而外控外排需要在阀块内设计独立的油路。
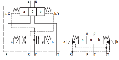
下图所示为外控外泄式电液换向阀油路,此类阀用于高压系统同时主回油路背压较高的场合。左图为弹簧对中,右图为液压对中。
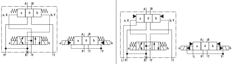
下图所示为内控内泄式电液换向阀油路,此类阀用于低压系统同时主回油路背压较低的场合。
下图所示为内控外泄式电液换向阀油路,适用于低压系统同时主回油路背压较高的场合
下图所示为外控内泄式电液换向阀油路,适用于高压系统同时主回油路背压较低的场合。
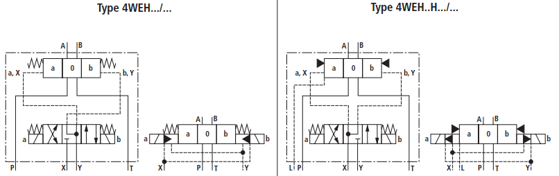
先导油的控油方式和泄油方式也可以在电液换向阀的先导部分进行修改。图示以力士乐的为例,对于NG16,如果是外控外泄方式,则控制油2需要堵上,泄油1也需要堵上。不同通径的阀,其控制油和排油的安装会有不同。在实际应用中,必须结合各自品牌的产品进行更改,确保功能合理。
除了上述一些基本原则需要考虑之外,最后具体是采用什么控制和排油方式,还取决于设计者的经验与爱好了!
工程师必备
- 项目客服
- 培训客服
- 平台客服
TOP




















