如何提高平衡阀系统的稳定性(转自液压技术)
2021年3月18日 23:071.更改平衡阀的设定压力
通常来说提高平衡阀的设定值有助于提高系统的运行稳定性,但是同时也带来了系统工作压力的升高,改变了系统运行工况点。
2.换用控制比较低的平衡阀
如果发现在液控节流的过程中有抖动,更换控制比较低的平衡阀,安装尺寸通常都能互换,也是比较容易实行的措施。4.3:1的适合常规液压系统;小于4.3:1的适合负负载变化比较大的场合;大于4.3:1的适合负负载基本为常值的场合。
3.降低先导控制压力的波动
先导控制压力一直波动,平衡阀阀芯位置就会波动,节流口面积就会波动,从而导致流量波动
1)增加固定阻尼: 在控制腔压力管路中加阻尼孔
2)增加可调阻尼:
当我们不清楚需要用多大的阻尼孔的时候,或者工况多变,可以采用可调阻尼,通过试验确定。因为平衡阀控制腔容积很小,进出控制腔流量就很小,
因此,阻尼孔的孔径必须很小才能起作用。孔径通常为0.3-0.8mm。 这也就是为什么我们为了使平衡阀系统运行的更加稳定,调节阻尼孔一开始感觉不起作用,后来才会感觉起作用。
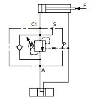
3)设置单向节流阻尼(例如HBS的A060671.02.00):
通常来说增加阻尼会延长响应时间,使平衡阀会慢开、也会慢关。为了使平衡阀慢开快关,可以采用单向阻尼的形式。
4)设置分压节流孔(例如HBS的A070381.29.00、A060471.19.00):
通过液压半桥进行分压,可以减小平衡阀驱动腔压力的波动,从而显著提高系统运行的稳定性。但是同时也会带来如下影响:
(1)通过节流孔分压,会改变工况点,并增加能耗。
(2)通过节流孔分压,会有一部分油液损失掉,若在定量泵供油系统中,会有可能稍微降低执行元件的运行速度。
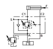
4.平衡阀负载口前附加节流口(如HBS的A070311.03.00A070411.01.00):有如下作用:
1)可以分散压降,帮助消耗能量。有时候要消耗掉的负负载很大,达到几十、上百KW。如果集中在一个阀口,发热严重、温升高,还可能引起卡阀。
2)可以减小震动。
3)落在平衡阀口两侧的压降小了,平衡阀节流口就可以开的大些,对阀芯位置的波动就不那么敏感了。
4)可以避免,平衡阀刚开启的瞬间(阀芯受力不平衡、为动态过程)(油缸也是动态受力不平衡),流量过大引起的冲击。
需要注意的是:节流阀装在平衡阀AB口处,产生一定的回油背压,会增大平衡阀设定值。如果具备安装条件(管式安装、且平衡阀距油缸C1C2口较远),可以考虑把节流阀放在C1C2口处。
工程师必备
- 项目客服
- 培训客服
- 平台客服
TOP




















