可编程控制器的工作原理与输入输出的处理原则
2021年4月22日 14:26工控课堂【www.gkket.com】工程师必备网站
添加微信:gkket123 加入500人工控微信群
电气工控自动化-超万元免费资料
可编程控制器的工作原理与输入输出的处理原则
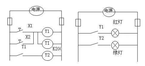
任何一种继电器控制系统是由三个部分组成的,即输入部分,逻辑部分,输出部分,其中输入部分是指各类按钮、开关等;逻辑部分是指由各种继电器及其触点组成的实现一定逻辑功能的控制线路;输出部分是指各种电磁阀线圈,接通电动机的各种接触器以及信号指示灯等执行电器。如图1所示,是一种简单的继电器控制系统。
图1 指示灯控
图中X1、X2是两个按钮开关,Y1、Y2是两个继电器,T1是时间继电器。其工作是过程是:当X1、X2任何一个按钮按下,线圈Y1接通,Y1的常开触点闭合,指示灯红灯亮。此时时间继电器T1同时接通并开始延时,当延时到2S后,线圈Y2接通,常开触点闭合,绿灯亮。
从上面这个例子可以知道,继电器控制系统是根据各种输入条件去执行逻辑控制线路,这些逻辑控制线路是根据控制对象的需要以某种固定的线路连接好的,所以不能灵活变更。
和继电器控制系统类似,PLC也是由输入部分、逻辑部分和输出部分组成。如图2所示:
各部分的主要作用是:
输入部分:收集并保存被控对象实际运行的数据的信息(被控对象上的各种开关量信息或操作命令等)。
逻辑部分:处理输入部分报取得的信息,并按照被控对象的实际动作要求正确的反映。
输出部分:提供正在被控制的装置中,哪几个设备需要实施操作处理。
用户程序通过编程器或其它输入设备输入并存放在PLC的用户存储器中。当PLC开始运行时,CPU根据系统监控程序的规定顺序,通过扫描,完成各输入点的状态采集或输入数据采集、用户程序的执行、各输出点状态更新、编程器键入响应和显示更新及CPU自检等功能。
PLC扫描既可按固定的程序进行,也可按用户程序规定的可变顺序进行。
PLC采用集中采样、集中输出的工作方式,减少了外界的干扰。
由以上分析,可以把PLC的工作过程为三个阶段,即输入采样阶段、程序执行阶段和输出刷新阶段。
(1)输入采样阶段
PLC在输入采样阶段,首先扫描所有输入端子,并将各输入存入内存中各对应的输入映象寄存器。此时,输入映象寄存器被刷新。接着进入程序执阶段,在程序执行阶段或输出阶段,输入映象寄存器与外界隔离,无论信号如何变化,其内容保持不变直到下一个扫描周期的输入采样阶段,才重新写入输入端的新内容。
(2)程序执行阶段
根据PLC的程序扫描原则,PLC先左后右,先上后下的步序语句逐句扫描。当指令涉及到输入、输出状态时,PLC从输入映象寄存器中“读入”对应输入映象寄存器的当前状态,然后,进行相应的运算,运算结果再存入元件映象寄存器中,对元件映象寄存器来说,每一个元件会随着程序执行过程而变化。
(3)输出刷新阶段
在所有指令执行完毕后,输出映象寄存器中所有输出继电器的状态在输出刷新阶段转存到输出锁存寄存器中,通过一定方式输出,驱动外部负载。采用集中采样,集中输出工作方式的特点是:在采样周期中,将所有输入信号(不管该信号当时是否采用),一起读入,此后在整个程序处理过程中PLC系统与外界隔绝,直到输出控制信号到下一个工作周期再与外界交涉,从根本上提高了系统的抗干扰扰提高了工作的可靠性。
PLC在输入输出的处理方面必须尊守以下原则:
①输入映象寄存器的数据,取决于输入端子板上各输入端子在上一个周期间的接通、断开状态。
②程序如何执行取决于用户所编程序和输入输出映象寄存器的内容。
③输出映象寄存器的数据取决于输出指令的执行结果。
④输出锁存器中的数据,由上一次输出刷新期间输出映象寄存器中数据决定。
⑤输出端子的接通断开状态,由输出锁存器决定。
转发是最大的鼓励!谢谢您的支持!
重要通知
想加入工控PLC学习技术交流群
请添加班长为好友
并备注:地区-行业-姓名昵称获取进群资格。
工控PLC学习 专业专注分享
分享到朋友圈,和朋友们一起分享吧
——————————————————————
▣ 来源:网络-百度文库,侵删!
▣ 声明:我们尊重原创。文字图片视频素材,版权属于原作者。部分文章推送时因种种原因未能与原作者联系上,若涉及版权问题,敬请原作者联系我们删除处理(联系17621634088-微信同号),我们只做分享之用,不用于商业。
她们都关注了,你还等什么?
工程师必备
- 项目客服
- 培训客服
- 平台客服
TOP




















