高压电缆接地环流异常原因分析及典型案例
2021年4月25日 14:25110千伏及以上电缆采用单芯结构,其工作电流产生的交变磁场将在金属护层上产生感应电势,若护套通过大地形成通路,金属护层上将产生接地环流。接地环流超标(环流值大于50A或超过负荷电流的20%或相间最大值/最小值大于3)不仅影响电缆载流量和使用寿命,环流引起的严重发热会烧毁接地线或接地箱,消缺不及时可能会引发恶性电网事故。
影响电缆接地环流的主要有以下因素:
1、电缆的接触电阻
如果存在焊接不好或者接触不良的位置导致某相接触电阻增大时,该相的接地环流会显著变小,但另外两相的接地环流并不一定随之减小。随着电阻的增大,总接地电流也并不一定随之减小。
2、接地电阻
随着接地电阻与大地回路电阻之和的增加,各相接地环流都在减小。但接地电阻过大,会导致接地处接触不良,引起发热和损耗。
3、电缆的接地方式
为了限制电缆金属护层上的感应电势,高压电缆通常采用护套或屏蔽层单端接地、两端接地、交叉互联等接地方式。对较长的高压电缆线路,能有效限制接地环流的是交叉互联接地方式。
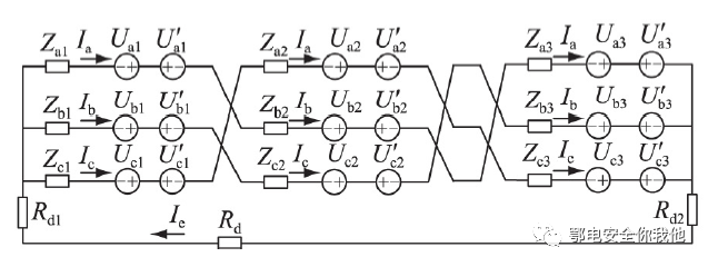
图1交叉互联等效电缆
其中,Ia、Ib、Ic分别为A、B、C 三相高压电缆金属护套上流过的电流值;Ie为经过大地回路的电流值;Rd为大地回路的等效电阻,Rd1和Rd2为电缆护套两端接地电阻;通常情况下,三相电缆的运行电流数值上可默认为一致,通过三相电流间的相位差,还抵消在完整交叉互联段内电缆金属护层上的感应电压,从而达到降低接地环流的目的。
4、各电缆分段长度、电缆排列方式、相间距离等
电缆一般采用交叉互联的接地方式以减低接地环流,在电缆排管敷设的工程实践中,大量存在护套交叉互联的各段具有不同长度和不同排列方式的情况。由于相同线芯电流下单位长度电缆水平或竖直排列方式下,金属护套感应电压大于直角三角形排列方式下护套感应电压。因此在不等长分段电缆中,较长的电缆采用感应电压小的三角形排列方式,较短的电缆采用感应电压大的水平或竖直排列方式,有利于降低大段护套感应电压,即可通过适当选取各小段排列方式来平衡电缆长度差带来的感应电压差,以降低护套环流。
1、交叉互联换相失败
图2 交叉互联错误接线示意图
换相失败将导致失去某一个方向电流相量,此时护套接地电流显著增大,最终可能引发运行故障。不同换位失败的情况,三相电流的幅值、相位均存在较大差异。换位失败表现为两相接地电流较接近,而另一相电流相对较小,一般为最小接地电流相2倍左右。
2、箱内进水
交叉互联箱进水时,箱内水体形成的接地电阻较小,箱内外水体相连相当于电流直接接地。如下图所示,a或b或c处直接接地。
图3 箱内进水交叉互联示意图
常年降雨可能导致电缆沟交叉互联箱内长期积水,特别是两箱均进水时,容易接地电流高达数百安培,护套电流出现突增,电缆内部热量急剧上升。一箱进水,故障回路三相电流有略微差别,相对非故障时段增加约2.5 倍。
3、同轴电缆断裂
采用交叉互联接地方式的线路一般大于1 km,同轴电缆一旦断开,将在断开处产生上百伏电压,对线路构成重大威胁。同时导致相关联金属护套无法形成回路,护套内无法通过环流。
某110千伏线路为架空—电缆混联线路,其中电缆型号为YJLW03—64/110—1×800mm2,该线路于2014年9月投运,长度约1220米。2016年12月27日,对该电缆接地系统进行改造,采用交叉互联方式接地。完整的交叉互联段为站内、#1箱、#2号箱和站外铁塔,#1和2#为交叉互联箱,其余均为直接接地。其接地环流检测结果如下表:
表1 某110千伏电缆线接地环流测试结果
按照Q/GDW11316《电力电缆线路试验规程》中5.2.3规定:接地环流与负荷电流比值小于20%;单相接地环流最大值与最小值的比值小于3。当负荷电流为57.8A时,站内直接接地箱、1#和2#交叉互联箱的A、B、C三相的外护层电流分均严重超出规程要求,且单相接地环流的最大值与最小值比值(37.6/9.7=3.88)也大于3。
根据上表中所测接地环流数据分析可知:1#井内A相接地环流38.2A,对应2#井C相接地环流37.6A;1#井内B相接地环流28.5A,对应2#井A相接地环流32.7A;1#井内C相接地环流10.2A,对应2#井B相接地环流9.7A。三相接地环流分别流经途径为A相接地环流未流过B相铠装、B相接地环流未流过C相铠装、C相接地环流未流过A相铠装,如下图及表所示。
表2 接地环流交叉段内实际路径表
经现场巡查发现#1电缆检修井接地箱内部交叉互联方式为“撇-撇-捺”,三相顺序为A、B、C。#2电缆检修井接地箱内部交叉互联方式为“捺-捺-撇”,三相顺序为A、B、C,电缆护层保护器和绝缘件均未发现受潮和烧蚀痕迹,分别如下图所示:
图5交叉互联箱内部实际接线图
因此,此110千伏 XX线电缆段接地环流异常的原因为交叉互联箱内铜排接线方式错误,电缆外护层未能实现实际上的交叉互联,导致局部交叉互联段接地环流超标。
调整接线方式后,该电缆接地环流符合Q/GDW11316-2014《电力电缆线路试验规程》要求。
感谢您对电力讲坛的关注
更多电力知识,请返回公众号点击文章回顾查阅!
工程师必备
- 项目客服
- 培训客服
- 平台客服
TOP




















