交流接触器常用接线电路图和实物图 超实用!
2021年5月24日 13:23今天分享一些交流接触器常用接线电路图和实物图,从简单到复杂。
简单的点动
这是实物,切勿用于正反转线路
点动是最基础的,两个接触器的点动是不能用于电机的正反转线路的。
这个是接触器的互锁
互锁常用于控制电机的正反转
这个常用在接触器的正反转线路中,但是不够完美,因为未知的一些因素偶尔还是会发生短路故障。
接续看下面的图解。
这个是按钮的互锁
接触器还是正常接线,按钮接成互锁
两个接触器互锁,每个接触器可以自锁
这个用到控制电机正反转很适合,因为每个接触器都有自锁。而且两个接触器和按钮又是互锁状态,非常安全。(http://www.diangon.com/电工学习网 电工电气学习微信公众号首发)
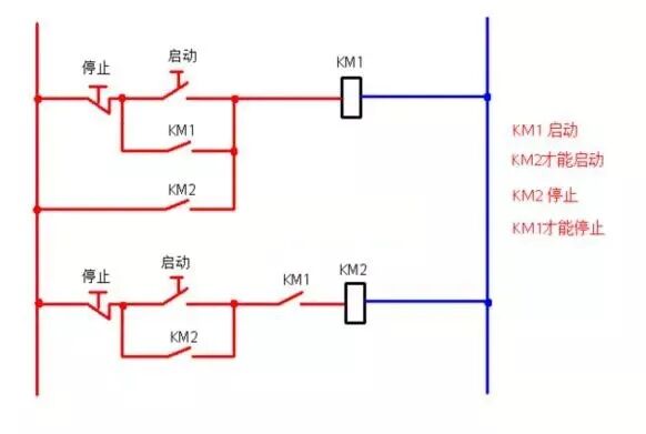
这个也是两个接触器互锁
我们再分析下这个图:两个接触器是互锁的,当按钮A按下,接触器A自锁,同时接触器A的辅助常闭触点断开,所以再按下按钮B是没有反应的,只能有一个自锁,很适合用于电机正反转线路。同时正反转启动各有两组开关,可以实现异地控制。
这个是个简单的异地控制
我们再讲下异地控制的技巧:停止按钮串联,启动按钮并联。
这个是顺序启动
我们看图:接触器A自锁以后,接触器A的常开点变成了闭合状态,这样接触器B才可以启动。这个应用也很广泛,有的设备需要先润滑以后才能启动,就需要这种顺序启动控制。
同上,三个顺序启动控制
这是三个简单的自锁
这三个自锁电路里,停止按钮的位置是不同的,但是无论怎么变换位置,记住,停止按钮肯定是串到接触器线圈上的。
顺序启动停止
星三角启动的控制线路
往返小车,很经典的电路
接触器(Contactor)是指工业电中利用线圈流过电流产生磁场,使触头闭合,以达到控制负载的电器。接触器由电磁系统(铁心,静铁心,电磁线圈)触头系统(常开触头和常闭触头)
和灭弧装置组成。其原理是当接触器的电磁线圈通电后,会产生很强的磁场,使静铁心产生电磁吸力吸引衔铁,并带动触头动作:常闭触头断开;常开触头闭合,两者是联动的。
当线圈断电时,电磁吸力消失,衔铁在释放弹簧的作用下释放,使触头复原:常闭触头闭合;常开触头断开。
工作原理
接触器的工作原理是:当接触器线圈通电后,线圈电流会产生磁场,产生的磁场使静铁心产生电磁吸力吸引动铁心,并带动交流接触器点动作,常闭触点断开,常开触点闭合,两者是联动的。当线圈断电时,电磁吸力消失,衔铁在释放弹簧的作用下释放,使触点复原,常开触点断开,常闭触点闭合。直流接触器的工作原理跟温度开关的原理有点相似。
我们在实际工作中,往往会遇到因交流接触器辅助触头损坏,又无法修复且设备又急需使用的关键时刻,下图的接线方法,利用接触器的主触头来替代辅助触头,就可满足应急使用的要求。
按下QA,接触器C吸合,松开QA后,C的主触头可兼任自锁辅助触头,使接触器自锁,因此C保持吸合;TA为停止按钮,在停车时,按动TA的时间要梢长一些,
不然手松开按钮后,接触器又吸合,会使电动机继续运转,这是因为虽然电源被切断,可由于惯性的作用,电动机转子仍然转动,其定子绕组会感应电动势,一旦停止按钮马上恢复,感应电动势直接加在接触器线圈上,使其两次吸合,电动机继续运转。
注意:380V的电路有缺陷,就是电动机停止运转后,其引出线及电动机带电,使维修不全,因此,这种线路只能在应急时使用。
接触器与断路器的区别
接触器是利用线圈来控制电路的通断,接触器通电后,常开的就闭上了,常闭的打开,这样来控制。
1、断路器主要做保护是没错。它的保护目前比较常用的是三段保护,既过载保护、短路短延时、短路长延时。还有一些欠压、过压等保护功能。具体视品牌、型号而定。它的分合闸可以手动也可电动。安装方式有固定式、抽屉式等三种方式。根据电流的大小和工作电压的等级可以分为低压塑壳断路器、低压框架断路器和高压真空断路器。根据脱扣曲线的不同可以分为不同的使用场合。和保险丝还是有很大区别的。
2、接触器主要做工业控制用,一般负载以电机居多,当然会有一些加热器、做双电源切换等场合使用。在接触器的通断是通过控制线圈电压来实现的。根据灭弧的不同结构可以分为真空接触器和普通接触器。根据不同的控制电压可以分为直流接触器和交流接触器。
它的主要附件为辅助触点。而且本身不具备短路保护和过载保护能力,因此必须与熔断器、热继电器配合使用。我发布的顺序大体是从简单到复杂。
2021-05-20
2021-05-19
2021-05-18
2021-05-17
2021-05-16
2021-05-15
2021-05-14
工程师必备
- 项目客服
- 培训客服
- 平台客服
TOP




















