DP/DP耦合器的功能及应用
2021年5月24日 14:27浏览:3177
一、DP/DP耦合器的功能:
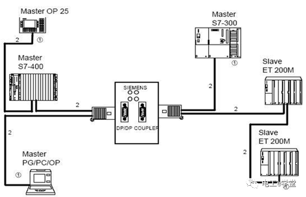
适用于不同通讯速率的两个Profibus-DP主站系统之间的数据通讯,使用两个独立的DP接口,通过这两个接口分别连接两个DP网络。DP/DP耦合器是每个DP网络上的从站。可以通过内部复制在两个PROFIBUS DP网络之间连续不断地传送0-244个字节的数据。DP/DP耦合器通过集成的9针sub-D连接器连接到PROFIBUS-DP网络。可以通过单元顶部的两个DIP开关设置DP地址。
二、DP耦合器的特点:
1、连接两个不同的Profibus网络进行通讯,2个网络的通讯速率,站地址可以不同
2、最多可以建立16个I/O数据交换区
3、两个网络电气隔离,一个网段故障不影响另一个网段的运行
4、支持DPV1全模式诊断
5、可通过DIL开关,Step 7或其它编程工具设定Profibus站地址双路冗余供电方式
三、DP/DP耦合器的通讯数据区定义:
四、STEP7编程要点:
1、打开硬件管理器,分别在两个PLC主站的DP网络中,添加DP/DP耦合器从站,并设置该从站的DP地址等属性。
2、分别定义通讯数据区的格式和长度,两边要保持对应关系。
3、分别下载两个PLC主站的硬件配置;
4、安装DP/DP耦合器,连接DP电缆插头,上电测试;
5、编写程序。
电工e学堂邀您进群,更多资料群内分享!
猜你喜欢
有用就点个关注吧!
技术邻APP
工程师必备
工程师必备
- 项目客服
- 培训客服
- 平台客服
TOP




















