电气控制原理动图之低压电器、电动机及控制线路、传感器

👇点击下方公众号一键关注,每天学习新知识

今天从低压电器、电动机及控制线路、传感器及控制原理三部分来分享22张超赞的原理动图。

低压电器部分


1
按钮开关

电气控制原理动图之低压电器、电动机及控制线路、传感器的图1


2
闸刀开关

电气控制原理动图之低压电器、电动机及控制线路、传感器的图2


3
行程开关

电气控制原理动图之低压电器、电动机及控制线路、传感器的图3


4
交流接触器

电气控制原理动图之低压电器、电动机及控制线路、传感器的图4


5
热继电器

电气控制原理动图之低压电器、电动机及控制线路、传感器的图5


6
时间继电器

电气控制原理动图之低压电器、电动机及控制线路、传感器的图6


电气控制原理动图之低压电器、电动机及控制线路、传感器的图7


7
速度继电器

电气控制原理动图之低压电器、电动机及控制线路、传感器的图8







电动机及控制线路

1
异步电动机

电气控制原理动图之低压电器、电动机及控制线路、传感器的图9



2
直流电动机

电气控制原理动图之低压电器、电动机及控制线路、传感器的图10


3
步进电动机

电气控制原理动图之低压电器、电动机及控制线路、传感器的图11


4
永磁电机

电气控制原理动图之低压电器、电动机及控制线路、传感器的图12


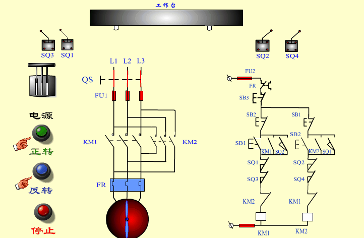
5
正反转控制

电气控制原理动图之低压电器、电动机及控制线路、传感器的图13


6
自动往返控制

电气控制原理动图之低压电器、电动机及控制线路、传感器的图14


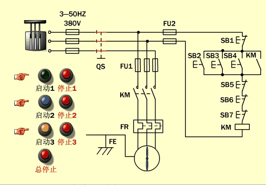
7
顺序控制

电气控制原理动图之低压电器、电动机及控制线路、传感器的图15


8
多点控制

电气控制原理动图之低压电器、电动机及控制线路、传感器的图16


9
星三角启动

电气控制原理动图之低压电器、电动机及控制线路、传感器的图17





传感及控制原理

1
布料张力测量

电气控制原理动图之低压电器、电动机及控制线路、传感器的图18

2
MQN型气敏电阻

电气控制原理动图之低压电器、电动机及控制线路、传感器的图19


3
气泡式水平仪

电气控制原理动图之低压电器、电动机及控制线路、传感器的图20

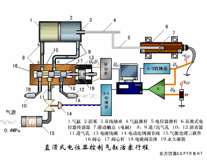
4
直滑式电位器控制气缸活塞行程

电气控制原理动图之低压电器、电动机及控制线路、传感器的图21


5
电容加速度传感器

电气控制原理动图之低压电器、电动机及控制线路、传感器的图22

声明:版权归原作者所有,本文转载只为学习分享,无商业用途,向原作者致敬,因部分文章来自网络并多次转载,未能找到原作者和原始出处,还望谅解,如若侵权,请扫码关注小编微信号(woxinyijiu55828),会在第一时间处理,多谢!

电气控制原理动图之低压电器、电动机及控制线路、传感器的图23 电气控制原理动图之低压电器、电动机及控制线路、传感器的图24

     商务合作请扫码加我           弱电、电工电气、编程行业
    带您进入强大的行业交流圈   请关注公众号:电工电气一网通
往期精彩推荐
桥架弯头制作方法图文汇总,进来学经验
电工接线神器,很多老电工都爱不释手,一分钟能做好几个电线接头
分配电箱、总配电箱(柜)、开关箱如何布置,你知道吗?
PVC电线管预埋:模板开洞弊端多,现场就是这样做!
火线当成零线用,使用一年多都没有出现问题?
电气控制原理动图之低压电器、电动机及控制线路、传感器的图25电气控制原理动图之低压电器、电动机及控制线路、传感器的图26搜索想看的知识技巧:电气控制原理动图之低压电器、电动机及控制线路、传感器的图27电气控制原理动图之低压电器、电动机及控制线路、传感器的图28
点击头像返回公众号首页>>点击顶部三个点>>设为星标
点击顶部放大镜那里搜索(电工电气、弱电安防)接可以啦
电气控制原理动图之低压电器、电动机及控制线路、传感器的图29

点分享

电气控制原理动图之低压电器、电动机及控制线路、传感器的图30

点收藏

电气控制原理动图之低压电器、电动机及控制线路、传感器的图31

点点赞

电气控制原理动图之低压电器、电动机及控制线路、传感器的图32

点在看

登录后免费查看全文
立即登录
App下载
技术邻APP
工程师必备
  • 项目客服
  • 培训客服
  • 平台客服

TOP