这些经典电路图集锦,看完别再说电工难当了!
2021年6月11日 10:54浏览:2143 评论:1
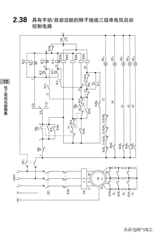
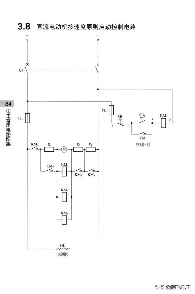
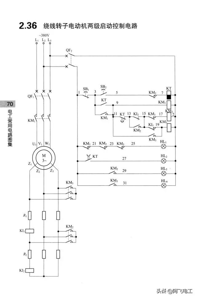
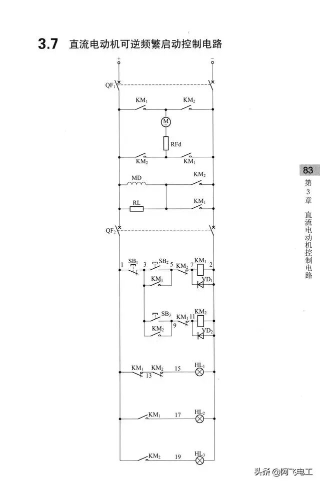
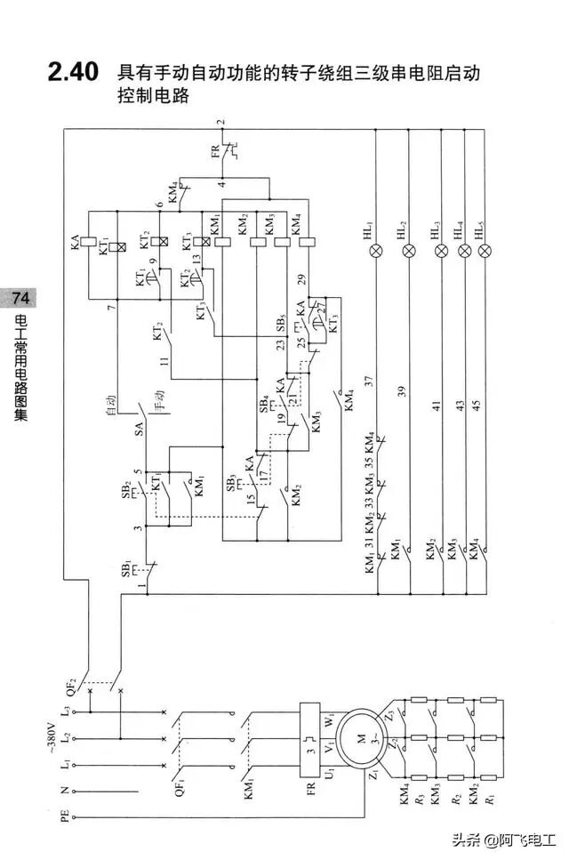
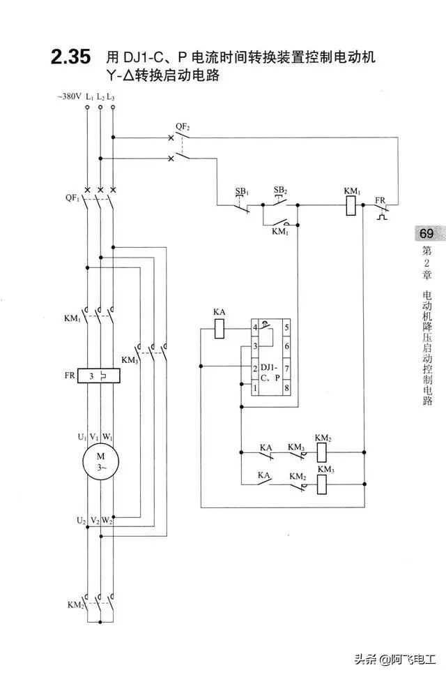
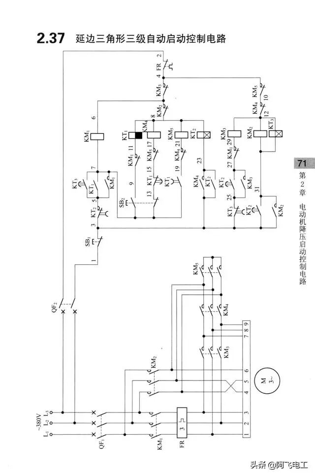
下面这些的控制电路都是380V,实际中也可能有220V,110V,36V,24V等等。有的也有交流直流之分,在这里就不一一细说了,大家可以看到这些图后,举一反三。
点动电路+指示灯电路
自锁电路+速度继电器控制电路
点动与自锁混合电路
本号所刊发文章仅为学习交流之用,无商业用途,向原作者致敬。因某些文章转载多次无法找到原作者在此致歉,若有侵权请联系小编,我们将及时删文或者付费转载并注明出处,感谢您的支持!
(来源:网络,版权归原作者)
猜您喜欢
分享 · 共赢
电气圈,一个有态度的圈子
技术邻APP
工程师必备
工程师必备
- 项目客服
- 培训客服
- 平台客服
TOP
1
1




















