讲真,这么全的PLC输入输出接线,第一次见!
2021年6月16日 13:17关注本号,分享更多电气知识技能
PLC常见的输入设备有按钮、行程开关、接近开关、转换开关、拨码器、各种传感器等,输出设备有继电器、接触器、电磁阀等。正确地连接输入和输出电路,是保证PLC安全可靠工作的前提。
1、PLC与主令电器类设备的连接
如图6-4所示是与按钮、行程开关、转换开关等主令电器类输入设备的接线示意图。图中的PLC为直流汇点式输入,即所有输入点共用一个公共端COM,同时COM端内带有DC24V电源。若是分组式输入,也可参照图6-4的方法进行分组连接。
2、PLC与旋转编码器的连接
旋转编码器是一种光电式旋转测量装置,它将被测的角位移直接转换成数字信号(高速脉冲信号)。
因些可将旋转编码器的输出脉冲信号直接输入给PLC,利用PLC的高速计数器对其脉冲信号进行计数,以获得测量结果。不同型号的旋转编码器,其输出脉冲的相数也不同,有的旋转编码器输出A、B、Z三相脉冲,有的只有A、B相两相,最简单的只有A相。
如图6-7所示是输出两相脉冲的旋转编码器与FX系列PLC的连接示意图。编码器有4条引线,其中2条是脉冲输出线,1条是COM端线,1条是电源线。
编码器的电源可以是外接电源,也可直接使用PLC的DC24V电源。电源“-”端要与编码器的COM端连接,“+ ”与编码器的电源端连接。
编码器的COM端与PLC输入COM端连接,A、B两相脉冲输出线直接与PLC的输入端连接,连接时要注意PLC输入的响应时间。有的旋转编码器还有一条屏蔽线,使用时要将屏蔽线接地。
3、PLC与传感器的连接
传感器的种类很多,其输出方式也各不相同。当采用接近开关、光电开关等两线式传感器时,由于传感器的漏电流较大,可能出现错误的输入信号而导致PLC的误动作,此时可在PLC输入端并联旁路电阻R,如图6-8所示。当漏电流不足lmA时可以不考虑其影响。
式中:I为传感器的漏电流(mA),UOFF为PLC输入电压低电平的上限值(V),RC为PLC的输入阻抗(KΩ),RC的值根据输入点不同有差异。
4、PLC与多位拨码开关的连接
如果PLC控制系统中的某些数据需要经常修改,可使用多位拨码开关与PLC连接,在PLC外部进行数据设定。如图6-5所示为一位拨码开关的示意图,一位拨码开关能输入一位十进制数的0~9,或一位十六进制数的0~F。
图6-5 一位拨码开关的示意图
如图6-6所示4位拨码开关组装在一起,把各位拨码开关的COM端连在一起,接在PLC输入侧的COM端子上。每位拨码开关的4条数据线按一定顺序接在PLC的4个输入点上。由图可见,使用拨码开关要占用许多PLC 输入点,所以不是十分必要的场合,一般不要采用这种方法。
5、PLC与输出设备开关的连接
PLC与输出设备连接时,不同组(不同公共端)的输出点,其对应输出设备(负载)的电压类型、等级可以不同,但同组(相同公共端)的输出点,其电压类型和等级应该相同。
要根据输出设备电压的类型和等级来决定是否分组连接。如图6-9所示以FX2N为例说明PLC与输出设备的连接方法。图中接法是输出设备具有相同电源的情况,所以各组的公共端连在一起,否则要分组连接。图中只画出Y0-Y7输出点与输出设备的连接,其它输出点的连接方法相似。
6、PLC与感性负载的连接
PLC的输出端经常连接的是感性输出设备(感性负载),为了抑制感性电路断开时产生的电压使PLC内部输出元件造成损坏。
因此当PLC与感性输出设备连接时,如果是直流感性负载,应在其两端并联续流二极管;如果是交流感性负载,应在其两端并联阻容吸收电路。如图6-10所示。
图6-10 PLC与感性输出设备的连接
图中,续流二极管可选用额定电流为1A、额定电压大于电源电压的3倍;电阻值可取50~120Ω,电容值可取0.1~0.47μF,电容的额定电压应大于电源的峰值电压。接线时要注意续流二极管的极性。
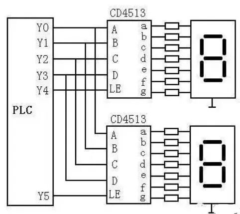
7、PLC与七段LED显示器的连接
PLC可直接用开关量输出与七段LED显示器的连接,但如果PLC控制的是多位LED七段显示器,所需的输出点是很多的。
如图6-11所示电路中,采用具有锁存、译码、驱动功能的芯片CD4513驱动共阴极LED七段显示器,两只CD4513的数据输入端A~D共用PLC的4个输出瑞,其中A为最低位,D为最高位。LE是锁存使能输入端,在LE信号的上升沿将数据输入端输入的BCD数锁存在片内的寄存器中,并将该数译码后显示出来。
如果输入的不是十进制数,显示器熄灭。LE为高电平时,显示的数不受数据输入信号的影响。显然,N个显示器占用的输出点数为P=4+N。
如果PLC使用继电器输出模块,应在与CD4513相连的PLC各输出端接一下拉电阻,以避免在输出继电器的触点断开时CD4513的输入端悬空。PLC输出继电器的状态变化时,其触点可能抖动,因此应先送数据输出信号,待该信号稳定后,再用LE信号的上升沿将数据锁存进CD4513。
1
如何获取PLC初学者必备的【实用电路600例+400页PPT电气控制与PLC应用技术】,请看下图!
新编实用电工电路600例,是由两本电子书组成,一本是“新编实用电工电路400例”,另外一本是“新编电工实用线路200例”
另附:VIP高清无水印PPT,内容包括:电动机控制电路、机械设备的控制电路、PLC硬件结构、功能表、指令应用,400多页详细教程资料!
扫码回复『jcpx』
领取1000例电工电路图例
你的分享、点赞、在看
我都喜欢
工程师必备
- 项目客服
- 培训客服
- 平台客服
TOP




















