如下是一个NMOS的开关电路,阶跃信号VG1设置DC电平2V,方波(振幅2V,频率50Hz),T2的开启电压2V,所以MOS管T2会以周期T=20ms进行开启和截止状态的切换。
首先仿真Vgs和Vds的波形,会看到Vgs=2V的时候有一个
小平台
,有人会好奇为什么Vgs在上升时会有一个小平台?

MOS管Vgs小平台
带着这个疑问,我们尝试将电阻R1由5K改为1K,再次仿真,发现这个平台变得很小,几乎没有了,这又是为什么呢?
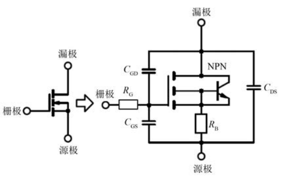
我们通常看到的MOS管图形是左边这种,右边的称为MOS管的等效模型。
其中:Cgs称为GS寄生电容,Cgd称为GD寄生电容,输入电容Ciss=Cgs+Cgd,输出电容Coss=Cgd+Cds,反向传输电容Crss=Cgd,也叫米勒电容。
米勒效应的罪魁祸首就是米勒电容,米勒效应指其输入输出之间的分布电容Cgd在反相放大的作用下,使得等效输入电容值放大的效应,米勒效应会形成米勒平台。
首先我们需要知道的一个点是:因为MOS管制造工艺,必定产生Cgd,也就是米勒电容必定存在,所以米勒效应不可避免。
MOS管的开启是一个从无到有的过程,MOS管D极和S极重叠时间越长,MOS管的导通损耗越大。因为有了米勒电容,有了米勒平台,MOS管的开启时间变长,MOS管的导通损耗必定会增大。
仿真时我们将G极电阻R1变小之后,发现米勒平台有改善?原因我们应该都知道了。
MOS管的开启可以看做是输入电压通过栅极电阻R1对寄生电容Cgs的充电过程,R1越小,Cgs充电越快,MOS管开启就越快,这是减小栅极电阻,米勒平台有改善的原因。
以NMOS管来说,在MOS管开启之前,D极电压是大于G极电压的,随着输入电压的增大,Vgs在增大,Cgd存储的电荷同时需要和输入电压进行中和,因为MOS管完全导通时,G极电压是大于D极电压的。
所以在米勒平台,是Cgd充电的过程,这时候Vgs变化则很小,当Cgd和Cgs处在同等水平时,Vgs才开始继续上升。
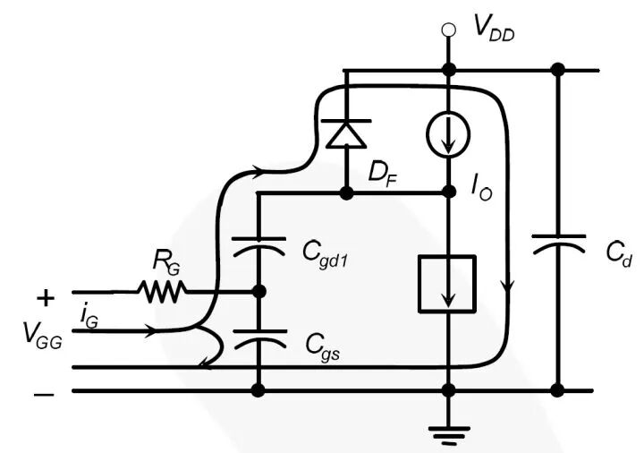
我们以下右图来分析米勒效应,这个电路图是一个什么情况?
MOS管D极负载是电感加续流二极管,工作模式和DC-DC BUCK一样,MOS管导通时,VDD对电感L进行充电,因为MOS管导通时间极短,可以近似电感为一个恒流源,在MOS管关闭时,续流二极管给电感L提供一个泄放路径,形成续流。
从t0开始,G极给电容Cgs充电,Vgs从0V上升到Vgs(th)时,MOS管都处于截止状态,Vds保持不变,Id为零。
从t1后,Vgs大于MOS管开启电压Vgs(th),MOS管开始导通,Id电流上升,此时的等效电路图如下所示,在IDS电流没有达到电感电流时,一部分电流会流过二极管,二极管DF仍是导通状态,二极管的两端处于一个钳位状态,这个时候Vds电压几乎不变,只有一个很小的下降(杂散电感的影响)。
随着Vgs电压的上升,IDS电流和电感电流一样时,MOS管D极电压不再被二极管DF钳位,DF处于反向截止状态,所以Vds开始下降,这时候G极的驱动电流转移给Cgd充电,Vgs出现了米勒平台,Vgs电压维持不变,Vds逐渐下降至导通压降VF。
当米勒电容Cgd充满电时,Vgs电压继续上升,直至MOS管完全导通。
t0~t1,MOS管处于截止区;t1后,Vgs超过MOS管开启电压,随着Vgs的增大,ID增大,当ID上升到和电感电流一样时,续流二极管反向截止,t2~t3时间段,Vgs进入米勒平台期,这个时候D极电压不再被续流二极管钳位,
MOS的夹断区变小,t3后进入线性电阻区,Vgs则继续上升,Vds逐渐减小,直至MOS管完全导通。

点击图片,报名应战赢奖金