隔行如隔山,医生看内科行医,金属材料也有内科,金相就是金属材料的基因代码,就是金属的语言。
下面这张铁碳合金相图
估计大部分读者都接触过
这是大家开始了解金属材料的基础
↓↓

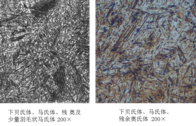
今天,小编带大家一起走进金属材料,看看我们平日里所相处的这些硬邦邦的铁疙瘩到底有怎样的内心世界。下面展示的是20种材料的金相,有浸蚀方法、放大倍数,以及你们识别的显微组织。




















美吧,说明金属也是有内涵的,上面出现了马氏体、奥氏体、珠光体、人体。。。等等,这些金相组织是如何定义的,它们又有那些特征呢,接下来咱们继续带领大家深入了解。














