硬件特训班问题解答【57问-15】
2021年6月28日 15:33
41.基尔霍夫定理的内容是什么?
答:(1)基尔霍夫定律是我们分析电路最基本的分析方法,基尔霍尔定律有两个一个是从电流的角度出发,叫KCL;另外一个是从电压的角度出发角度叫KVL
(2)KCL指的是在人一个节点上,其电流的流入=流出,即电流的和=0,具体如下图所示:
(3)KVL指的是在电路中的任何一个回路其电压综合为0,具体如下图所示:
42.反馈电路的的概念是什么?列举他们的应用。
答:(1)反馈电路指的是把输出端的一部分反馈到输入端作为输入端的一部分,所以此时输入端的实际输入其实是:原有的输入+输出端的反馈回来的部分,这个时候我们的系统行为就会发生变化
(2) 反馈最常用从电路的角度来说最常用的是运放的反馈和开关电源,可调LDO,振荡电路等的反馈;从系统上来说主要是PID控制
(3) 开关电源主要是将输出电压通过电阻分压网络将输出电压的信号反馈到控制系统,控制系统来观察其输出的电压是否是预定的电压,比如说我们原本要输出3.3V,但是突然电压升高了,变成了3.5V,此时我们系统怎么知道他升高了呢,我们主要是通过反馈电阻网络的反馈电压来进行判断,当然了某些可调整的LDO也是类似的机制
(4) 放大电路其有晶体管的放大也有运算放大器的放大,对于放大电路而言主要是负反馈
(5) 另外我们还有一个正反馈,正反馈一般是用作振荡电路实现的方式,不管是RC震荡电路还是LC振荡电路等等
(6) PID是我们经常使用的最经典的控制算法,其可以硬件实现也可以软件实现,其整个从系统的层面构成反馈来实现对某些物理量的控制,如温度,转速等等
(7) 关于反馈更多更详细的内容可以参考老白硬件特训班:
https://item.taobao.com/item.htm?spm=a1z10.5-c-s.w4002-21870440440.43.c3cb1839bIEpvV&id=631528631075
43.有源滤波器好无源滤波器的区别是什么?
答:(1)要想搞明白这个问题我们得首先搞明白什么是有源器件什么是无源器件
(2) 我们经常所说的电阻电容电感磁珠等等都是无源器件,而我们经常所说的二极管,三极管,MOS管,运放等等都是有源器件
(3) 有源器件和无源器件最主要的区别在于其是否需要某种形式的电压或者电流的供应才能够获得相应的功能,比如说我们经常所说的BJT是电流驱动电流,MOS是电压驱动电流其实就是这个概念
(4) 所以我们的有源滤波主要是通过无源滤波电路+运放等有源器件来构建滤波电路而无源滤波电路则主要是通过电阻电容电感等无源器件来构建滤波电路
(5) 所有的无源滤波电路本质上来说都是衰减电路,即增益<1
(6) 有源滤波电路除了实现滤波功能还能实现对有用信号的放大,即增益>1
(7) 关于滤波电路更详细的内容可以参考老白硬件特训班:
https://item.taobao.com/item.htm?spm=a1z10.5-c-s.w4002-21870440440.43.c3cb1839bIEpvV&id=631528631075
44.开关电源中的同步电路和异步电路的区别是什么?
答:(1)同步和异步最主要的区别在于是续流的方式不同
(2) 异步电路其就是我们最经典的通过二极管的方式进行续流如下图所示:
(3) 同步则是将续流二极管用MOS等晶体管来代替,如下图所示:
(4) 为什么要这么做,其实在于功耗,续流二极管的功耗比较低,会影响效率而MOS管其Rdson会非常小,所以首先其导通损耗会比较小,另外其可以实现主动控制,所以其开关损耗也可可以降到很低,另外MOS也可以实现主动控制
45.什么是线与逻辑,要实现它,在硬件上面有什么具体需求?
答:(1)线与逻辑顾名思义,就是在某一个”线”上实现某个逻辑与的功能即AND的功能,这个时候我们需要首先来看一下AND的真值表如下:
(2) 所以所谓的线与功能就是要实现类似上述的功能,主要指的是几个门电路的输出然后在进行逻辑与
(3) 线与经常是和OD开漏极等息息相关
(4) 如果我们想要实现线与,则我们需要进行合理的输出端的电路设计,如下图两个与非门的器件,如果其输出端在通过推挽电路进行输出获得比较大的输出能力,但是其存在风险,如图中的箭头所示,当G1输出高电平,即TP1导通,TN1截止;G2输出低电平,则TP2截止,TN2导通;此时由于TP1导通,TN2导通,产生短路,并没有实现我们想要的线与功能
(5) 针对于上述电路的问题我们该如何解决呢?需要通过OD开漏方式实现,具体如下图,G1和G2都是开漏输出,然后我们在输出端两者直接连接在一起,然后通过上拉电阻,其就可以实现线与功能,而且避免了我们刚才所说的短路情况
(6) 在总线传输等实际应用中需要多个门的输出端并联连接使用,这种情况下我们就需要通过OC或者OD来实现线与功能
(7) 敬请期待我们马上上线的FPGA老白全系列课程,从原理图设计,PCB Layout到软件编写到实际的项目案例分享系统讲解
46.FPGA和ASIC的概念,它们的区别是什么?
答:(1)其实从概念定义上而言,FPGA其实是属于ASIC的一种,如下图所示
(2) 但实际上很多时候,我们讨论的ASIC其实说的是我们的上面图中的半定制或者全定制的ASIC
(3) 所以首先FPGA和ASIC最大区别在于其是否可编程
(4) 至于其他的一些区别见上面的表格
47. 铝电解电容耐压200V,我有几秒钟要给他260V电压,他会坏吗?会炸吗?
答: (1)首先我们经常所说的铝电解电容”炸”的概念指的是当电源的极性接反了之后铝电解电容由于作为电解电容其具有极性,此时会发生爆炸
(2) 耐压是200V给到260V几秒钟一般是不会坏的,但是会极大的影响铝电解电容的使用寿命,这是一个可靠性的内容,我们的大部分器件都具备一定超过极限参数的承受能力,但是经常经历这种超过极限参数的情况下会使得该器件呈几何数级的骤减
48. d4 d5具体什么作用?
答: (1)首先我们的D4,D5的作用是作为退耦元件来使用
(2) 所谓的退耦元件指的是我们在做EMS防护电路设计中的一个基本原则
(3) 我们说EMS防护电路设计指的是:多级防护逐级递减
(4) EMS防护电路由于浪涌能量的不同,一般我们是第一级主要是这种类似于GDT气体放滴管这种大通流量的器件,而第二级或者第三级则主要是通流量小一些的MOV压敏电阻或者TVS管
(5) 通流量GDT>MOV>TVS,但是响应时间是GDT<MOV<TVS,所以就存在一个悖论是我们原本想在最前面通过这种大通流量的器件去吸收浪涌等流量,但是如果不做任何处理的话,由于TVS管会优先相应,所以需要在这两种器件之间加一个缓冲器件来让浪涌能量去到TVS管之前GDT响应来承受比较大的冲击能量
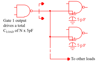
49. 何谓扇入、扇出、扇入系数及扇出系数?
答:
(1) 所谓的扇入扇出指的是一个门电路其输入输出能力
(2) 扇入系数指的是:一个门电路其输入端最大可以接入的信号路数
(3) 扇出系数指的是:一个门电路其在输出端最大可以驱动的相似逻辑电平的门电路的个数
(4) 我们这边所说的最大指的是在输入或输出其特性没有恶化,比如说逻辑电平不在合理的范围或者延时变得不可接受等等
(5) 由于CMOS其输入端有寄生电容,一般为几pF,所以一个CMOS的门电路驱动CMOS的门电路的时候会产生延时,所以我们说其输出驱动能力是有限的
(7)更详细的内容我们会在老白FPGA系列基础课程中详细讲解数字电路相关的内容
复制这段话到TaoBao打开即可见↓
1 ha:/啊imzkXg6Ph9e嘻 90天硬件设计电子工程师全能线上特训班零基础电路培训 实战教程
此问答来源白老师硬件特训班答疑
课程链接:
https://www.fany-online.com/h-pd-352.html#keyword
觉得内容不错的话,点个在看呗
工程师必备
- 项目客服
- 培训客服
- 平台客服
TOP




















