深度解读:全新奥迪Q2L E-tron高电压部件
浏览:3078
本文根据奥迪原厂自学资料整理,用图解方式和大家分享奥迪全新Q2L E-tron的高电压部件结构组成和作用。 从基本层面了解并认识奥迪Q2L车型的电力驱动系统结构组成,为基本维修保养工作的开展做好准备。 希望通过本文,可以帮助大家快速了解奥迪E-tron车型的高电压结构与原理。
-
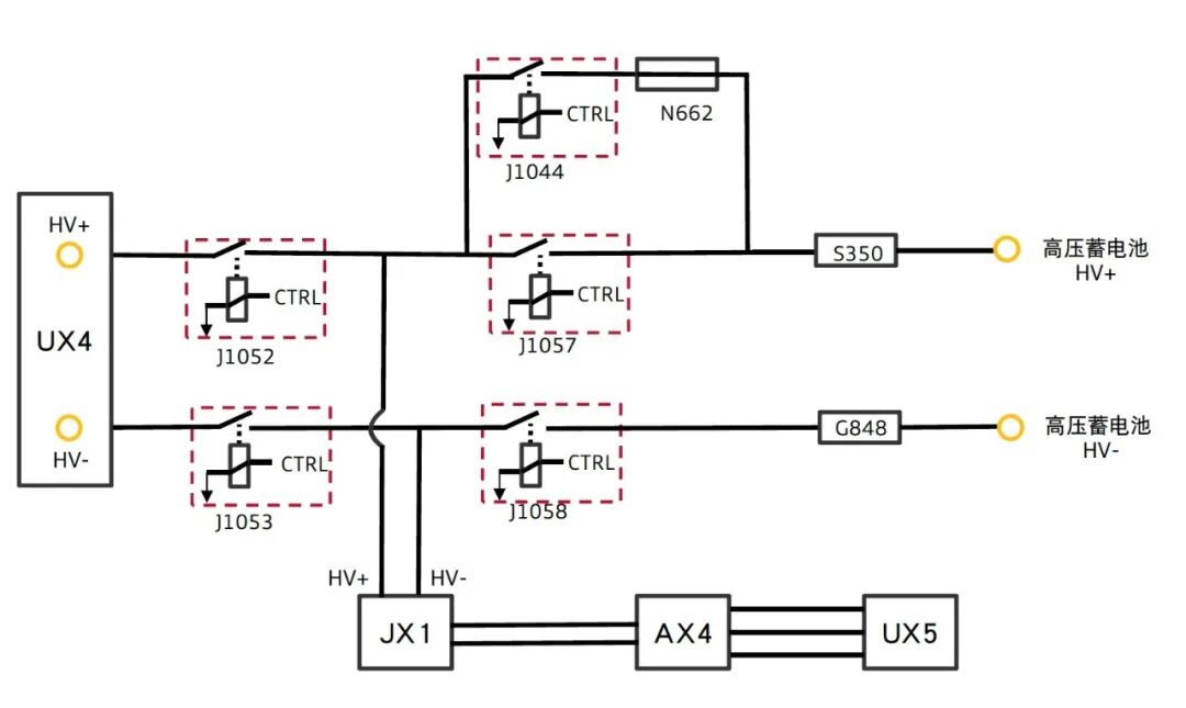
直流充电接口UX4 -
交流充电接口UX5
-
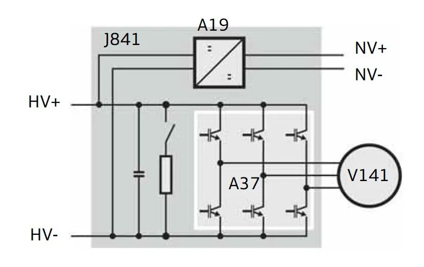
电驱动系统控制单元J841 -
空调压缩机保险丝S355 -
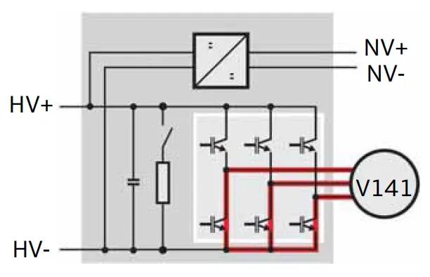
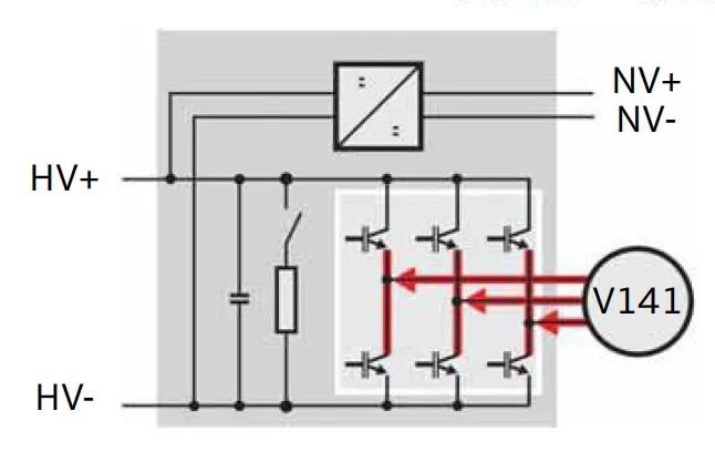
逆变器A37 -
变压器A19 -
C25 -
高电压导线 -
12V车载电网接口 -
冷却液接口
-
电机转子位置传感器G713探测行驶电机V141的位置 -
电机温度传感器G712探测行驶电机V141的温度 -
通过JX1内部温度传感器探测JX1内部部件温度 -
JX1的主控功能
-
高电压蓄电池的电流传感器G848 -
高电压蓄电池功率保护器1 J1057,HV正极 -
高电压蓄电池功率保护器2 J1058,HV负极 -
高压蓄电池预充电保护器J1044,HV正极 -
高电压直流充电接触器1 J1052,正极 -
高电压直流充电接触器2 J1053,负极 -
高电压蓄电池保护电阻N662 -
高电压系统保险丝S350 -
高电压系统电容器 -
J840
-
端子15关闭 -
安全气囊控制单元J234通过数据总线发送碰撞信号 -
安全气囊控制单元J234通过离散导线发送碰撞信号 -
保养插头TW打开 -
功率保护器端子30C供电保险损坏 -
混合动力蓄电池单元J840的12V供电中断 -
安全线中断
-
监控安全线 -
监控碰撞信号 -
蓄电池监控控制单元J1208,J1209的主控制功能 -
控制保护继电器 -
充电状态调节 -
绝缘保护装置监控 -
测量保护继电器前后电流
THE END
欢迎加入三电知识社区群
技术邻APP
工程师必备
工程师必备
- 项目客服
- 培训客服
- 平台客服
TOP




















