你还分不清楚PID、P&ID的区别么?
2021年7月15日 13:5401
PID
1.1 啥是PID?
PID,就是“比例(proportional)、积分(integral)、微分(derivative)”,是一种很常见的控制算法。
PID距今已经有107年的历史了。
它并不是什么很神圣的东西,大家一定都见过PID的实际应用。
比如四轴飞行器,再比如平衡小车......还有汽车的定速巡航、3D打印机上的温度控制器....
就是类似于这种:需要将某一个物理量“保持稳定”的场合(比如维持平衡,稳定温度、转速等),PID都会派上大用场。
1.1.1 kP
P就是比例的意思。它的作用最明显,原理也最简单。我们先说这个:
需要控制的量,比如水温,有它现在的『当前值』,也有我们期望的『目标值』。
当两者差距不大时,就让加热器“轻轻地”加热一下。
要是因为某些原因,温度降低了很多,就让加热器“稍稍用力”加热一下。
要是当前温度比目标温度低得多,就让加热器“开足马力”加热,尽快让水温到达目标附近。
这就是P的作用,跟开关控制方法相比,是不是“温文尔雅”了很多。
实际写程序时,就让偏差(目标减去当前)与调节装置的“调节力度”,建立一个一次函数的关系,就可以实现最基本的“比例”控制了~
kP越大,调节作用越激进,kP调小会让调节作用更保守。
要是你正在制作一个平衡车,有了P的作用,你会发现,平衡车在平衡角度附近来回“狂抖”,比较难稳住。
如果已经到了这一步——恭喜你!离成功只差一小步了~
1.1.2 kD
D的作用更好理解一些,所以先说说D,最后说I。
刚才我们有了P的作用。你不难发现,只有P好像不能让平衡车站起来,水温也控制得晃晃悠悠,好像整个系统不是特别稳定,总是在“抖动”。
你心里设想一个弹簧:现在在平衡位置上。拉它一下,然后松手。这时它会震荡起来。因为阻力很小,它可能会震荡很长时间,才会重新停在平衡位置。
请想象一下:要是把上图所示的系统浸没在水里,同样拉它一下 :这种情况下,重新停在平衡位置的时间就短得多。
我们需要一个控制作用,让被控制的物理量的“变化速度”趋于0,即类似于“阻尼”的作用。
因为,当比较接近目标时,P的控制作用就比较小了。越接近目标,P的作用越温柔。有很多内在的或者外部的因素,使控制量发生小范围的摆动。
D的作用就是让物理量的速度趋于0,只要什么时候,这个量具有了速度,D就向相反的方向用力,尽力刹住这个变化。
kD参数越大,向速度相反方向刹车的力道就越强。
如果是平衡小车,加上P和D两种控制作用,如果参数调节合适,它应该可以站起来了~欢呼吧。
等等,PID三兄弟好像还有一位。看起来PD就可以让物理量保持稳定,那还要I干嘛?
因为我们忽视了一种重要的情况:
1.1.3 kI
还是以热水为例。假如有个人把我们的加热装置带到了非常冷的地方,开始烧水了。需要烧到50℃。
在P的作用下,水温慢慢升高。直到升高到45℃时,他发现了一个不好的事情:天气太冷,水散热的速度,和P控制的加热的速度相等了。
这可怎么办?
P兄这样想:我和目标已经很近了,只需要轻轻加热就可以了。
D兄这样想:加热和散热相等,温度没有波动,我好像不用调整什么。
于是,水温永远地停留在45℃,永远到不了50℃。
作为一个人,根据常识,我们知道,应该进一步增加加热的功率。可是增加多少该如何计算呢?
前辈科学家们想到的方法是真的巧妙。
设置一个积分量。只要偏差存在,就不断地对偏差进行积分(累加),并反应在调节力度上。
这样一来,即使45℃和50℃相差不太大,但是随着时间的推移,只要没达到目标温度,这个积分量就不断增加。系统就会慢慢意识到:还没有到达目标温度,该增加功率啦!
到了目标温度后,假设温度没有波动,积分值就不会再变动。这时,加热功率仍然等于散热功率。但是,温度是稳稳的50℃。
kI的值越大,积分时乘的系数就越大,积分效果越明显。
所以,I的作用就是,减小静态情况下的误差,让受控物理量尽可能接近目标值。
I在使用时还有个问题:需要设定积分限制。防止在刚开始加热时,就把积分量积得太大,难以控制。
02
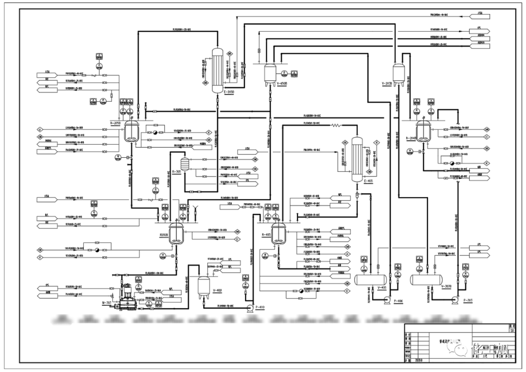
P&ID
2.1 啥是P&ID?
P&ID,也就是我们化工人常说的管道仪表流程图了,是PIPING AND INSTRUMENTATION DIAGRAM的缩写。P&ID的设计是在PFD的基础上完成的。它是化工厂的工程设计中从工艺流程到工程施工设计的重要工序,是工厂安装设计的依据。
化工工程的设计,从工艺包、基础设计到详细设计中的大部分阶段,P&ID 都是化工工艺及工艺系统专业的设计中心,其他专业(设备、机泵、仪表、电气、管道、土建、安全等)都在为实现P&ID里的设计要求而工作。 P&ID的绘制如无特别规定及设计规范大多均可参考《HG20519-2009化工工艺设计施工图内容和深度统一规定》。
2.2 P&ID的设计内容
P&ID的设计应包括下列内容。
2.2.1 设备
(1)设备的名称和位号
每台设备包括备用设备,都必须标示出来。对于扩建、改建项目,已有设备要用细实线表示,并用文字注明。
(2)成套设备
对成套供应的设备(如快装锅炉、冷冻机组、压缩机组等),要用点划线画出成套供应范围的框线,并加标注。通常在此范围内的所有附属设备位号后都要带后缀“X”以示这部分设备随主机供应,不需另外订货。
(3)设备位号和设备规格
P&ID上应注明设备位号和设备的主要规格和设计参数,如泵应注明流量Q和扬程H;容器应注明直径D和长度L;换热器要注出换热面积及设计数据;储罐要注出容积及有关的数据。和PFD不同的是,P&ID中标注的设备规格和参数是设计值,而PFD标注的是操作数据。
(4)接管与联接方式
管口尺寸、法兰面形式和法兰压力等级均应详细注明。一般而言,若设备管口的尺寸、法兰面形式和压力等级与相接管道尺寸、管道等级规定的法兰面形式和压力等级一致,则不需特殊标出;若不一致,须在管口附近加注说明,以免在安装设计时配错法兰。
(5)零部件
为便于理解工艺流程,零部件如与管口相邻的塔盘、塔盘号和塔的其他内件(如挡板、堰、内分离器、加热/冷却盘)都要在P&ID中表示出来。
(6)标高
对安装高度有要求的设备必须标出设备要求的最低标高。塔和立式容器须标明自地面到塔、容器下切线的实际距离或标高;卧式容器应标明容器内底部标高或到地面的实际距离。
(7)驱动装置
泵、风机和压缩机的驱动装置要注明驱动机类型,有时还要标出驱动机功率。
(8)排放要求
P&ID应注明容器、塔、换热器等设备和管道的放空、放净去向,如排放到大气、泄压系统、干气系统或湿气系统。若排往下水道,要分别注明排往生活污水、雨水或含油污水系统。
2.2.2配管
(1)管道规格
在P&ID中要表示出全部在正常生产、开车、停车、事故维修、取样、备用、再生各种工况下所需要的工艺物料管线和公用工程管线。所有的管道都要注明管径、管道号、管道等级和介质流向。管径一般用公称直径(DN)表示,根据工程的要求,也可采用英制(”,英寸)。
若同一根管道上使用了不同等级的材料,应在图上注明管道等级的分界点。
一般在P&ID上管道改变方向处标明介质流向。
(2)间断使用的管道
对间断使用的管道要注明“开车”、“停车”、“正常无流量(NNF)”等字样。
(3)阀件
正常操作时常闭的阀件或需要保证开启或关闭的阀门要注明“常闭(N.C)”、“铅封开(C.S.O)”、“铅封闭(C.S.C)”、“锁开(L.O)”、“锁闭(L.C)”等字样。
所有的阀门(仪表阀门除外)在P&ID上都要示出,并按图例表示出阀门的形式;若阀门尺寸与管道尺寸不一致时,要注明。
阀门的压力等级与管道的压力等级不一致时,要标注清楚;如果压力等级相同,但法兰面的形式不同,也要标明,以免安装设计时配错法兰,导致无法安装。
(4)管道的衔接
管道进出P&ID中,图面的箭头接到哪一张图及相接设备的名称和位号要交待清楚。以便查找相接的图纸和设备。
(5)两相流管道
两相流管道由于容易产生“塞流”而造成管道振动,因此应在P&ID上注明“两相流”。
(6)管口
开车、停车、试车用的放空口、放净口、蒸汽吹扫口、冲洗口和灭火蒸汽口等,在P&ID上都要清楚地标示出来。
(7)伴热管
蒸汽伴热管、电伴热管、夹套管及保温管等,在P&ID中要清楚地标示出来,但保温厚度和保温材料类别不必示出(可以在管道数据表上查到)。
(8)埋地管道
所有埋地管道应用虚线标示,并标出始末点的位置。
(9)管件
各种管路附件,如补偿器、软管、永久过滤器、临时过滤器、异径管、盲板、疏水器、可拆卸短管、非标准的管件等都要在图上标示出来。有时还要注明尺寸,工艺要求的管件要标上编号。
(10)取样点
取样点的位置和是否有取样冷却器等都要标出,并注明接管尺寸、编号。
(11)特殊要求
管道坡度、对称布置和液封高度要求等均必须注明。
(12)成套设备接管
P&ID中应标示出和成套供应的设备相接的连结点,并注明设备随带的管道和阀门与工程设计管道的分界点。工程设计部分必须在P&ID上标示,并与设备供货的图纸一致。
(13)扩建管道与原有管道
扩建管道与已有设备或管道连接时,要注明其分界点。已有管道用细实线表示。
(14)装置内、外管道
装置内管道与装置外管道连接时,要画“管道连接图”。并列表标出:管道号、管径、介质名称;装置内接往某张图、与哪个设备相接;装置外与装置边界的某根管道相接,这根管道从何处来或去何处。
(15)特殊阀件
双阀、旁通阀在P&ID上都要标示清楚。
(16)清焦管道
在反应器的催化剂再生时;须除焦的管道应标注清楚。
2.2.3 仪表与仪表配管
(1)在线仪表
流量计、调节阀等在线仪表的接口尺寸如与管道尺寸不一致时,要注明尺寸。
(2)调节阀
调节阀及其旁通阀要注明尺寸,并标明事故开(FO)或事故关(FC)、是否可以手动等。我国钢制调节阀阀体的最低压力等级是 4 x 106Pa,而管道的压力等级往往低于 4 x 106Pa,此点在 P&ID上要注明,以免法兰配不上。
(3)安全阀/呼吸阀(压力真空释放阀) 要注明连接尺寸和设定压力值。
(4)设备附带仪表
设备上的仪表如果是作为设备附件供应,不须另外订货时,要加标注,该仪表编号可加后缀“X”。
(5) 仪表编号
仪表编号和电动、气动讯号的联接不可遗漏,按图例符号规定(lead sheet)编制。
(6)联锁及讯号
联锁及声、光讯号在P&ID上亦要表示清楚。
(7)冲洗、吹扫
仪表的冲洗、吹扫要示出。
(8)成套设备
成套供应设备的供货范围要标明。对由制造厂成套供货范围内的仪表,要加标注,可在编号后加后缀“X”。
2.2.4其他
在P&ID中要将特殊的设计及安装要求标示出来,亦可作为注释单独列出,如开/停车联锁、再生要求、仪表与有关的管道阀的安装要求、特殊的专用管件等。
[4] HG20519-2009化工工艺设计施工图内容和深度统一规定
工程师必备
- 项目客服
- 培训客服
- 平台客服
TOP




















