电动机降压启动方式及原理接线图大全
2021年7月21日 10:451、自耦减压启动
自耦减压启动是笼型感应电动机(又称异步电动机)的启动方法之一。它具有线路结构紧凑、不受电动机绕组接线方式限制的优点,还可按允许的启动电流和所需要的启动转矩选用不同的变压器电压抽头,故适用于容量较大的电动机。
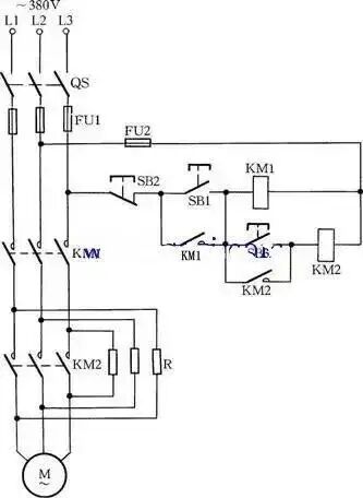
图1 自耦减压启动
工作原理如图1所示:启动电动机时,将刀柄推向启动位置,此时三相交流电源通过自耦变压器与电动机相连接。待启动完毕后,把刀柄扳至运行位置切除自耦变压器,使电动机直接接到三相电源上,电动机正常运转。此时吸合线圈KV得电吸合,通过连锁机构保持刀柄在运行位置。停转时,按下SB按钮即可。
自耦变压器次级设有多个抽头,可输出不同的电压。一般自耦变压器次级电压是初级的40%、65%、80%等,可根据启动转矩需要选用。
2、手动控制Y-△降压启动
Y-△降压启动的特点是方法简便、经济。其启动电流是直接启动时的1/3,故只适用于电动机在空载或轻载情况下启动。
图2 手动控制Y-△降压启动
图2所示为QX1型手动Y-△启动器接线图。图中L1、L2和L3接三相电源,D1、D2、D3、D4、D5和D6接电动机。当手柄扳到“0”位时,八副触点都断开,电动机断电不运转;当手柄扳到“Y”位置时,1、2、5、6、8触点闭合,3、4、7触点断开,电动机定子绕组接成Y形降压启动;当电动机转速上升到一定值时。
将手柄扳到“△”位置,这时l、2、3、4、7、8触点接通,5、6触点断开,电动机定子绕组接成△形正常运行。
3、定子绕组串联电阻启动控制
电动机启动时,在电动机定子绕组中串联电阻,由于电阻上产生电压降,加在电动机绕组上的电压低于电源电压,待启动后,再将电阻短接,使电动机在额定电压下运行,达到安全启动的目的。
图3 定子绕组串联电阻启动控制线路
4、手动串联电阻启动控制
当三相交流电动机标牌上标有额定电压为220/380V(△/Y)的接线方法时,不能用Y-△方法做降压启动,可用这种串联电阻或电抗器方法启动。
图4 串联电阻线路图
线路如图4所示。当需启动电动机时,按下开关按钮SB1,电动机串联电阻启动。待电动机转速达到额定转速后,再按下SB3,电动机电源改为全压供电,使电动机正常运行。
5、定子绕组串电阻(或电抗)降压启动另一法
图5 定子绕组串电阻(或电抗)降压启动另一法
按下启动按钮SB1,KM1、KT获电动作,其常开辅助触点闭合自锁,电动机定子绕组串入电阻降压启动。时间继电器达到整定时间后,KT常开延时闭合触点闭合,KM2获电动作,其主触点闭合将电阻短接,电动机定子绕组加上电源全电压,启动过程结束,如图5所示。
这种线路适用于要求启动平稳的中等容量的笼型异步电动机。它的不足是启动转矩因启动电流减小而降低。另外,启动电阻要消耗一定的功率,所以不宜频繁启动。
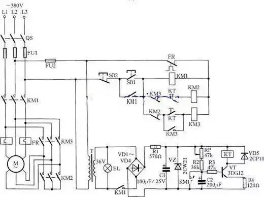
6、用晶体管延时电路自动转换Y-△启动控制
用电子元件组成的延时电路具有体积小、价格低等优点。用晶体管延时电路自动转换Y-△启动控制线路如图6所示。当按下启动按钮SB1时,交流接触器KM1和KM2同时得电,电动机接成Y形启动,与此同时,KM1的常开辅助触点把晶体管延时电路接通。继电器KT延时动作,其常闭触点KT打开,切断KM2的线圈回路;与此同时,其常开触点KT闭合,使接触器KM3得电吸合,电动机接成△形正常运行。
调整线路中电容C2容量的大小或电位器RP,可控制三极管达到导通的时间,即延时时间。
图6 用晶体管延时电路自动转换Y-△启动控制
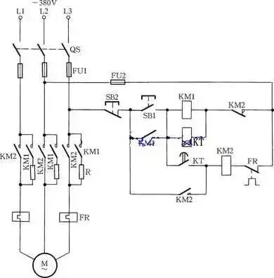
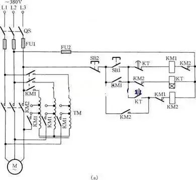
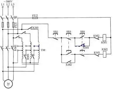
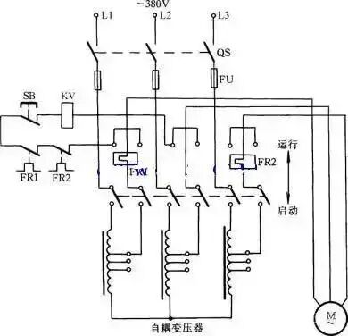
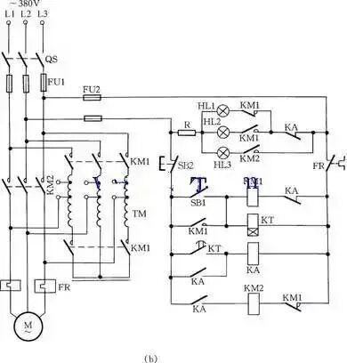
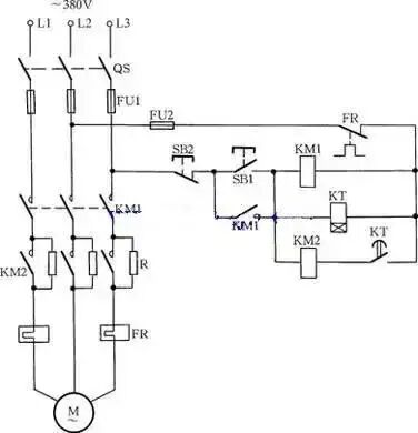
7、采用自耦变压器与时间继电器启动的两种控制
对容量较大的220/380V△/Y形笼型电动机不能用Y-△方法启动,可用自耦变压器及时间继电器完成自动控制启动。见图7(a),只要按下操作按钮SB1,KM1吸合,进行降压启动,经一段时间,电动机达到额定转速后,时间继电器KT动作,KM1失电,KM2得电,电动机在全压下正常运转。按下SB2停止按钮,电动机便失电停转。而另一种采用自耦变压器与时间继电器启动控制的线路如图7(b)所示,它的线路较完善,故在启动大型电动机时采用这种方法非常多见。工作时按下启动按钮SB1,电动机降压启动。待电动机启动完毕,通过时间继电器能自动转换为全压运行。另外图7(b)中还加有指示灯线路,用于指示整个启动过程的情况。
图7 采用自耦变压器与时间继电器启动的两种控制
图7 采用自耦变压器与时间继电器启动的两种控制
8、自耦变压器手动启动控制
自耦变压器手动启动控制线路如图8所示。当启动电动机时,按下SB1按钮,这时KM1接触器得电吸合,电动机通过自耦变压器启动。待电动机启动完毕后,按一下SB3按钮,电动机即可变为正常全压运行。
图8 自耦变压器手动启动控制
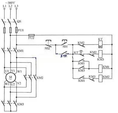
9、用中间、时间继电器延时转换的Y-△降压启动控制
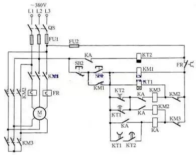
这种控制线路在设计上增加了一级中间继电器和时间继电器,可以防止大容量电动机在Y-△转换过程中,由于转换时间短,电弧不能完全熄灭而造成的相间短路。它适用于55kW以上△形接法的大容量电动机,见图9所示。
工作原理是:当接通电源时,时间继电器KT2获电动作,为启动做好准备。按下启动按钮SB1,KM1、KT1、KM3获电动作。KM1常开辅助触点闭合自锁,电动机绕组接成Y形接法降压启动。KT1达到整定延时时间后,KT1延时断开的常闭触点断开,使KM3失电释放;同时KT1延时闭合的常开触点闭合,使中间继电器KA获电动作。KA常闭触点断开使KT2失电释放,同时KA常开触点闭合。当KT2断电,延时触点达到延时时间(0.5~1s)闭合后,KM2才获电动作。这时电动机由Y形接法转换为△形接法,启动过程结束。
图9 用中间、时间继电器延时转换的Y-△降压启动控制
10、用时间继电器自动转换Y-△启动控制
用时间继电器自动转换Y-△启动电动机控制线路如图10所示。当按下按钮SB1时,接触器KM3、KM1吸合,这时电动机为Y形启动。当经过一定延时,电动机启动完毕后(时间继电器一般控制在30s),时间继电器KT常闭触点断开,使KM3失电释放,同时由于KM3的释放又接通了KM2线圈的电源,KM2吸合,电动机改为△形运行。
图10 用时间继电器自动转换Y-△启动控制
工程师必备
- 项目客服
- 培训客服
- 平台客服
TOP




















