讲一例很奇葩的电气故障,至今都没想明白为什么!懂PLC的朋友给解释解释!
2021年7月31日 09:41浏览:2814
今天下午,机组出了一个非常奇葩的电气故障,看着很简单,却前后处理了将近4个小时。更为郁闷的是,虽然故障点找到了,但产生的原因却解释不通!
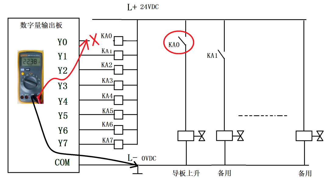
现场的活套导板上升电磁阀不动作,操作活套导板上升时,对应的PLC输出继电器(KA0)指示灯亮,但继电器没吸合。用万用表检查输出继电器线包A1-A2间电压为13V左右,显然是电压不够导致吸力不足。电气原理图如下所示:
用万用表检查PLC输出端子Y0的电压,按下导板上升按钮时为9V,松开按钮时为24V。说明按钮操作回路正常,且PLC也有相应的输出动作!
拆掉继电器KA0与PLC输出点Y0之间的连线,测量结果还是Y0得电时输出电压为9.5V,Y0失电后输出电压为24V。
为了验证PLC是否存在Y0输出点损坏的问题,修改PLC程序,将导板上升控制点由Y0更换为备用点Y1。结果故障现象与之前完全一致,Y1得电时输出为9V,Y1失电后输出为24V。
Y1与M1109同时动作,然后呢,M1109的常闭点又串在了自己的线包回路里!
这不就产生震荡了吗,相当于输出Y1在不停的通-断-通-断-通-断……..!
怪不得输出电压总是在9V呢,相当于输出高频脉冲了!
还有更奇葩的是:我查看了不同时期的PLC程序备份,都是这样!那既然是编程错误,怎么之前一直能正常工作呢,有懂得朋友给解释解释!
原文阅读
技术邻APP
工程师必备
工程师必备
- 项目客服
- 培训客服
- 平台客服
TOP




















