60个电工常见易错的知识点,考证必读~
2021年8月19日 13:58盘点60个电工常见易错的知识点,电工考证看这篇足够!
自动控制系统中用于发送控制指令的电器。
是一种简单的短路或严重过载保护电器,其主体是低熔点金属丝或金属薄片制成的熔体。
一种触头延时接通或断开的控制电器。
电气原理图是用来表示电路各电气元器件中导电部件的连接关系和工作原理的电路图。
“互锁”电路实质上是两个禁止电路的组合。K1动作就禁止了K2的得电,K2动作就禁止了K1的得电。
自锁电路是利用输出信号本身联锁来保持输出的动作。
为了防止电网失电后恢复供电时电动机自行起动的保护叫做零压保护。
在电源电压降到允许值以下时,为了防止控制电路和电动机工作不正常,需要采取措施切断电源,这就是欠压保护。
三个绕组,每一端接三相电压的一相,另一端接在一起。
三个绕组首尾相连,在三个联接端分别接三相电压。
在电动机容量较大时,将电源电压降低接入电动机的定子绕组,起动电动机的方法。
主电路是从电源到电动机或线路末端的电路,是强电流通过的电路。
辅助电路是小电流通过电路。
以转速为输入量的非电信号检测电器,它能在被测转速升或降至某一预定设定的值时输出开关信号。
继电器是一种控制元件,利用各种物理量的变化,将电量或非电量信号转化为电磁力(有触头式)或使输出状态发生阶跃变化(无触头式)。
是利用电流的热效应原理来工作的保护电器。
吸引线圈电流为交流的继电器。
在电动机容量较小时,将电动机的定子绕组直接接入电源,在额定电压下起动。
电路两端的电位差。
触头亦称触点,是电磁式电器的执行元件,起接通和分断电路的作用。
电磁机构是电磁式电器的感测元件,它将电磁能转换为机械能,从而带动触头动作。
电弧实际上是触头间气体在强电场作用下产生的放电现象。
接触器是一种适用于在低压配电系统中远距离控制、频繁操作交、直流主电路及大容量控制电路的自动控制开关电器。
利用过热元件间接地反映出绕组温度而动作的保护电器称为温度继电器。
按下点动按钮,线圈通电吸合,主触头闭合,电动机接人三相交流电源,起动旋转;松开按钮,线圈断电释放,主触头断开,电动机断电停转。
电气控制系统是由电气控制元器件按一定要求连接而成。
异步电动机调速中,改变定子极对数的调速方法。
电器元件布置图是用来表明电气原理中各元器件的实际安装位置的图。
电气安装接线图是电气原理图的具体实现形式,它是用规定的图形符号按电器元件的实际位置和实际接线来绘制的。
异步电动机调速中,改变电源频率的调速方法。
能耗制动是在电动机停止切除定子绕组三相电源的同时,定子绕组接通直流电源,产生静止磁场,利用转子感应电流与静止磁场的相互作用,产生一个制动转矩进行制动。
反接制动是在电动机停止时,改变定子绕组三相电源的相序,使定子绕组旋转磁场反向,转子受到与旋转方向相反的制动转矩作用而迅速停车。
短路时电路会产生很大的短路电流和电动力而使电气设备损坏。需要迅速切断电源。常用的短路保护元件有熔断器和自动开关。
电机允许短时过载,但长期过载运行会导致其绕组温升超过允许值,也要断电保护电机。常用的过载保护元件是热继电器。
由于热继电器的热元件有热惯性,不会变形很快,电机起动时电流很大,而起动时间很短,大电流还不足以让热元件变形引起触点动作。
触点数量相同、线圈额定电压相同、小电流控制时可以替换。
电磁式、磁电式、感应式、电动式、光电式、压电式,时间与温度(热)继电器等。
熔断器只能用作短路保护,不能用作过载保护;而热继电器只能用作过载保护,不能用作短路保护。所以主回路中装设两者是必需的。
热继电器是利用电流的热效应原理来工作的电器,主要用于电动机的过载保护、断相保护及其他电气设备发热状态的控制。
额定工作制:8小时工作制、长期工作制、短时工作制、断续周期工作制。
反接制动适用于不经常起制动的10KW以下的小容量电动机。能耗制动适用于要求制动平稳、准确和起动频繁的容量较大的电动机。
控制按钮、行程开关、接近开关、万能转换开关、主令控制器及其他主令电器(如脚踏开关、倒顺开关、紧急开关、钮子开关、指示灯)等。
依据设备说明书、电气控制原理图、电气设备的总接线图、电器元件布置图与接线图。
按输入信号的性质分:电压、电流、时间、温度、速度、压力等。
按工作原理分:电磁式、感应式、电动式、热、电子式等。
接触器的主触点容量大,主要用于主回路;中间继电器触点数量多,主要用于控制回路。在电路电流较小时(小于5A),可用中间继电器代替接触器。
1)电气原理图一般分主电路和辅助电路两部分画出。
2)各电器元件应采用国家标准统一的图形符号和文字符号。
3)各电器元件的导电部件的位置应根据便于阅读和分析的原则来安排,同一电器元件的不同部分可以不画在一起。
4)所有电器元件的触点都按没有通电或没有外力作用时的开闭状态画出。
5)有直接电连接的交叉导线的连接点要用黑圆点表示。
6)各电器元件一般应按动作的顺序从上到下,从左到右依次排列,可水平或竖直布置。
电源反接制动时,转子与定子旋转磁场的相对转速接近两倍的电动机同步转速,所以此时转子绕组中流过的反接制动电流相当于电动机全压起动时起动电流的两倍。因此反接制动转矩大,制动迅速。
在能耗制动中,按对接入直流电的控制方式不同,有时间原则控制和速度原则控制两种。两种方式都需加入直流电源和变压器,制动缓慢。
因为当接触器主触点被强烈的电弧“烧焊”在一起或者接触器机构失灵使衔铁卡死在吸合状态时,如果另一只接触器动作,就会造成电源短路。接触器常闭触点互相联锁时,能够避免这种情况下短路事故的发生。
自锁电路是利用输出信号本身联锁来保持输出的动作。
当电源电压过低时,接触器线圈断电,自锁触点返回使线圈回路断开,电压再次升高时,线圈不能通电,即形成了欠压和失压保护。
有经验设计和逻辑设计两种。常用的是经验设计。
设计步骤是:主电路→控制电路→辅助电路→联锁与保护→总体检查→反复修改与完善。
一般速度继电器触头的动作转速为140r/min左右,触头的复位转速为100r/min。
时间继电器有电磁式、空气阻尼式、电动机式与电子式等。
1)控制电器
2)配电电器
3)执行电器
4)可通信低压电器
5)终端电器
选用时可从延时长短、延时精度、控制电路电压等级和电流种类、延时方式和触头形式与数量几方面考虑来选择。
按下SB2,KM1吸合并自保,电机运行,速度达到140转/分以上时,KS触点闭合。按下SB1,KM1断电,KM2吸合,进行反接制动,速度达到100转/分以下时,KS触点断开,制动结束,电机慢慢停止转动。
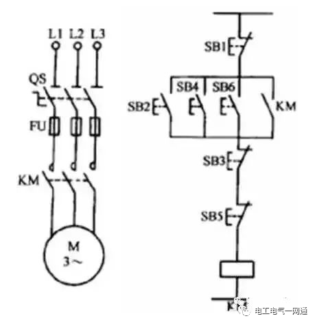
按下SB,KM线圈得电,KM触点闭合,电机转动;松开SB, KM线圈失电,KM触点断开,电机停转。
按下SB2,KM1线圈得电,KM吸合,主触电接通电机电源,电机运行;同时辅助触点闭合,接通控制回路,并保持。松开SB2,由于辅助触点已经闭合了控制回路,靠辅助触点继续接通控制回路,电机继续运行。按下SB1,KM1断电,辅助触点断开,主触点断开电机电源,电机慢慢停止转动。
按下SB2、SB4、SB6中的任何一个按钮,KM线圈就得电,KM就吸合并自保,电机运行;按下SB1、SB3、SB5中的任何一个按钮,KM线圈就失电,KM就断开,电机就慢慢停转。
其转子的轴与被控电动机的轴相连接,定子空套在转子外围。当电动机运行时,速度继电器的转子随电动机轴转动,永久磁铁形成旋转磁场,定子中的笼型导条切割磁场而产生感应电动势,形成感应电流。
其在磁场作用下产生电磁转矩,使定子随转子旋转方向转动,但由于有返回杠杆挡住,故定子只能随转子转动方向转动一定角度,当定子偏转到一定角度时,在杠杆7的作用下使常闭触头打开,常开触头闭合。
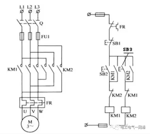
当正转起动时,按下正转起动按钮SB2,KM1线圈通电吸合并自锁,电动机正向起动并旋转;当反转起动时,按下反转起动按钮SB3,KM2线圈通电吸合并自锁,电动机便反向起动并旋转。
在控制电路中将KM1、KM2正反转接触器的常闭辅助触头串接在对方线圈的电路中,形成相互制约的控制,若在按下正转起动按钮SB2,电动机已进入正转运行后,要使电动机转向改变,必须先按下停止按钮SBl,而后再按反向起动按钮。
工程师必备
- 项目客服
- 培训客服
- 平台客服
TOP




















