涨知识|有了变频器,为什么还要软启动器?
2021年8月31日 11:31变频器的设计的主要目的是用来调节交流异步电机的转速,也就是所谓的调速使用,让电机工作在不同的速度段,满足设备的工作要求,工厂购买变频器,主要就是为了这个。
因为变频器要调速,这个过程需要调频又要调压,所以需要使用昂贵的IGBT等功率器件来实现,而且斩波逆变输出的控制比较复杂,对元件的要求非常高,还要涉及到复杂的计算算法等。这些因素决定了变频器的价格肯定会比其他产品要贵很多。
变频器除了调速功能外,当然也可以实现所谓的软启动功能,讲白就就是让电机能够按照一定的曲线来逐步提升转速,这个时间段是可以人为设定的,过程重点是降压启动,因为电机启动时候电流会比正常电流大很多,如果一下子施加非常高的电压上去,电流太大了,不仅会冲击电网,影响到变压器,而且还可能对电机轴承等部件带来不良影响,所以启动时候让电压低一点,能够慢慢上去,就可以避免这些问题。
而软启动器,甚至是接触器实现的星三角启动,只设计了降压启动的功能,它们并没有所谓的调速功能,所以结构简单,对元件的要求也不高,软启动器就是一个可控硅调压器,没有调频功能,但是有时候简单也是一种力量。
很多设备只是需要电机启动电流小点,而启动完成了以后,就切换到工频了,这种场合使用了变频器就造成浪费,完全没有必要,使用廉价的软启动器,即使坏了,也容易维修,整体维护成本也低下,除了土豪,谁会不在乎“钱”呢。比如160KW的软启动器,大概就是3000元左右,而同样160KW的变频器,价格要1.3万左右,是4倍的价格,当然小功率的变频器和软启动器价格就相差不大,这也是为什么很少会见到小功率的软启动器的根本原因。
有些场合不宜使用变频器
变频器并不是输出真正的正弦波,而是通过PWM斩波逆变输出的一系列方波,对电网和设备干扰比较大。而使用可控硅调压的软启动器,启动时候并不会带来干扰,运行过程中电机工作在工频,也不会产生任何不良影响。如果电机仅仅是为了启动一下而已,而现场又有非常多贵重娇贵的仪器仪表,使用了变频器可能会影响到这些仪表的运行,所谓花钱又不讨好。
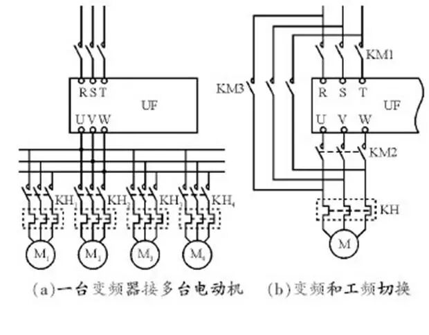
变频器一般不宜在输出端接触器之类的器件来切换,主要是变频器控制太复杂了,电机切换的时候,可能会造成电机空转时候相位和变频器输出的相位有很大差异,切换时候产生比较大冲击,对变频器的IGBT寿命会有影响。
而软启动器本身设计就是要考虑到切换的,会重视到这些细节,使用一些锁相环技术来跟踪等,就是没有这些功能,因为可控硅便宜可靠,可以使用耐压高点的可控硅来弥补,而IGBT太贵了,变频器一般又不会考虑切换到工频的应用,因此这些场所软启动器比变频器可能更理想。
来源:网络,版权归原作者所有
工程师必备
- 项目客服
- 培训客服
- 平台客服
TOP




















