电气人必看的34种自动控制原理图!值得收藏!

各类电气控制接线图、电子元件工作原理图,还有可控硅整流电路及负反馈调速装置原理等等,希望对大家的工作有所帮助,一起来了解一下吧。

0 1
可控硅调速电路

电气人必看的34种自动控制原理图!值得收藏!的图1

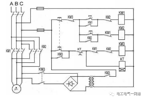
0 2
电磁调速电机控制图

电气人必看的34种自动控制原理图!值得收藏!的图2

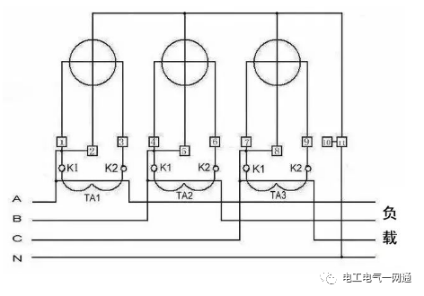
0 3
三相四线电度表互感器接线

电气人必看的34种自动控制原理图!值得收藏!的图3

0 4
能耗制动

电气人必看的34种自动控制原理图!值得收藏!的图4

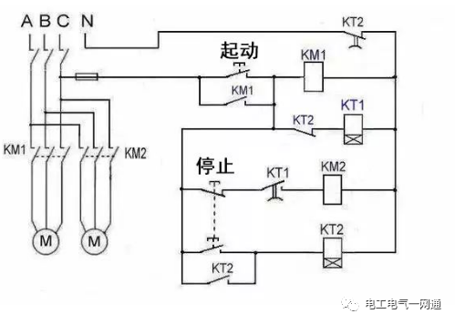
0 5
顺序起动,逆序停止

电气人必看的34种自动控制原理图!值得收藏!的图5

0 6
锅炉水位探测装置

电气人必看的34种自动控制原理图!值得收藏!的图6


0 7
电机正反转控制电路

电气人必看的34种自动控制原理图!值得收藏!的图7


0 8
电葫芦吊机电路

电气人必看的34种自动控制原理图!值得收藏!的图8


0 9
单相漏电开关电路

电气人必看的34种自动控制原理图!值得收藏!的图9


10
单相电机接线图

电气人必看的34种自动控制原理图!值得收藏!的图10


11
带点动的正反转起动电路

电气人必看的34种自动控制原理图!值得收藏!的图11


12
红外防盗报警器

电气人必看的34种自动控制原理图!值得收藏!的图12


13
双电容单相电机接线图

电气人必看的34种自动控制原理图!值得收藏!的图13


14
自动循环往复控制线路

电气人必看的34种自动控制原理图!值得收藏!的图14


15
定子电路串电阻降压启动控制线

电气人必看的34种自动控制原理图!值得收藏!的图15


16
按启动钮延时运行电路

电气人必看的34种自动控制原理图!值得收藏!的图16


17
星形 - 三角形启动控制线路

电气人必看的34种自动控制原理图!值得收藏!的图17


18
单向反接制动的控制线路

电气人必看的34种自动控制原理图!值得收藏!的图18


19
具有反接制动电阻的可逆运行反接制动的控制线路

电气人必看的34种自动控制原理图!值得收藏!的图19

20
以时间原则控制的单向能耗制动线路

电气人必看的34种自动控制原理图!值得收藏!的图20


21
以速度原则控制的单向能耗制动控制线路

电气人必看的34种自动控制原理图!值得收藏!的图21


22
电动机可逆运行的能耗制动控制线路

电气人必看的34种自动控制原理图!值得收藏!的图22


23
双速电动机改变极对数的原理

电气人必看的34种自动控制原理图!值得收藏!的图23


24
双速电动机调速控制线路

电气人必看的34种自动控制原理图!值得收藏!的图24


25
使用变频器的异步电动机可逆调速系统控制线路

电气人必看的34种自动控制原理图!值得收藏!的图25


26
正确连接电器的触点

电气人必看的34种自动控制原理图!值得收藏!的图26


27
线圈的连接

电气人必看的34种自动控制原理图!值得收藏!的图27


28
继电器开关逻辑函数

电气人必看的34种自动控制原理图!值得收藏!的图28

29
三相半波整流电路图

电气人必看的34种自动控制原理图!值得收藏!的图29

30
三相全波整流电路图

电气人必看的34种自动控制原理图!值得收藏!的图30

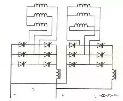
31
三相全波6脉冲整流原理图

电气人必看的34种自动控制原理图!值得收藏!的图31


32
六相12脉冲整流原理图

电气人必看的34种自动控制原理图!值得收藏!的图32

33
负载两端的电压

电气人必看的34种自动控制原理图!值得收藏!的图33

在一个周期中,每个二极管只有三分之一的时候导通(导通角为120度)。负载两端的电压为线电压。


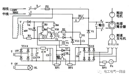
34
直流调速原理功能图

电气人必看的34种自动控制原理图!值得收藏!的图34

登录后免费查看全文
立即登录
App下载
技术邻APP
工程师必备
  • 项目客服
  • 培训客服
  • 平台客服

TOP