干货!西门子S7 PLC控制8个彩灯循环移位梯形图
2021年10月13日 11:28浏览:3971 收藏:1
题目要求:霓虹灯广告屏控制器的设计
用PLC对霓虹灯广告屏实现控制,其具体要求如下:
该广告屏中间8个灯管亮灭的时序为第1根亮→第2根亮→第3根
亮→…→第8根亮,时间间隔为1s,全亮后,显示10s,再反过来从
8→7→…→1顺序熄灭。全灭后,停亮2s,再从第8根灯管开始亮
起,顺序点亮7→6→…→1,时间间隔为1s,显示20s,再从→2→…→8。 顺序熄灭。全熄灭后,停亮2s,再从头开始运行,周而复始。
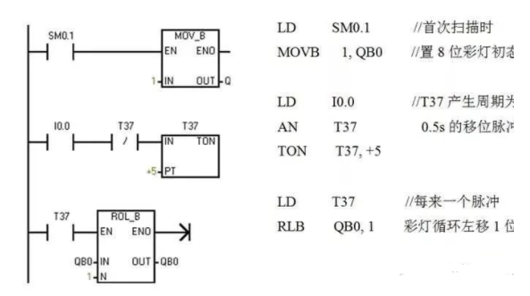
用I0.0控制接在Q0.0~Q0.7上的8个彩灯循环移位,从左到右以0.5s的速度依次点亮,保持任意时刻只有一个指示灯亮,到达最右端后,再从左到右依次点亮。
分析:8个彩灯循环移位控制,可以用字节的循环移位指令。根据控制要求,首先应置彩灯的初始状态为QB0=1,即左边第一盏灯亮;接着灯从左到右以0.5s的速度依次点亮,即要求字节QB0中的“1”用循环左移位指令每0.5s移动一位,因此须在ROL-B指令的EN端接一个0.5s的移位脉冲(可用定时器指令实现)。梯形图程序和语句表程序如图1所示。
技术邻APP
工程师必备
工程师必备
- 项目客服
- 培训客服
- 平台客服
TOP
1




















